EasyManua.ls Logo

Kinco CD622 - Chapter 8 Control Performance Tuning; 8.1 Driver Performance Tuning

Kinco CD622
133 pages
Print Icon
To Next Page IconTo Next Page
To Next Page IconTo Next Page
To Previous Page IconTo Previous Page
To Previous Page IconTo Previous Page
Loading...
102
Chapter 8 Control Performance
8.1 Driver Performance Tuning
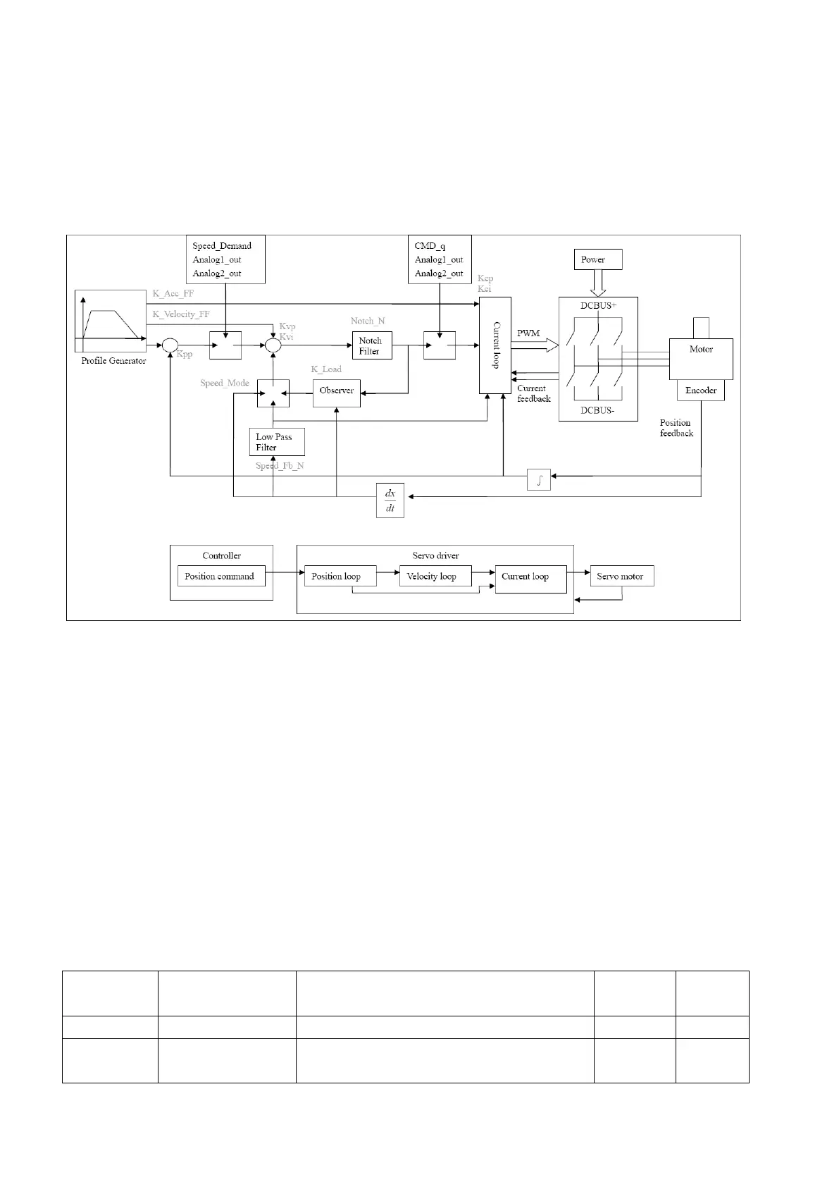
Fig. 8-1 Schematic diagram for control loop adjustment
As shown in Fig. 8-1, a typical servo system contains three control loops, namely, a position loop, a
velocity loop, and a current loop.
Current loops are related to motor parameters (optimal parameters of the selected motor are default for
the driver and no adjusting is required).
Parameters for velocity loops and position loops should be adjusted properly according to loading
conditions.
During adjustment of the control loop, ensure that the bandwidth of the velocity loop is at least twice of
that of the position loop; otherwise oscillation may occur.
8.1.1 Manual Adjustment
1. Parameters for velocity loop
Table 8-1 Parameters for velocity loop
Numeric
Display
Variable Name
Meaning
Default
Value
Range
d2.01
Kvp
Sets the response speed of a velocity loop
100
0~32767
d2.02
Kvi
Adjusts speed control so that the time of
minor errors is compensated
2
0~16384

Table of Contents

Related product manuals