EasyManua.ls Logo

Kinze 851 - Electronic Schematic

Kinze 851
78 pages
Print Icon
To Next Page IconTo Next Page
To Next Page IconTo Next Page
To Previous Page IconTo Previous Page
To Previous Page IconTo Previous Page
Loading...
M0276-01Grain Cart
3-28 Rev. 2/18
TM
Lubrication and Maintenance
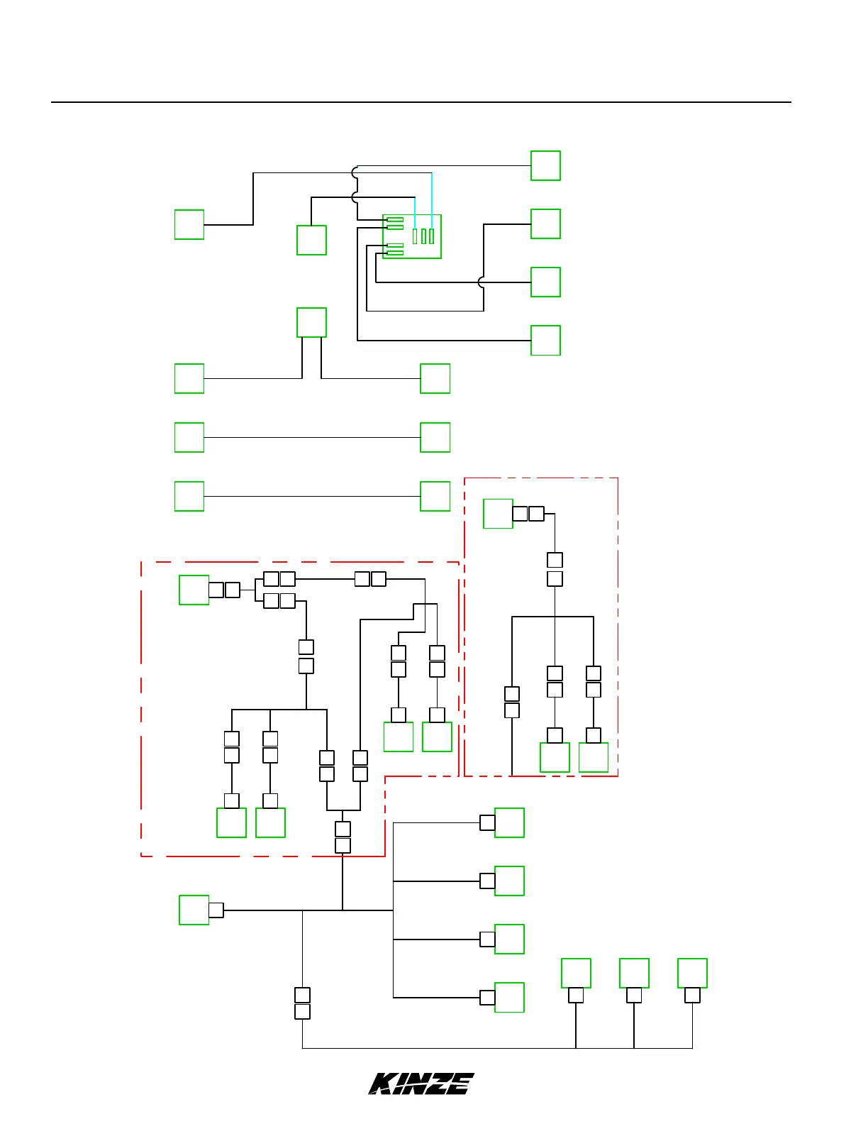
ELECTRONIC SCHEMATIC
Four Camera Option
Two Camera Option
LF
Scale
LR
Scale
RR
Scale
RF
Scale
Hitch
Scale
Monitor
Junction Box
J1
Tractor
P4
Lh
Flasher
P3
Lh
Tail
Light
P2
Rh
Tail
Light
P1
Rh
Flasher
P4
Tub
Worklight
P3
Auger
Worklight
P6
P5
P1
P1
Tractor
Tarp
Receiver
Tarp
Motor
Tractor
Autolog
Rotation
Sensor
Tractor
Moisture
Sensor
Monitor
1
4
P2
P3
C
C
Camera
Camera
Camera
Camera
A
B
4
A
BP1
P1
P2
P2
P1P2
P1
P2
1
2 2
Monitor
2
1
4
Camera
Camera
A
BP1
P1
P2
P2
P5 C
P2
Proximity
Sensor
A22877
A18725
A18725
A16346
A23988
A23988
A23100
A23988
A23988
A16346
A18725
A23988
A23988
A16346
A23101

Table of Contents

Related product manuals