EasyManua.ls Logo

klover DIVA - BI-FIRE MID - BI-FIRE Wiring Diagram (Motherboard I023)

klover DIVA
48 pages
Print Icon
To Next Page IconTo Next Page
To Next Page IconTo Next Page
To Previous Page IconTo Previous Page
To Previous Page IconTo Previous Page
Loading...
43
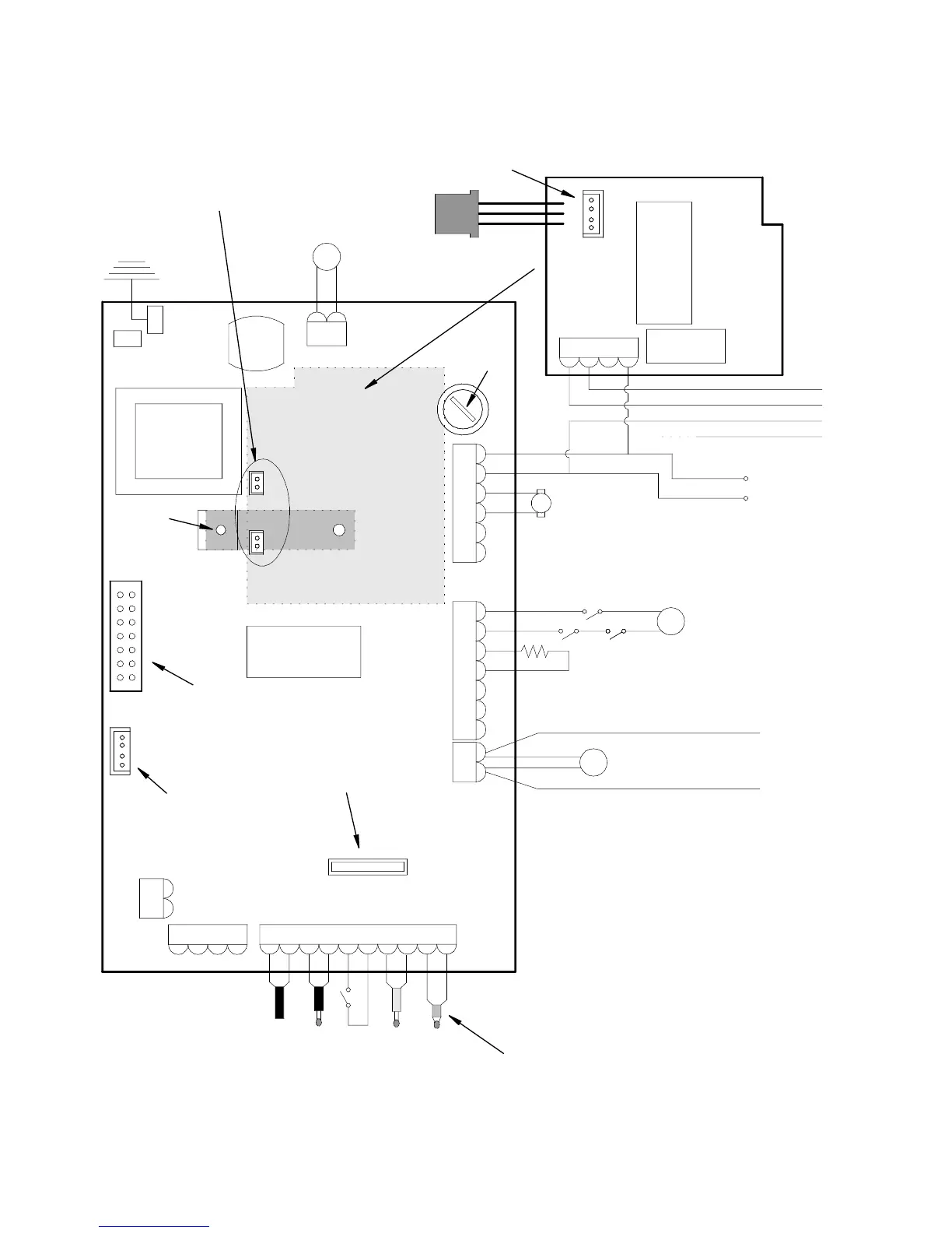
13.5 BI-FIRE MID BI-FIRE wiring diagram (Motherboard I023)
TRANSFORMER
IGNITION RELAY
EARTH
FLUE GAS
EXTRATION
INTAKE DEVICE
PHASE
NEUTRAL
230Vac
NETWORK
BROWN
BLUE
RECIRCULATION
PUMP
M
SCREW FEED
MOTOR REDUCER
ALF ALP
IGNITION
RESISTANCE
ROOM
THERMOSTA
T
CN4
CN8
CN9
CN13
CN5
CN1
CN2
CN3
CN7
PELLET SIDE
FUMES PROBE
FUSE
3,15A 5X20
N.PEL. N.H20
N.AMB.
TERM.
BLUE
RED
WATER
PROBE
-TC1+
ACC. COC.
N
F
SCAM.
FUMI
N
AL1AL2
IMPORTANT: DO NOT
INVERT THE POSITION
OF THE WIRES
CN6
CN6
RELAY
EXPANSION BOARD I055
FOR 3-WAY VALVE (OPTIONAL)
DISSIPATER
N
F
SCAM
FUMI
CN15
FUSE
4A 5X20
connector to CN13
on board I023
New serial connection
EXPANSION BOARD I055 CONNECTED TO I023
WITH CONNECTORS CN10 AND CN12
CN12
CN10
FASTENING
SCREWS
BROWN ON CABLE
BLACK ON CABLE
BLUE ON CABLE
GREEN/YELLOW EARTH ON CABLE
BOARD I023
CN14
DISPLAY
CONNECTOR
WIRES (WITH 220V)
CONTROL OF ANT
COUPLED
BOILER
4 x 0,75 CABLE (OPTIONAL)
FOR CONNECTION OF THE
MOTORISED 3-WAY VALVE
SCAM.
AUX
ALT
WOOD SIDE
FUMES PROBE
P
HEATING SYSTEM
PUMP
P
LEVELLING
DEVICE
SAFETY DEVICES KEY:
ALP = DOOR CLOSING MICRO SWITCH
ALF = FLUE GAS PRESSURE SWITCH
ALT = MANUAL RE-ARM THERMOSTAT
CONNECTOR
FOR SERIAL OR
EXPANSION BOARD
I055 CONNECTION
CONNECT A RELAY AT SET-UP WIRES OUTLET
(POWERED WITH 220V VOLTAGE) FOR ELECTRIC
CONNECTION TO COUPLED BOILER.
CR2032 3Volts
CHRONO-THERMOSTAT
CLOCK BATTERY
THREE-WAY CONNECTION KEY:
BLUE = COMMON
BLACK = PHASE OPENING
BROWN = PHASE CLOSING
YELLOW/GREEN = EARTH MASS

Related product manuals