EasyManua.ls Logo

Lars Thrane LT-3100 - Page 44

Lars Thrane LT-3100
167 pages
Print Icon
To Next Page IconTo Next Page
To Next Page IconTo Next Page
To Previous Page IconTo Previous Page
To Previous Page IconTo Previous Page
Loading...
LT-3100 User & Installation Manual Rev. 1.06 Interfaces
Lars Thrane A/S www.thrane.eu Page 33 of 155
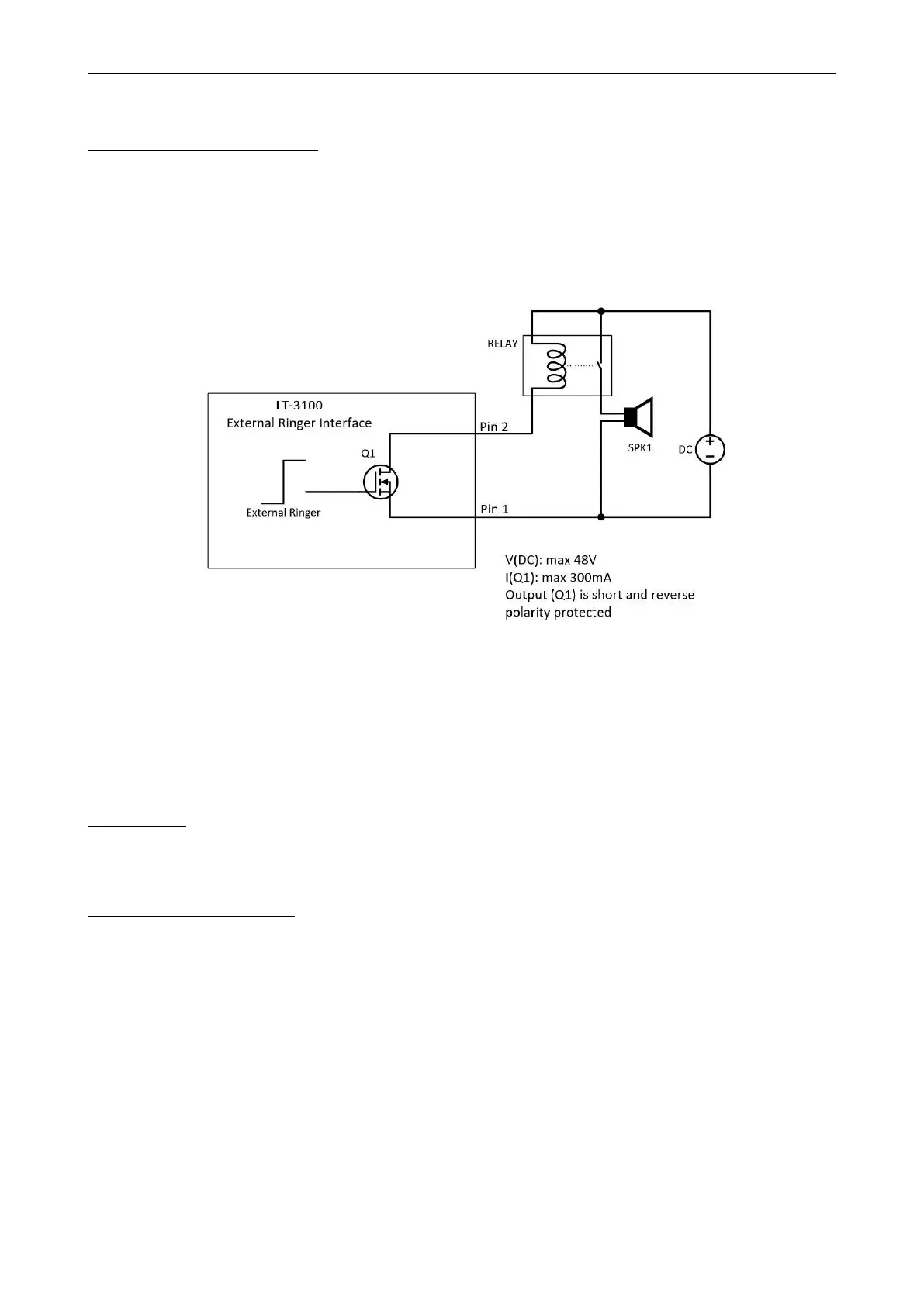
External Output (External Ringer)
The LT-3100 system support connection of an external speaker for incoming call notifications. Connection
of the external speaker must be completed as illustrated in Figure 36, incl. a relay. The maximum voltage
and current for the relay are illustrated in the figure. Aux Cable Pin 2 External Output (Pin2) and External
Output (Pin1) designation and wire colors are listed in Table 3 on page 31.
NOTE: The External Ringer functionality must be configured in the web server, Configuration
External I/O, described in External I/O on page 123.
External Input
The LT-3100 system is not supporting any functionality for the External I/O Input.
RS-422 (GNSS, BAM, and MSI)
The LT-3100 system Auxiliary RS-422 (bi-directional) interface can be configured to support different
functions. The following functions are supported:
GNSS (see GNSS sentences on page 97)
BAM (see BAM sentences page 98)
The RS-422 interface can be configured using the web server, see GNSS and BAM on page 124.
Figure 36: External Ringer diagram

Table of Contents

Related product manuals