EasyManua.ls Logo

Lenze LDEC Series - Page 30

Lenze LDEC Series
110 pages
Print Icon
To Next Page IconTo Next Page
To Next Page IconTo Next Page
To Previous Page IconTo Previous Page
To Previous Page IconTo Previous Page
Loading...
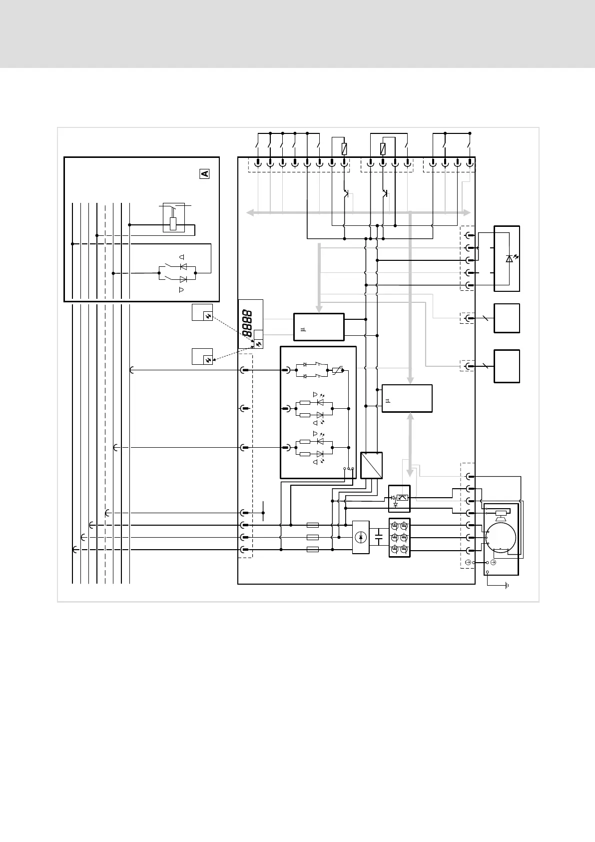
Electrical installation
Basic circuit diagram
6
l
30
LDEDS−CCU210B EN 4.0
Power 1.5 kW and 2.2 kW
X1
PE
L1/AC 400 V
PE
SS1/AC 400 V
L2/AC 400 V
L3/AC 400 V
SS2/AC 400 V
MS1/AC 230 V
LDECBBF1xxxxxxH W
J1
1
2
3
1234 7 10
N
REL-1 REL-2
X2
1234
C
(FU )
M
3~
+ -
U1
V1
W1
PE
5 9 10
+
-
Th
~
24 VDC
+
GND
X40
1
2
3
4
5
6
7
8
X50 X51
12345
X41
1
2
3
4
8
SensoPart
EXM ID1
R S 485
A
R S 485
B
DIN8
DIN1
X42
1
2
3
4
DIN2
DOUT1
DIN6
DOUT2
DIN7
DIN5
DIN3
DIN4
F1 F2 F3
PDA Ir-RC
IrDA
C
(DISPLAY)
X60
8
PC
S ystem bus
adapter
X61
CCU210_105
0 Control cabinet