EasyManua.ls Logo

Lenze LDEC Series - Basic Circuit Diagram

Lenze LDEC Series
110 pages
Print Icon
To Next Page IconTo Next Page
To Next Page IconTo Next Page
To Previous Page IconTo Previous Page
To Previous Page IconTo Previous Page
Loading...
Electrical installation
Basic circuit diagram
6
l
29
LDEDS−CCU210B EN 4.0
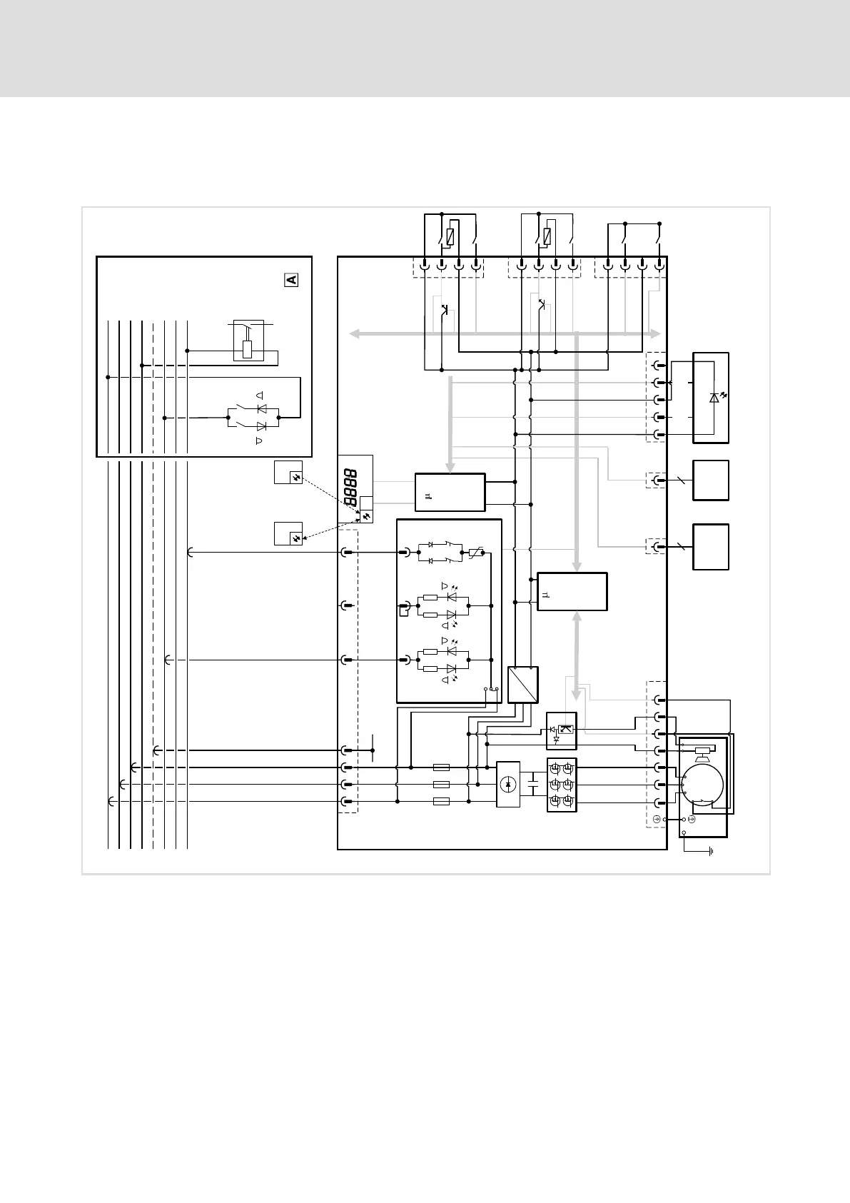
6.2 Basic circuit diagram
Power 0.75 kW
X1
PE
L1/AC 400 V
PE
SS1/AC 400 V
L2/AC 400 V
L3/AC 400 V
SS2/AC 400 V
MS1/AC 230 V
LDECBBF1xxxxxxH W
J1
1
2
3
1234 7 10
N
REL-1 REL-2
X2
1234
C
(FU )
M
3~
+
-
U1
V1
W1
PE
5 9 10
+
-
Th
~
24 V DC
+
GND
X45
1
2
3
4
X50 X51
12345
X44
1
2
3
4
8
SensoPart
EXM ID1
R S485
A
R S485
B
DIN1
DIN2
X43
1
2
3
4
DIN3 / DOUT1
F1 F2 F3
PDA Ir-RC
IrDA
C
(DISPLAY)
X60
8
PC
S ystem -
busadapter
X61
DIN4
DIN5 / DOUT2
DIN6
CCU210_105
0 Control cabinet