EasyManua.ls Logo

Linak LA12 - Actuator Dimensional Drawings

Linak LA12
39 pages
Print Icon
To Next Page IconTo Next Page
To Next Page IconTo Next Page
To Previous Page IconTo Previous Page
To Previous Page IconTo Previous Page
Loading...
LA12| 28
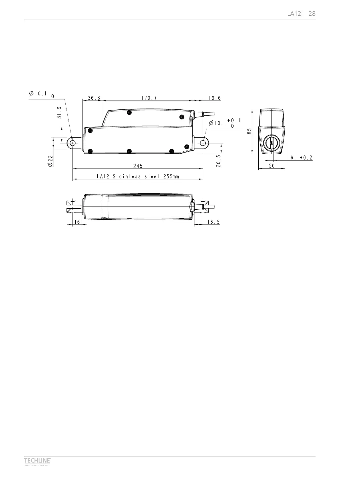
Actuator dimensions
TECHLINE
®
LA12
245
LA12 Stainless steel 255mm
22
31.9
19.6
50
85
6.1+0.2
6.1
+0.2
0
170.7
36.3
20.5
10.1
+0.1
0
10.1
+0.1
0
16
16.5
Go to table of contents

Related product manuals