EasyManua.ls Logo

LS U5020 - Air Conditioner Wiring Diagram

Default Icon
110 pages
Print Icon
To Next Page IconTo Next Page
To Next Page IconTo Next Page
To Previous Page IconTo Previous Page
To Previous Page IconTo Previous Page
Loading...
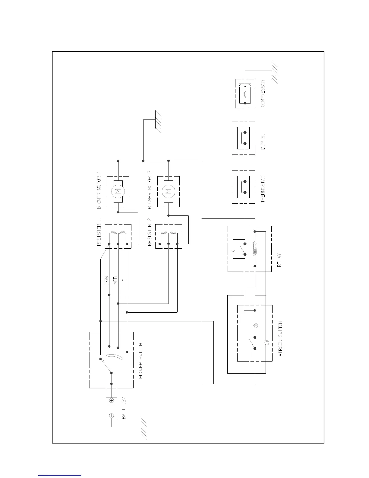
6-7. Air conditioner wiring diagram
6
6 6
6 - 8

Table of Contents

Related product manuals