EasyManua.ls Logo

LSIS XBF-AD08A - Page 330

LSIS XBF-AD08A
618 pages
Print Icon
To Next Page IconTo Next Page
To Next Page IconTo Next Page
To Previous Page IconTo Previous Page
To Previous Page IconTo Previous Page
Loading...
XGB Analog edition manual
9.7 Wiring
9.7.1 Precautions for wiring
(1) Dont let AC power line at close range to output option board to prevent a surge or inductive
noise from the A.C. side.
(2) Select the cable with consideration of an ambient temperature and a permitted current limit. It is
recommended over AWG22 (0.3).
(3) Dont let the cable at close range to hot devices or materials. And dont bring it into contact with
oil for a long time. These are the factors of a short circuit occurs unusual operation or damages
devices.
(4) Check the polarity before external power is supplied to the terminal.
(5) It may produce inductive hindrance that is a cause of unusual operations or defects if you wire
the cable with a high-voltage line or a power line.
(6) Enable the only channel you want to use
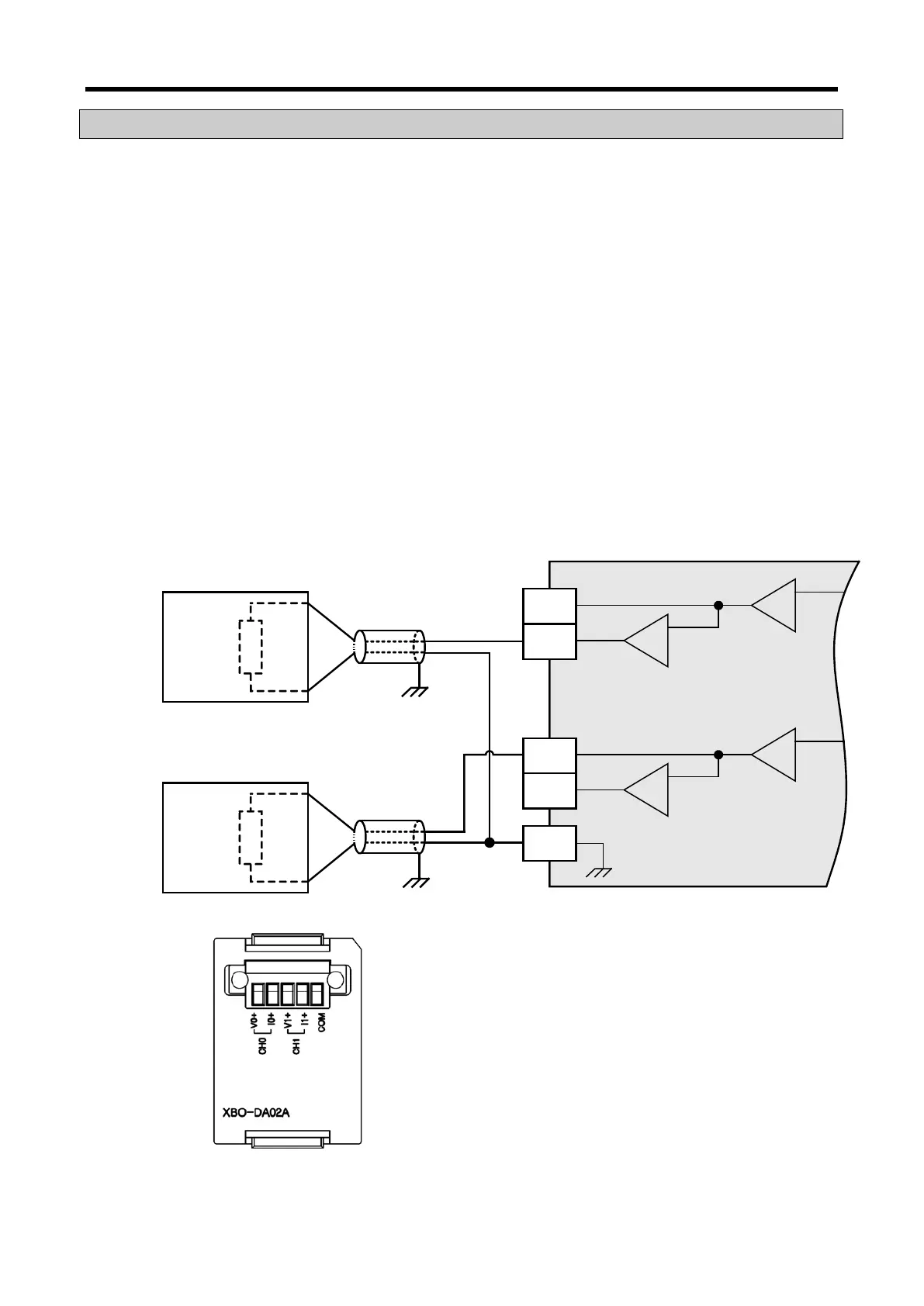
9.7.2 Wiring example
(3) Terminal block configuration
(1) Current output
(2) Voltage output
V0+
I0+
V1+
I1+
COM
XBO-DA02A
CH0
CH1
510 or
less
Motor etc.
Motor etc.
2k or
above
450



9 - 10

Table of Contents

Related product manuals