EasyManua.ls Logo

Mackie TT24 - Page 100

Mackie TT24
130 pages
Print Icon
To Next Page IconTo Next Page
To Next Page IconTo Next Page
To Previous Page IconTo Previous Page
To Previous Page IconTo Previous Page
Loading...
64
TT24 DIGITAL LIVE CONSOLE
TT24 DIGITAL LIVE CONSOLE
Phase Gate
4-Band
Para EQ
High Pass
Channel Processing Analog Channel 1
(=Analog 2-24)
Optional Stereo Link in Pairs
All processing parameters linked, and true stereo compression.
Fader
Grp 1
(= Grp 2-8)
Main Out
L RCL R
PFL Solo
AFL Solo
L R
LR Assgn
NOT
C
C Assgn
NOT LR
Pa
n
Mute
Fade
r
Aux 1 (=Odd#Aux)
Pre/Post
Sol
o
Fade
r
Pre/Post
Aux 2 (=Even#Aux
)
Pa
n
Matrix 1
(= Matrix 2-8)
Fader
Fader
4-Ban
d
Para EQ
Solo
Solo
DAC
Matrix Active
(ganged)
To internal FX
and UFX-II
Solo
AUX SEND 1
DAC
Channel 1 Level, Pan & Group Assign
(=Analog 1-24, Digital 1-24, Line Input 1-8, IFX Ret 1-8,
Slot A Ret 1-8)
Digital Channels 13-24 @96kHz
ADAT
IN (x3)
Line Input 1
(=line Input 2-8)
To Level, Pan & Group Assign
ADC
Fader
Fader
DAC
DA
C
DA
C
SPDIF IN
AES/EBU IN
Monitor Sel and any Digital Insert Return
TAPE-A IN L
ADC
Monitor Sel
ADC
TAPE-B IN L
Digital Channels 1-24 @48kHz, 1-12 @96kHz
ADAT
IN (x3)
ADAT 1 (= ADAT 2-24)
SPDIF OUT
AES/EBU OU
T
TAPE-A OUT
L
DAC
TAPE-A OUT R
DAC
TALKBACK
MI
C
ADC
DA
C
DA
C
PHONES
MONITOR
L
MONITOR
R
Digital Channels 13-24 @96kHz
Digital Channels 1-24 @48kHz, 1-12 @96kHz
ADAT
OUT (x3)
M
Digi Insert
Digi Insert
Digi Insert
Digi Insert
Digi Insert
Digi Insert
Digi InsertDigi Insert
Sol
o
Control
AFL/PF
L
Monito
r
Se
l
TX
RX
TAPE-A IN R
ADC
Monitor Sel
ADC
TAPE-B IN R
Monitor Sel
Monitor Se
l
Monitor Sel and any Digital Insert Return
Stereo
Select
Digi In
L
Tape-A In
L
Tape-B In
L
Digi In
R
Tape-A In
R
Tape-B In
R
Digi I/
O
is Insert
Digi Insert Send
Digi Insert Send
Grp 1Assgn
(=Grp 2-8)
Aux 1 Assg
n
(=Odd#Aux
)
Aux 2 Assg
n
(=Even#Aux)
Matrix 1 Assg
n
(=Mat 2-8)
Analog Ch1 Pre-Processin
g
Analog Ch1 Post-Processin
g
Digital Out Select
(ganged)
ADAT
1
Internal Effects
Processor
(IFX
)
Select Aux1-12/Matrix1-8
To Level, Pan & Group Assign
To Level, Pan & Group Assign
To Level, Pan & Group Assign
To Level, Pan & Group Assign
To Level, Pan & Group Assign
To Level, Pan & Group Assign
To Level, Pan & Group Assign
To Level, Pan & Group Assign
Note: Only one Aux channel (mono
or stereo) can be solo'd at once.
Slot A only
or
Slot B only
(with UFX-II
or I/O as Effect
s
Processors)
Select Aux1-12/Matrix1-8
To Level, Pan & Group Assign
Slot A only
or
Slot B onl
y
(with Audio
Network Card
)
24 Signals
(e.g. Replace built-in inputs
Analog 1-24 or Digital 1-24
,
replace ouptuts, send to
Digital out, digi inserts, etc.)
24 Signals - Selectable
(e.g.
Analog 1-24 pre- or
post-processing, Digial 1-
24 outputs, digi inserts etc.)
L CR
LR AND C
Assgn
Pa
n
LR Assg
n
only
C Assgn
only
LR
and C
Assgn
Fader
Sol
o
SR
C
SRC
Bypass
Reversible
Fader
Fader
Movable
Mono
Grou
p
Mute
Mute
Optional Stereo Link in Pairs
All controls directly linked, but pans linked inversely, with initial setting of full L
on odd channel, and full R on even channel (same
applies to aux send pan).
To Level, Pan & Group Assign
3-Band
Para EQ
Line Input 1 Processing
(=Line Input 2-8)
Optional Stereo Link in Pairs
All processing parameters linked.
4-Band
Para EQ
4-Ban
d
Para EQ
4-Ban
d
Para EQ
Comp
Comp
Comp
Comp
Comp Soft Clip
Soft Clip
Soft Clip
Soft Clip
Soft Clip
ADAT
OUT (x3)
Analog Ch13 Pre-Processing
Analog Ch13 Post-Processin
g
ADAT 13
CUE
+
Trim
4-Ban
d
Para EQ
Comp
+
+
Mute
Fader
4-Ban
d
Para EQ
Mute
Comp
Sol
o
LR Assg
n
Stereo
Grou
p
Fader
4-Ban
d
Para EQ
Mute
Comp
Sol
o
LR+C
Assgn
LCR
Grou
p
Grp 1 Mono
Group 1 Mono
Group/Matrix Out 1 (=Group/Matrix Out 2-8)
Aux Send 1 (=Odd#Aux Send 3,5,7,9,11)
Group 1 as LCR
(=Group 2-8 as LCR)
Grp 1 Mono
Group 1 as Stereo
(=Group 2-8 as Stereo)
Grp 1 L
Grp 1
R
Grp 1
L
Grp 1
C
Grp 1 R
Grp 1 Mono
Group 1 as Mono
(=Group 2-8 as Mono)
Grp 1 Type
(=Grp 2-8)
Note: A maximum of 8 channels of processing can be assigned at once across all
groups. Mono = 1 channel, Stereo = 2 channels, LCR = 3 channels.
Assignable Processing
Assignable Processin
g
Assignable Processin
g
Mono Aux 1 Processing (=Aux 2-8)
Stereo Aux 1/2 Processing (=other Aux pairs as stereo)
Group 1 Mono (default)
or
From a Matrix+ selection
Group 2 Mono
(default)
or
From a Matrix+ selection
Group 3 Mono
(default)
or
From a Matrix+ selection
Group 4 Mono
(default)
or
From a Matrix+ selection
Group 5 Mono
(default)
or
From a Matrix+ selection
Group 6 Mono
(default)
or
From a Matrix+ selection
Group 7 Mono
(default)
or
From a Matrix+ selection
Group 8 Mono
(default)
or
From a Matrix+ selection
Main L (default)
or
From a Matrix+ selection
Main R (default)
or
From a Matrix+ selection
Main C (default)
or
From a Matrix+ selection
To Matrix
Matrix+ Selections
:
Any Grp Mono, L, R, C;
Main Out L, R, C;
Any Analog/Digitla/Lin
e
Channel Pre/Post Fader;
Stereo L /R pre/post
fader.
Matrix Channel 1
(=Matrix 2-8)
ADAT 13 (= ADAT 14-24)
ADAT I/O Expansion Card in Slot A or B
Slot
A
and/or
Slot
B
(with UFX-II
or I/O as
Inserts)
Digi Insert Send Digi Insert Return
Digi Insert Return
Digi Insert Return
Digi Insert Return
Digi Insert Return
Digi Insert Return
Digi Insert Return
Digi Insert Return
Digi Insert Send
Digi Insert Send
Digi Insert Send
Digi Insert Send
Digi Insert Send
Digi Insert Send
Digi Insert Send
To Level, Pan & Group Assig
n
To Level, Pan & Group Assig
n
To Level, Pan & Group Assig
n
To Level, Pan & Group Assig
n
To Level, Pan & Group Assig
n
To Level, Pan & Group Assig
n
To Level, Pan & Group Assig
n
Note: There are only 2 expansion Slots: Slot A and Slot B. UP to 2 network cards installed
(
max 1 as network, max 1 as console linker
)
, maximum of 1 UFX-II card or I/O car
d
confi
g
ured for effects returns, maximum of 1 ADAT card installed as 96kHz di
g
ital
c
h
a
nn
e
l
s
1
3
-24
.
Up to 2 UFX-II or I/O cards confi
g
ured for inserts
.
ADAT I/O Expansion Card in Slot A or B
From Talkback
Trim
L R
Meter
Mete
r
Mete
r
C
L
R
Delay
Note: Matrix only available when activate.
Meter
Pa
n
RL21
Linked if
Aux 1/
2
is stereo
To internal FX
and UFX-II
AUX SEND 2
DAC
Soft Clip
Aux Send 2 (=Even#Aux Send 4,6,8,10,12)
Meter
Aux 1 Mono
Aux 1/2 Stereo
L
Aux 1/2 Stereo
R
Mono/Stere
o
Link
Aux 1 Mono
Aux 2 Mono
Meter
Mete
r
Meter
Meter
Meter
Aux 1/2
(= Aux 3-12 in
pairs
)
Linked if
Aux 1/
2
is stereo
Linked if Aux
1/2 is stereo
Delay only availble if
matrix active
.
Mete
r
Mete
r
Sol
o
Level
Sig/Cli
p
LEDs
+Dual
Kill Filter
+Dual
Kill Filter
+Dua
l
Kill Filter
+Dua
l
Kill Filter
Digi Insert
To Level, Pan & Group Assign
Digi Insert
Digi Insert
Digi Insert
To internal FX
and UFX-II
(only
availble if
matrix active
)
Select Aux1-12/Matrix1-8
Select Aux1-12/Matrix1-8
Select Aux1-12/Matrix1-8
Select Aux1-12/Matrix1-
8
Select Aux1-12/Matrix1-
8
Select Aux1-12/Matrix1-
8
Select Aux1-12/Matrix1-
8
Select Aux1-12/Matrix1-
8
Select Aux1-12/Matrix1-
8
Select Aux1-12/Matrix1-
8
LR Assgn
Stereo Level
Sol
o
+
Mute
Mono
to Main
s
Reversible
Reversible
Reversible
Reversible
Reversible
Matrix
1
Talk
ADC
48V
Analog Channels 1-24
MIC
LINE
GAIN
+
-
Mic: 0 to +60 dB
Line: Ð20 to +40 dB
2
3
1
INSERT
Clip
Sig
LINE
+
-
+
-
2
3
1
+
-
MA
C
KI
E
TT24: L
C
R M
O
D
E
B
L
OC
K DIA
G
RA
M
(
#070604_GJ/DF
)
LEFT OUT
RIGHT OU
T
CTR/MONO
OU
T
1
2
3
1
2
3
+
+
1
2
3
+
2
3
1
GROUP/MATRIX
OUT
1
(=Group/Matrix 2-8)
1
2
3
+
2
3
1
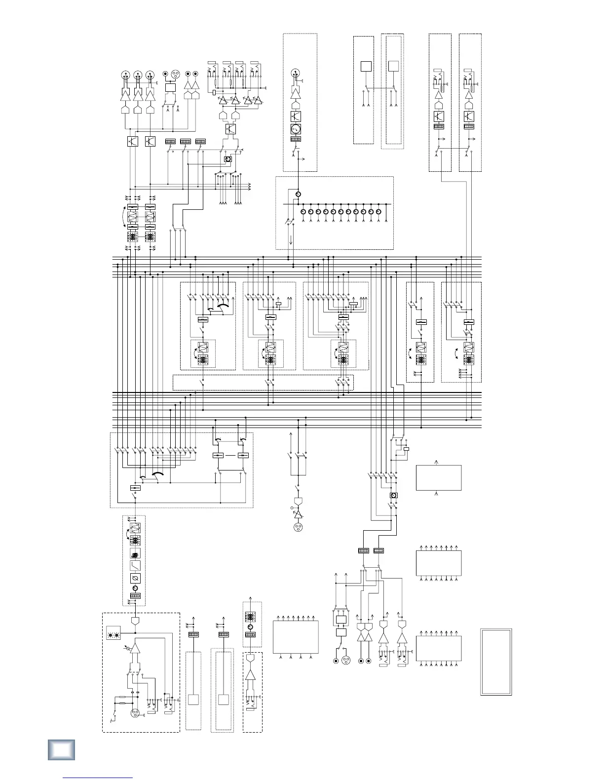
Figure B-6 TT24 in LCR mode

Table of Contents

Other manuals for Mackie TT24

Related product manuals