EasyManua.ls Logo

Mackie TT24 - Page 99

Mackie TT24
130 pages
Print Icon
To Next Page IconTo Next Page
To Next Page IconTo Next Page
To Previous Page IconTo Previous Page
To Previous Page IconTo Previous Page
Loading...
63
Owner’s Manual
Owner’s Manual
ADC
48V
Analog Channels 1-24
MIC
LINE
Gain
+
-
Mic: 0 to +60 dB
Line: Ð20 to +40 dB
2
3
1
INSERT
Clip
Si
g
Line Input 1
(=Line Input 2-8)
LINE
ADC
+
-
2
3
1
LEFT OUT
RIGHT OU
T
CTR/MONO
OU
T
1
2
3
1
2
3
+
+
1
2
3
+
2
3
1
PHONES
MONITOR
L
MONITOR
R
CU
E
+
AUX SEND 2
GROUP/MATRIX
OUT
1
(=Group/Matrix 2-8)
1
2
3
+
+
-
+
-
2
3
1
MA
C
KI
E
TT24:
S
TERE
O
+M
O
N
O
M
O
D
E
B
L
OC
K DIA
G
RA
M
(
#070604_GJ/DF
)
AUX SEND 1
Phase Gate
4-Band
Para EQ
High Pass
Channel Processing Analog Channel 1
(=Analog 2-24)
Optional Stereo Link in Pairs
All processing parameters linked, and true stereo compression.
Fader
Grp 1
(= Grp 2-8)
Main Out
L RCL R
PFL Solo
AFL Solo
L R
LR Assgn
C Assg
n
Pa
n
Mute
Fade
r
Aux 1 (=Odd#Aux
)
Pre/Post
Solo
Fade
r
Pre/Post
Aux 2
(=Even#Aux)
Pa
n
Matrix 1
(= Matrix 2-8)
Fader
Fade
r
4-Ban
d
Para EQ
Solo
Solo
DAC
Matrix Active
(ganged)
To internal FX
and UFX-II
Solo
DAC
Channel 1 Level, Pan & Group Assign
(=Analog 1-24, Digital 1-24, Line input 1-8, IFX Ret 1-8,
Slot A Ret 1-8)
Digital Channels 13-24 @96kHz
ADAT
IN (x3)
To Level, Pan & Group Assign
Fader
Fade
r
DAC
DA
C
DAC
SPDIF IN
AES/EBU IN
Monitor Sel and any Digital Insert Return
TAPE-A IN L
ADC
Monitor Sel
ADC
TAPE-B IN L
Digital Channels 1-24 @48kHz, 1-12 @96kHz
ADAT
IN (x3)
ADAT 1 (= ADAT 2-24)
SPDIF OUT
AES/EBU OU
T
TAPE-A OUT L
DAC
TAPE-A OUT R
DAC
TALKBACK
MI
C
ADC
DAC
DAC
Digital Channels 13-24 @96kHz
Digital Channels 1-24 @48kHz, 1-12 @96kHz
ADAT
OUT (x3)
M
Digi Insert
Digi Insert
Digi Insert
Digi Insert
Digi Insert
Digi Insert
Digi InsertDigi Insert
Solo
Contro
l
AFL/PF
L
Monitor
Se
l
TX
RX
TAPE-A IN R
ADC
Monitor Sel
ADC
TAPE-B IN R
Monitor Sel
Monitor Sel
Monitor Sel and any Digital Insert Return
Stereo
Selec
t
Digi In
L
Tape-A In
L
Tape-B In L
Digi In
R
Tape-A In
R
Tape-B In R
Digi I/O
is Insert
Digi Insert Send
Digi Insert Send
Grp 1Assgn
(=Grp 2-8)
Aux 1 Assg
n
(=Odd#Aux
)
Aux 2 Assg
n
(=Even#Aux)
Matrix 1 Assg
n
(=Mat 2-8)
Analog Ch1 Pre-Processin
g
Analog Ch1 Post-Processin
g
Digital Out Select
(ganged)
ADAT
1
Internal Effects
Processor
(IFX
)
To Level, Pan & Group Assign
To Level, Pan & Group Assign
To Level, Pan & Group Assign
To Level, Pan & Group Assign
To Level, Pan & Group Assign
To Level, Pan & Group Assign
To Level, Pan & Group Assign
To Level, Pan & Group Assign
Note: Only one Aux channel (mono
or stereo) can be solo'd at once.
Slot A only
or
Slot B only
(with UFX-II
or I/O as Effects
Processors)
To Level, Pan & Group Assign
Slot A only
or
Slot B only
(with Audio
Network Card
)
24 Signals
(e.g. Replace built-in inputs
Analog 1-24 or Digital 1-24
,
replace ouptuts, send to
Digital out, digi inserts, etc.)
24 Signals - Selectabl
e
(e.g.
Analog 1-24 pre- or
post-processing, Digital
1-
24 outputs, digi inserts etc.)
Pa
n
LR Assg
n
C Assgn
Fader
Solo
SR
C
SRC
Bypass
Reversible
Fade
r
Fade
r
Movabl
e
Mono
Grou
p
Mute
Mute
Optional Stereo Link in Pairs
All controls directly linked, but pans linked inversely, with initial setting of full L
on odd channel, and
full R on even channel (same applies to aux send pan).
LR Assg
n
Stereo Level
To Level, Pan & Group Assign
3-Band
Para EQ
Line Input 1 Processing
(=Line Input 2-8)
Optional Stereo Link in Pairs
All processing parameters linked.
4-Band
Para EQ
4-Ban
d
Para EQ
4-Band
Para EQ
Comp
Comp
Comp
Comp
Comp Soft Clip
Soft Clip
Soft Clip
Soft Clip
Soft Clip
ADAT
OUT (x3)
Analog Ch13 Pre-Processing
Analog Ch13 Post-Processin
g
ADAT 13
+
Trim
4-Ban
d
Para EQ
Comp
+
Mute
Fader
4-Ban
d
Para EQ
Mute
Comp
Solo
LR Assg
n
Stereo
Grou
p
Group 1 Mono
Group/Matrix Out 1
(=Group/Matrix Out 2-8)
Aux Send 1 (=Odd#Aux Send 3,5,7,9,11)
Grp 1 Mono
Group 1 as Stereo
(=Group 2-8 as Stereo)
Grp 1 L
Grp 1
R
Grp 1 Mono
Group 1 as Mono
(=Group 2-8 as Mono)
Grp 1 Type
(=Grp 2-8)
Note: A maximum of 8 channels of processing can be assigned at once accross all
groups. Mono = 1 channel, Stereo = 2 channels.
Assignable Processin
g
Assignable Processin
g
Mono Aux 1 Processing (=Aux 2-8)
Stereo Aux 1/2 Processing (=other Aux pairs as stereo)
Group 1 Mono (default)
or From a Matrix+ selectio
n
Group 2 Mono (default)
or From a Matrix+ selectio
n
Group 3 Mono (default)
or From a Matrix+ selectio
n
Group 4 Mono (default)
or From a Matrix+ selectio
n
Group 5 Mono (default)
or From a Matrix+ selectio
n
Group 6 Mono (default)
or From a Matrix+ selectio
n
Group 7 Mono (default)
or From a Matrix+ selectio
n
Group 8 Mono (default)
or From a Matrix+ selectio
n
Main L (default)
or From a Matrix+ selectio
n
Main R (default)
or From a Matrix+ selectio
n
Main C (default)
or From a Matrix+ selection
To Matri
x
Matrix+ Selections
:
Any Grp Mono, L, R;
Main Out L, R, C;
Analog/Digitla/Line
Channel Pre/Post Fader;
Stereo L /R pre/pos
t
fader.
Matrix Channel 1
(=Matrix 2-8)
ADAT 13 (= ADAT 14-24)
ADAT I/O Expansion Card in Slot A or B
Slot
A
and/o
r
Slot
B
(with UFX-II
or I/O as
Inserts)
Digi Insert Send Digi Insert Return
Digi Insert Return
Digi Insert Return
Digi Insert Return
Digi Insert Return
Digi Insert Return
Digi Insert Return
Digi Insert Return
Digi Insert Send
Digi Insert Send
Digi Insert Send
Digi Insert Send
Digi Insert Send
Digi Insert Send
Digi Insert Send
To Level, Pan & Group Assig
n
To Level, Pan & Group Assig
n
To Level, Pan & Group Assig
n
To Level, Pan & Group Assig
n
To Level, Pan & Group Assig
n
To Level, Pan & Group Assig
n
To Level, Pan & Group Assig
n
Note: There are only 2 expansion Slots: Slot A and Slot B. UP to 2 network cards installed
(
max 1 as network, max 1 as console linker
)
, maximum of 1 UFX-II card or I/O car
d
confi
g
ured for effects returns, maximum of 1 ADAT card installed as 96kHz di
g
ita
l
channels 1
3
-24
.
Up to 2 UFX-II or I/O cards confi
g
ured for inserts
.
ADAT I/O Expansion Card in Slot A or B
From Talkback
Trim
L R
Solo
Mete
r
Mete
r
Mete
r
C
L
R
Delay
Note: Matrix only available when activate.
Meter
Pa
n
RL21
Linked if
Aux 1/
2
is stereo
To internal FX
and UFX-II
DAC
Soft Clip
Aux Send 2 (=Even#Aux Send 4,6,8,10,12)
Meter
Aux 1 Mono
Aux 1/2 Stereo
L
Aux 1/2 Stereo
R
Mono/Stereo
Link
Aux 1 Mon
o
Aux 2 Mono
Mete
r
Meter
Meter
Meter
Meter
Aux 1/2
(= Aux 3-12 in
pairs)
Linked if
Aux 1/
2
is stereo
Linked if Au
x
1/2 is stereo
Delay only available if
matrix active
.
C Assgn
Sig/Clip
LEDs
Meter
Meter
Solo
Level
+Dua
l
Kill Filter
+Dua
l
Kill Filter
+Dual
Kill Filter
+Dual
Kill Filter
Digi Insert
To Level, Pan & Group Assign
Digi Insert
Select Aux1-12/Matrix1-8
Select Aux1-12/Matrix1-
8
Select Aux1-12/Matrix1-
8
Select Aux1-12/Matrix1-
8
Select Aux1-12/Matrix1-8
Select Aux1-12/Matrix1-8
Select Aux1-12/Matrix1-8
Select Aux1-12/Matrix1-8
Select Aux1-12/Matrix1-8
Select Aux1-12/Matrix1-8
Select Aux1-12/Matrix1-8
Select Aux1-12/Matrix1-8
Digi Insert
Digi Insert
To internal FX
and UFX-II
(only availble if
matrix active
)
Reversible
Reversible
Reversible
Reversible
+
Mute
Mon
o
to
Mains
Matrix 1
Talk
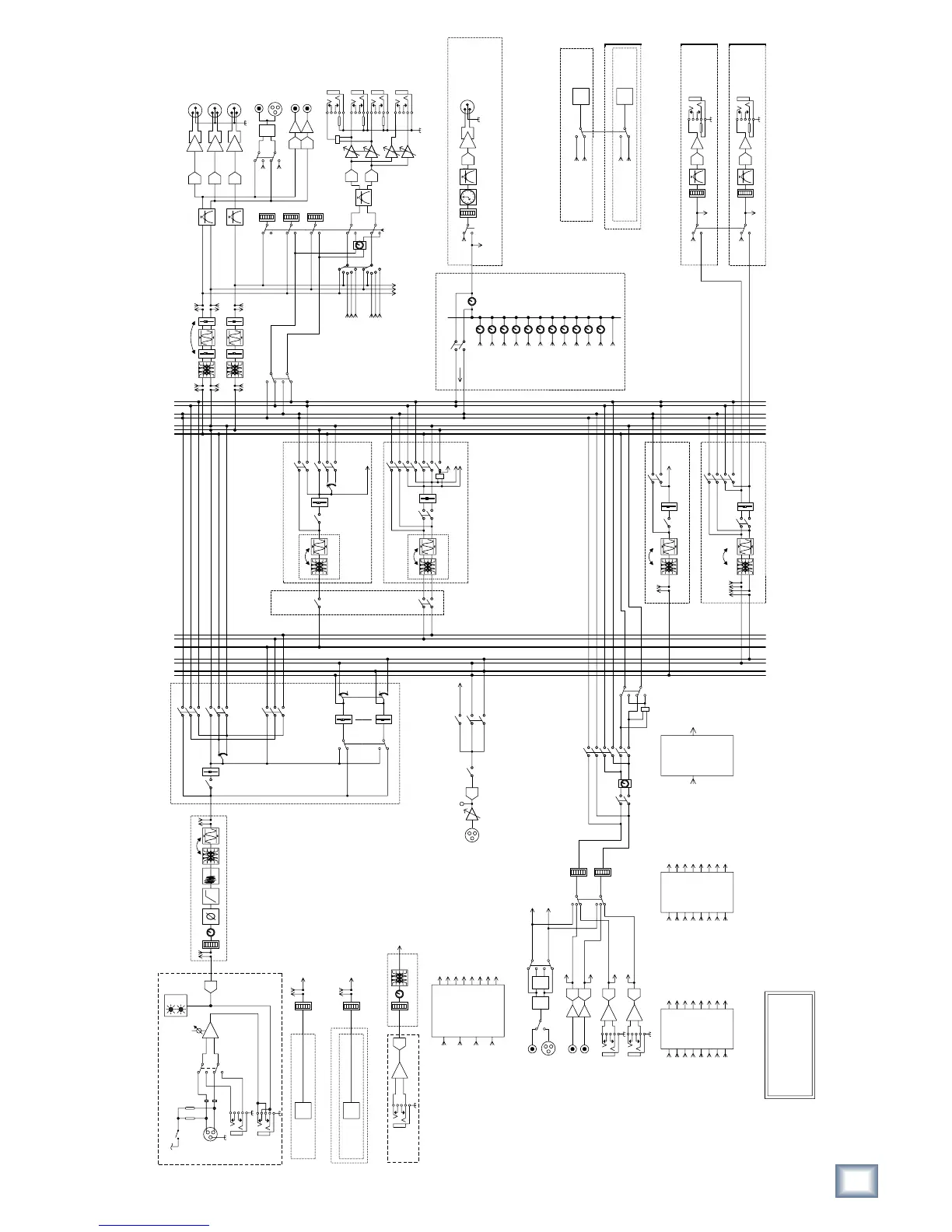
Figure B-5 TT24 in L/R + Mono mode

Table of Contents

Other manuals for Mackie TT24

Related product manuals