EasyManua.ls Logo

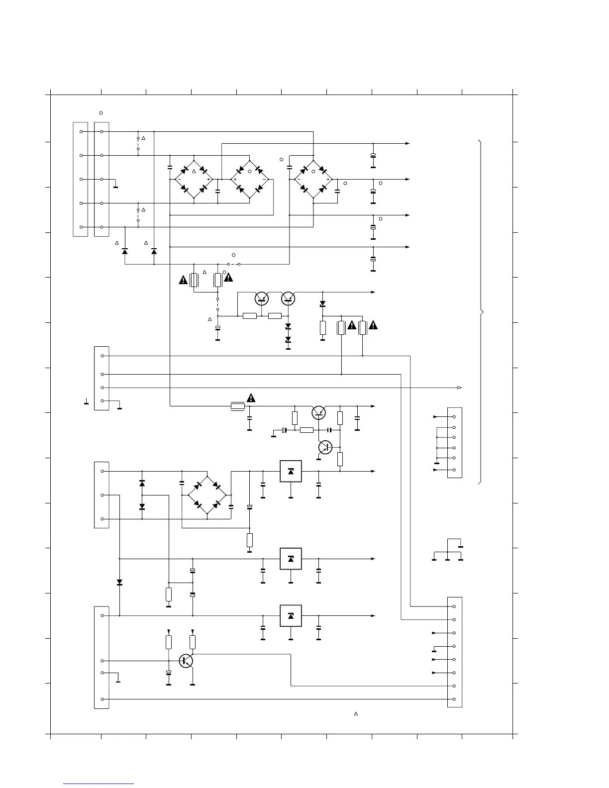
Marantz SR3000 - Monoboard Supply Sr4000

Marantz SR3000
77 pages
Print Icon
To Next Page IconTo Next Page
To Next Page IconTo Next Page
To Previous Page IconTo Previous Page
To Previous Page IconTo Previous Page
Loading...
11-10
D5SBA20
100n
100n 4700µ
µ4700
+VH
VH
LEU0157
9921
3104 217 05970 / 05990
Monoboard Supply FR960 - FR970
4
5
3
2
1
D5SBA20
47n
47n
+VL
VL
4700µ
4700µ
30
BC327-25 BC327-25
3k3
BZX79/C10
22k
BZX79/
C5V6
3
2
1
100n
1N4003GP
4x
100n1N4003GP
1N4003GP 2200µ
0E33
1
4
2
3
5
4
3
2
1
47E
47E
1
2
Front Part
To 1426
amp stdby
amp pd
1
4
3
2
BC847B
µ1
10k
180k
+5D
L7805
REF
100n
1
REF
2
3
+5D
SDIG
f1
f2
47E
3k3
+V
Relay
MFD
+24
BZX79/C22
Only FR960
D3SBA20
A
A
A
A
A
1N4003GP
220µ
S
S
S
T1A6
amp
prot
S
amp
prot
SS
+5D
S
470n
REF
S
REFREFREF
100n
3
2
1
470n
L7812GP
+12
1N4003GP
L7805
REF
100n
1
REF REF
2
3
470n
+5
µ6800
1000µ
0E33
S
15k 15k
10k
10n
100n
REF
10k
BC857B
BD242BFP
10E
12
1N4003GP
3
4
5
6
f2
7
f1
8
+5D
+5
3030
+5D
+5
DIG
Left & Right
To
A
3
6
5
2
1
+VL
VLVL
+VL
& Center
Amplifier
A
REF
470n
REF
10
REF
µ
REF
Surround
To 1902
Mains trafo
To 1073/1074
Mains trafo
To 1072
Mains trafo
To 1071
amplifier
To 0051
Mains part
4
MONOBOARD SUPPLY SR4000
30V CIRCUIT
POWER DOWN
CIRCUIT
6281
6251
2251
2254
2264
2262
12521251
6253
2256
2253
2259
2260
7257 7258
3269
6280
3266
6276
1253
2268
22666257
6258 6259
6262 6263
6261
2269
3254
1255
3270 3271
1257
1254
3256
2278
7253
3258
2276
6267
3265
3268
9260
9251
9252
6252
6275
2283
1258
2277
2270 2271
6260
6268
6265
2273 2274
2272
2275
3257
3295
32923293
2295
2281
3294
7908
7910
3291
6274
1265
4253
2282
2290
1
1
2
2
3
3
4
4
5
5
6
6
7
7
8
8
9
9
10
10
AA
BB
CC
DD
EE
FF
GG
HH
II
JJ
KK
LL
MM
NN
1251 A1
1252 A1
1253 I1
1254 L1
1255 F1
1257 L9
1258 E4
1265 G9
2251 B3
2253 B5
2254 C4
2256 C7
2259 D8
2260 B8
2262 C8
2264 C8
2266 I3
2268 J4
2269 J5
2270 I5
2271 I6
2272 K4
2273 K5
2274 K6
2275 K4
2276 L5
2277 L6
2278 M3
2281 H5
2282 H7
2283 F4
2290 H5
2295 H6
3254 J5
3256 M4
3257 L3
3258 M3
3265 E4
3266 F7
3268 E5
3269 E5
3270 F7
3271 F7
3291 G4
3292 H7
3293 H6
3294 H6
3295 I7
4253 D4
6251 B3
6252 B5
6253 B6
6257 I3
6258 I3
6259 I4
6260 H6
6261 J3
6262 J3
6263 J4
6265 J6
6267 L6
6268 K2
6274 D2
6275 D2
6276 E6
6280 F6
6281 F6
7253 M3
7257 E5
7258 E6
7908 H6
7910 G6
9251 B2
9252 C2
9260 E4

Table of Contents

Related product manuals