EasyManua.ls Logo

Marantz SR5005 - Page 136

Marantz SR5005
165 pages
Print Icon
To Next Page IconTo Next Page
To Next Page IconTo Next Page
To Previous Page IconTo Previous Page
To Previous Page IconTo Previous Page
Loading...
136
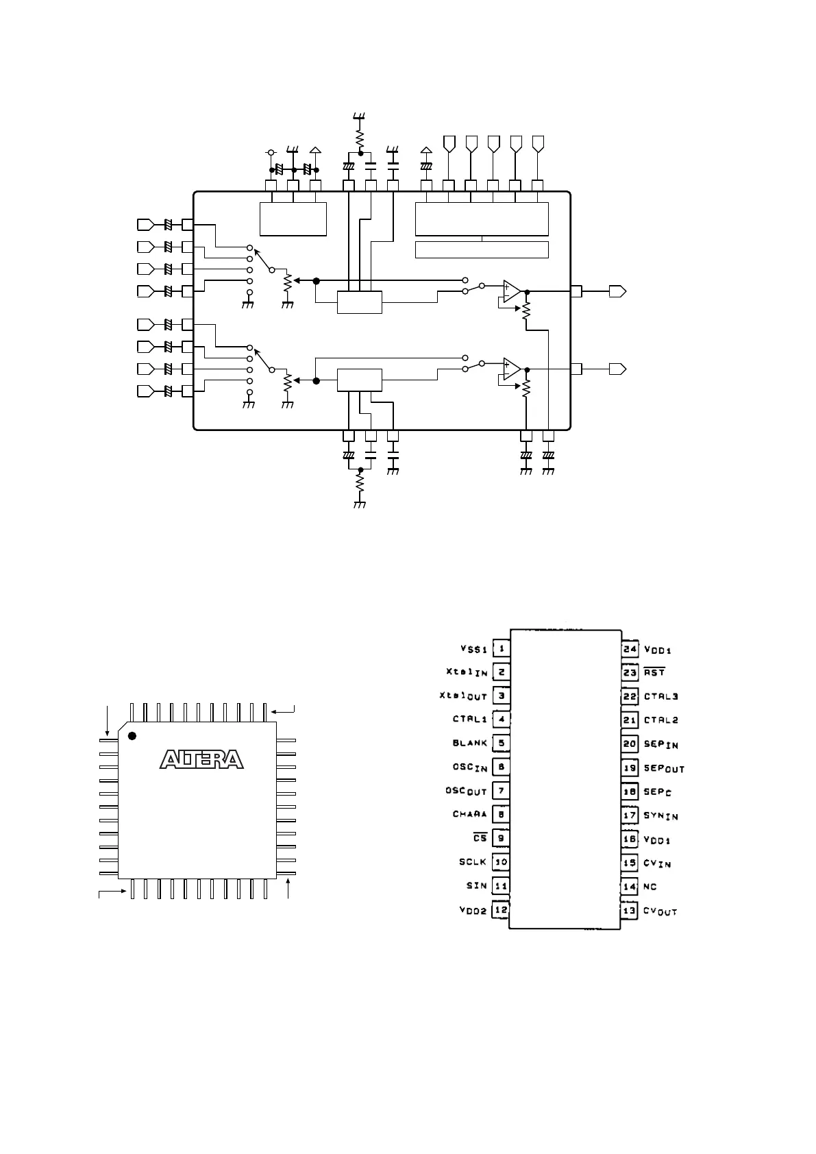
NJW1194A (AUDIO : IC3007)
EPM3032A (HDMI : U1707) LC74781 (AVIDEO : U1001)
%LDV
9 *1' 9
2XW$
2XW%
,Q$
,Q$
,Q$
,Q$
,Q%
,Q%
,Q%
,Q%
&RQWURO/RJLF
&/2&.
'$7$
/$7&+
$'5
$'5
721(
721(
$FK7RQH)LOWHU
%FK7RQH)LOWHU
=HUR&URVV'HWHFWLRQ
9
Pin 12 Pin 23
Pin 34
Pin 1
I/O
I/O
I/O
VCC
INPUT/OE2/GCLK2
INPUT/GCLRn
INPUT/OE1
INPUT/GCLK1
GND
I/O
I/O
I/O
I/O/TDO
I/O
GND
VCC
I/O
I/O
I/O/TCK
I/O
GND
I/O
I/O
I/O
I/O
I/O
GND
VCC
I/O
I/O
I/O
I/O
I/O
I/O/TDI
I/O
I/O
GND
I/O
I/O
I/O/TMS
I/O
VCC
I/O
GND
EPM3032A
EPM3064A

Table of Contents

Other manuals for Marantz SR5005

Related product manuals