EasyManua.ls Logo

Mastervolt MLI Ultra 12/2750

Mastervolt MLI Ultra 12/2750
44 pages
To Next Page IconTo Next Page
To Next Page IconTo Next Page
To Previous Page IconTo Previous Page
To Previous Page IconTo Previous Page
Loading...
34
MLI Ultra 12/2750, 12/5500, 24/5500 User and Installation Manual
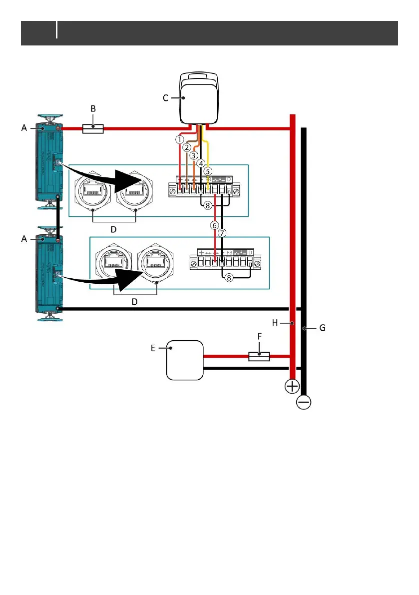
Series connection with one 48V charger for two 24V batteries
Notes:
When two batteries share one ML Switch, for the secondary battery select the option Daisy
chain from the Relay type drop down list. See section Configuration on page 18.
The ML Switch supports up to two batteries in series. It is available in a 12V and a 24V version.

Related product manuals