EasyManua.ls Logo

Microscan HAWK MV-4000 - Page 50

Microscan HAWK MV-4000
142 pages
Print Icon
To Next Page IconTo Next Page
To Next Page IconTo Next Page
To Previous Page IconTo Previous Page
To Previous Page IconTo Previous Page
Loading...
Chapter 2 System Components
2-36 HAWK MV-4000 Smart Camera Guide
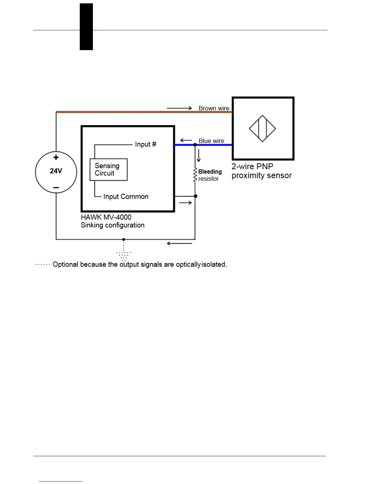
For the input signal to sink the current, connect the 2-wire device to input signal as shown
below. Install the external bleeder resistor between the blue wire of the proximity sensor
and the Input Common pin.
(Equivalent circuit only.)

Table of Contents

Related product manuals