EasyManua.ls Logo

Mid-tech ARC 6000 - Page 50

Mid-tech ARC 6000
68 pages
Print Icon
To Next Page IconTo Next Page
To Next Page IconTo Next Page
To Previous Page IconTo Previous Page
To Previous Page IconTo Previous Page
Loading...
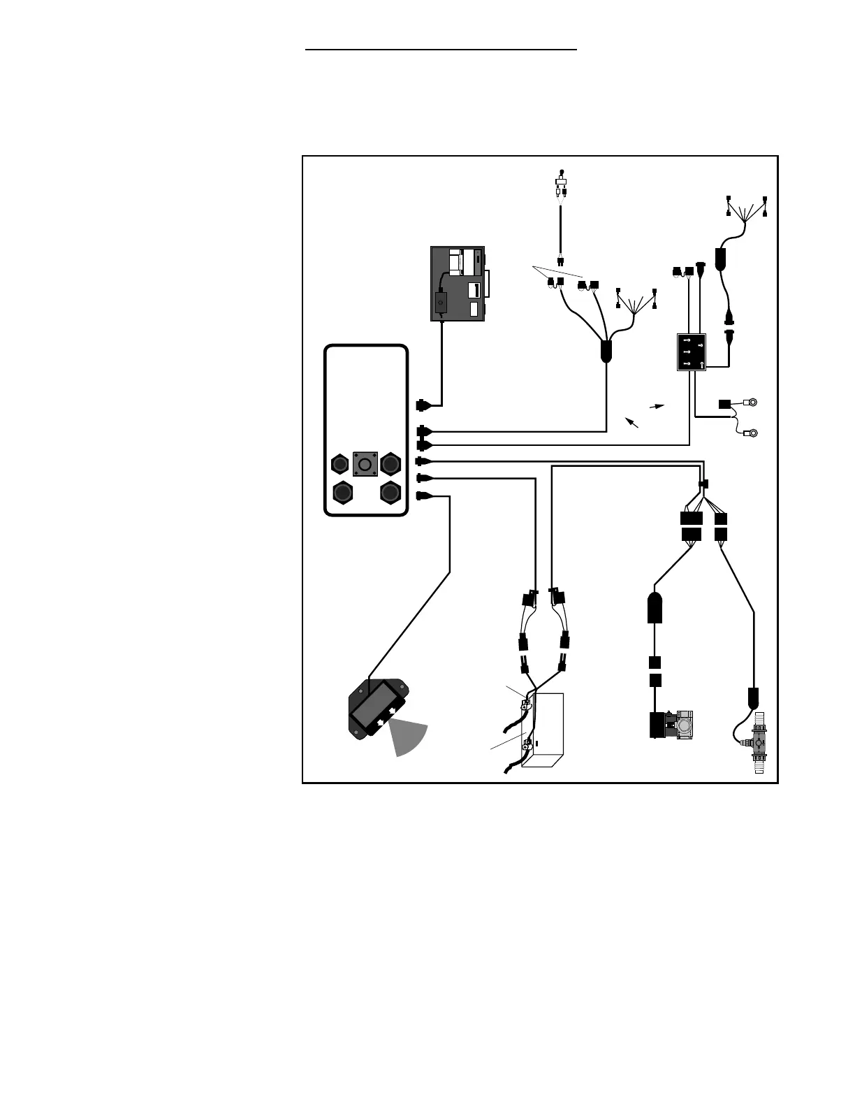
A-2
ARC-6000
98-05012
R3
Black
+
Vehicle Battery
(12 Volts)
TYPICAL ARC-6000 WIRING DIAGRAM
ARC-6000 CONSOLE
113-0001
Fuse,(10 amp)
Speed Sensor
Console Power Cable
401-0010
MIDWEST TECHNOLOGIES, INC.
M-T 94354
Flow Control Cable
404-0022
Flowmeter Interface Cable
405-0044
Flow Meter
Valve Interface Cable
405-0143
(To Boom Control Switches)
Boom Interface Cable
405-0036
To Implement Status Switch
(optional)
G.S.O. Switch
(optional)
Red
Fuse,(5 amp)
BP-6000 Printer (Optional)
117-0011
NOTE: Boom Status Lines must
be wired to go high (+12 V.dc)
when the Boom Valves are ON.
NOTE: Install Shorting Plug,
if optional switch is
not used.
1
2
3
4
5
Battery Power Cable
45-05037
To boom Interface
1
2
3
MASTER
GSO
OPTIONAL
Boom Switch Box
405-xxxx
Accessory Power
Auxilary Power
Implement
Status
Boom Solenoid Cable
405-xxxx
Ground Speed
(either/or, not both)
Flow Control Valve
Fig. A 1. ARC Flow Control - Wiring Diagram