EasyManua.ls Logo

Midmark M9 - Page 54

Default Icon
128 pages
Print Icon
To Next Page IconTo Next Page
To Next Page IconTo Next Page
To Previous Page IconTo Previous Page
To Previous Page IconTo Previous Page
Loading...
SECTION V
SCHEMATICS AND DIAGRAMS
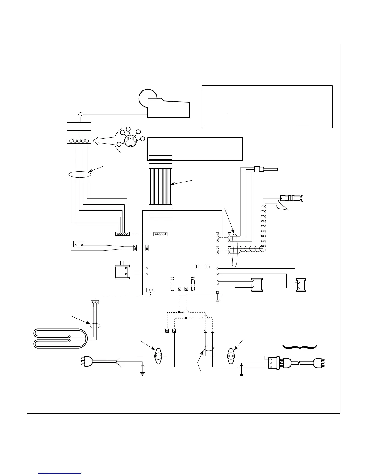
Figure 5-3. (Sheet 3 of 3) M11 Wiring Diagram
(Applies to Units With Serial Numbers ES3021, ET3318, FP1000, FR1000, and GB1000 Thru Present)
© Midmark Corporation 2002 SF-1827 Rev. 5/03 Page 5-8 Printed in U.S.A.
MA376002
Display Panel
PC Board
Ribbon Cable
Connector
Temperature
Probe Assembly
Level
Sensor Assembly
Blue
Door Switch
N.O.
Control
PC Panel
Fill Solenoid
Vent Solenoid
Black
Black
Red
Red
Black
Chamber Level
Sensor Harness
Black (+5 V.)
Red (V. Out)
White (Ground)
Flex Guard
Tubing
Hot
Neutral
Ground
Black
1
2
3
4
5
Printer
Printer
Connector
12345
Orange (Ground)
Green (Ground)
Red (Power)
Blue (Busy)
White (Data)
PCB/Printer
Harness
Red
PCB/AC/Thermostat
Harness
Black
White
Green/Yellow
Overheat
thermostat
230 V.
Cordset
A.C. Connector
Receptacle
L
G
N
Yellow
Green
PCB/Heater
Harness
Heating Element
Black
White
Green/Yellow
Overheat
thermostat
015-1138-00
Cont. Europe 015-0688-07
Italian 015-0688-08
Swiss 015-0688-09
United Kingdom 015-0688-10
Australian 015-0688-11
Israeli 015-0688-12
Japanese 015-0363-06
120 V. CORDSET
(U.S.A.)
015-1139-00
120V Unit 10.00 to 11.05 ohms
230V Unit 38.04 to 42.05 ohms
120V Unit 140 ohms
230V Unit 818 ohms
120V Unit 400 ohms
230V Unit 1960 ohms
Black
Black
Door Pulse
Solenoid
120V Unit 11.2 (+/- 1) ohms
240V Unit 45.0 (+/- 4) ohms
(*) NOTE:
Some Solenoid Coils may be marked
FWR (Full Wave Rectified).
Use the
Mohms
scale to measure these coils.
If reading is 0.2 Mohms or above, coil is
GOOD
. If OL is displayed, coil is
BAD
(*)

Table of Contents

Other manuals for Midmark M9

Related product manuals