EasyManua.ls Logo

Mindray WATO EX-55 - Tool Screen and the Components

Mindray WATO EX-55
322 pages
To Next Page IconTo Next Page
To Next Page IconTo Next Page
To Previous Page IconTo Previous Page
To Previous Page IconTo Previous Page
Loading...
5-60
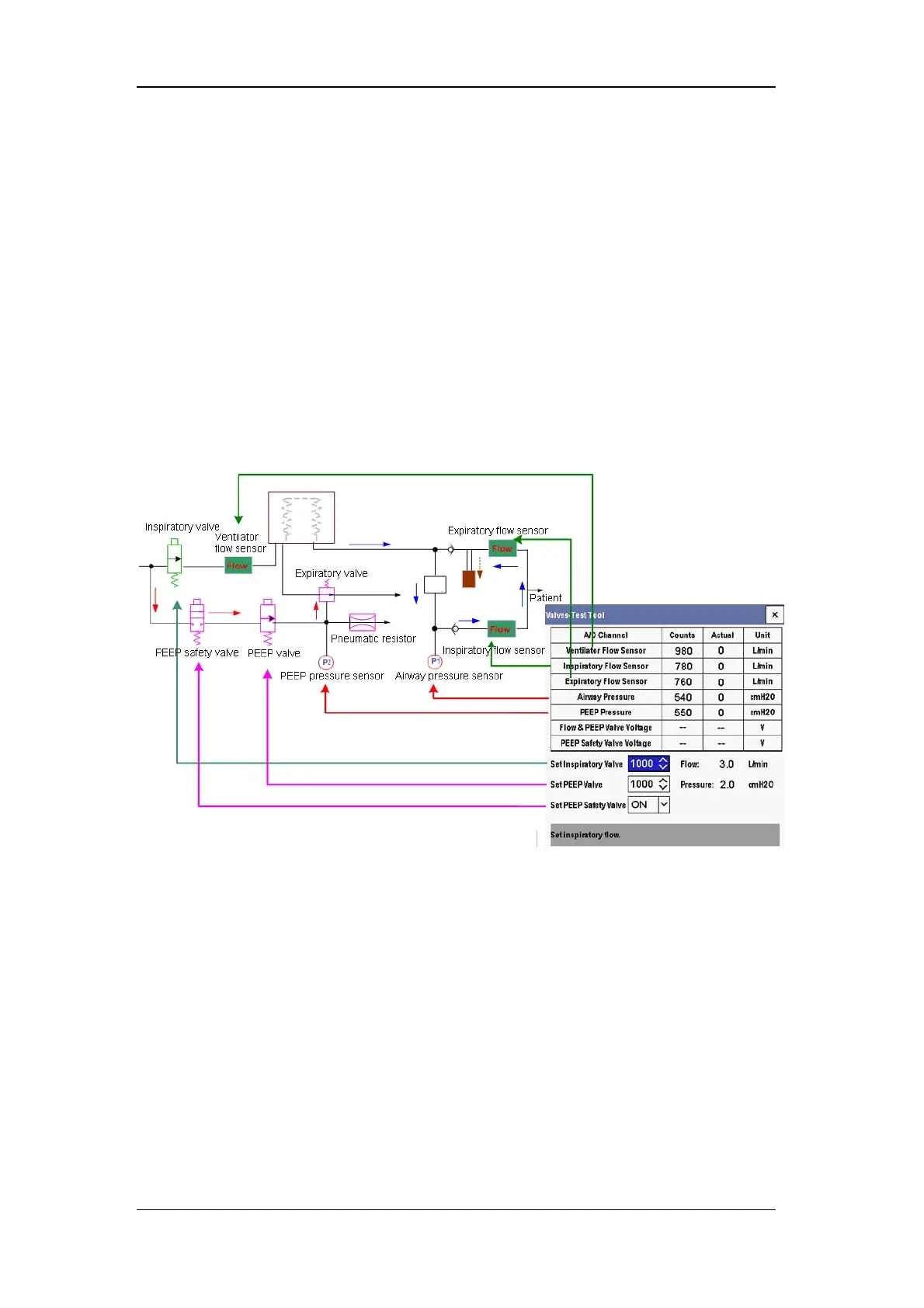
5.4.2 One-to-one Correspondence between the Sensors &
Valves on the Valves-test Tool Screen and the Components
To use the valves-test tool to troubleshoot the sensors or valves related failures, you must be
familiar with the one-to-one correspondence between the menu options on the valves-test
tool screen and the actual pneumatic circuit and hardware components.
5.4.2.1 Correspondence with Pneumatic Circuit Components
The following figure shows the one-to-one correspondence between the sensors & valves
on the valves-test tool screen and the actual components in the pneumatic circuit diagram.

Table of Contents

Related product manuals