EasyManua.ls Logo

Mini Crosser 125 - Wiring Diagram

Default Icon
108 pages
Print Icon
To Next Page IconTo Next Page
To Next Page IconTo Next Page
To Previous Page IconTo Previous Page
To Previous Page IconTo Previous Page
Loading...
58
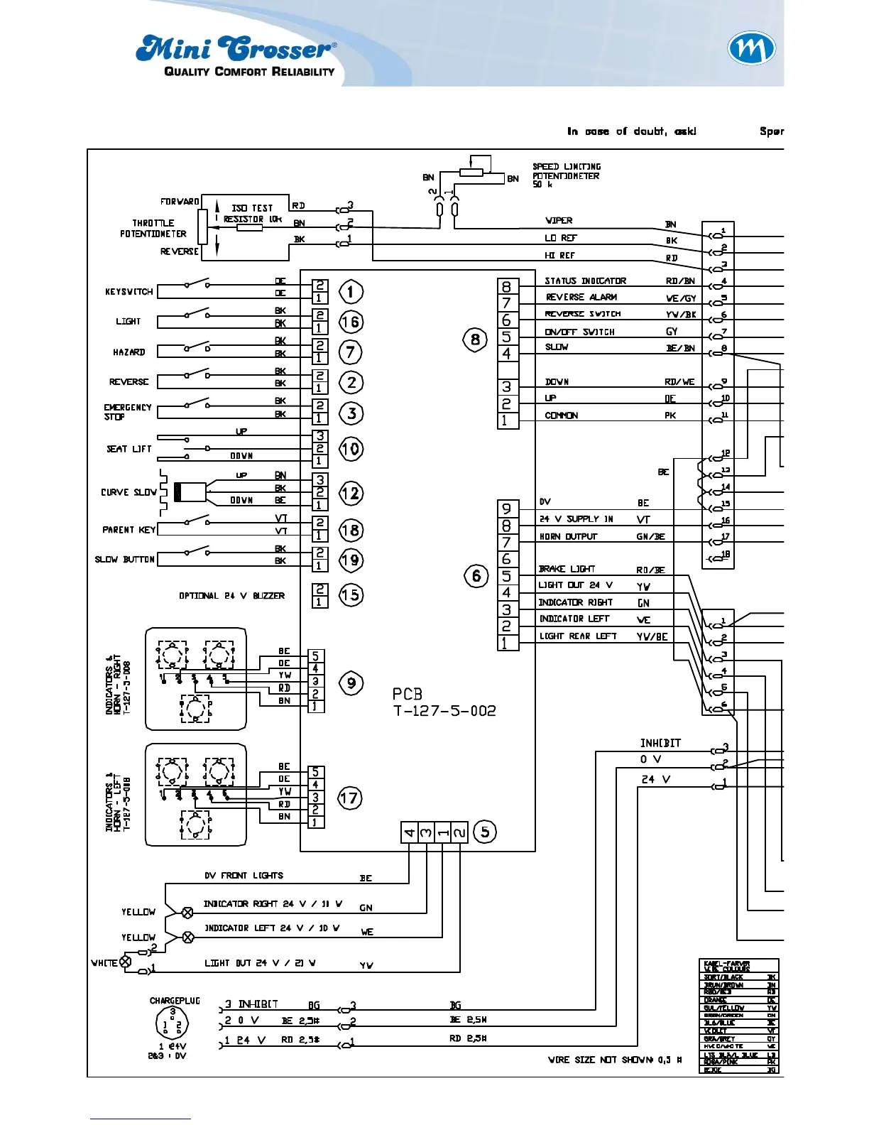
20 Wiring diagram

Table of Contents

Related product manuals