EasyManua.ls Logo

Mitsubishi 6A1 series - Oil Pump Case and Oil Pan Service; Oil Pump Case;Oil Pan R&I Procedures

Mitsubishi 6A1 series
83 pages
Print Icon
To Next Page IconTo Next Page
To Next Page IconTo Next Page
To Previous Page IconTo Previous Page
To Previous Page IconTo Previous Page
Loading...
6A1 ENGINE (E-W) -
Oil Pump Case and Oil Pan
11A-13-1
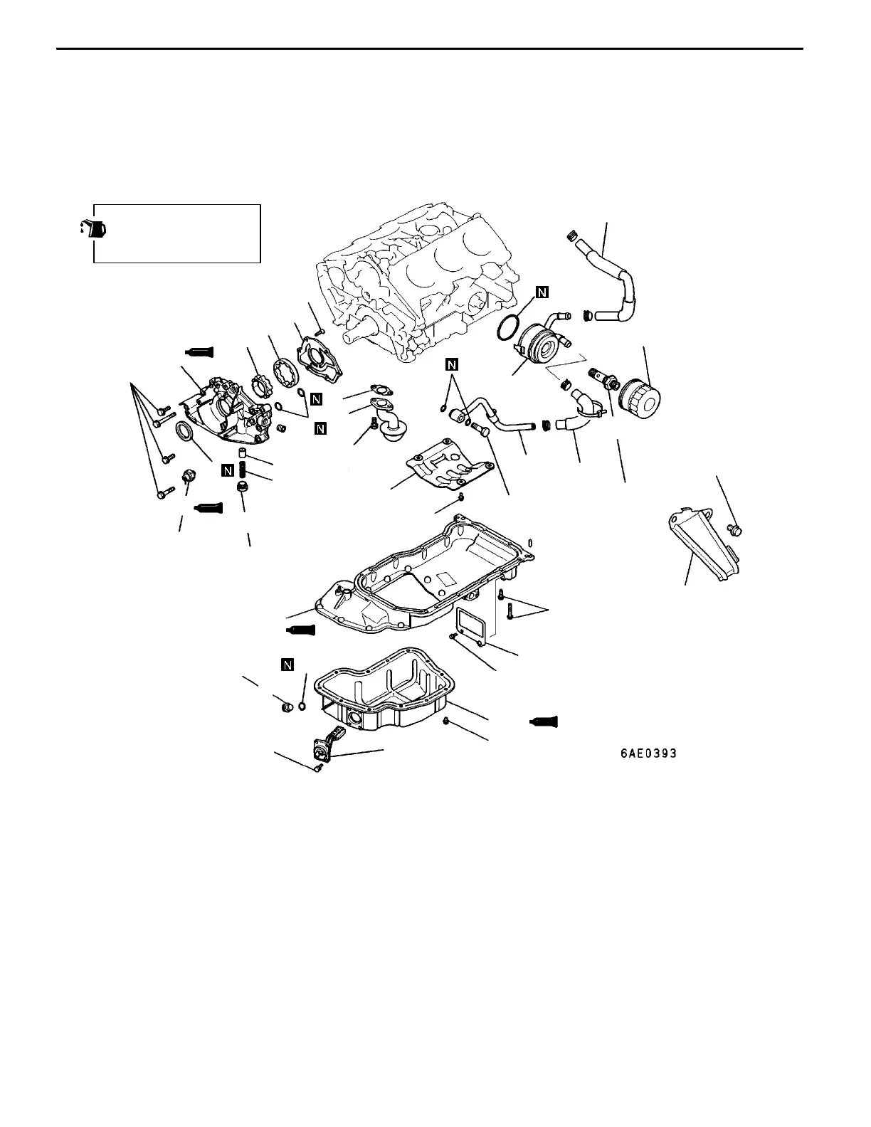
13. OIL PUMP CASE AND OIL PAN
REMOVAL AND INSTALLATION <SOHC>
Apply engine oil to all
moving parts before
installation.
1
2
4
5
6
7
8
9
10
11
12
13
14
15
16
17
19 Nm
44 Nm
10 Nm
18
19
20
23
9Nm
7Nm
7Nm
7Nm
3
9Nm
39 Nm
21 Nm
68 Nm
21
24
25
26
22
14 Nm
12 Nm
30 Nm
Removal steps
"
I
A 1. Oil pressure switch
"
H
A 2. Oil filter
3. Oil filter cover
4. Water hose (for Europe and GCC)
5. Water pipe (for Europe and GCC)
6. Water pipe (for Europe and GCC)
7. Bolt (for Europe and GCC)
"
G
A 8. Oil cooler (for Europe and GCC)
9. Drain plug
"
F
A 10. Gasket
11. Oil level sensor (For Europe)
12. Cover
"
D
A 13. Oil pan lower
"
D
A 14. Oil pan upper
15. Buffle plate
16. Oil screen
17. Gasket
18. Relief plug
19. Relief spring
20. Relief plunger
"
C
A 21. Oil seal
"
B
A 22. Oil pump case
23. O-ring
24. Oil pump case cover
"
A
A 25. Outer rotor
"
A
A 26. Inner rotor
PWEE9622
E
Feb. 1997Mitsubishi Motors Corporation

Table of Contents

Related product manuals