EasyManua.ls Logo

Mitsubishi LE-40MTB-E - Powder Winding, Two-Reel Switching

Mitsubishi LE-40MTB-E
80 pages
Print Icon
To Next Page IconTo Next Page
To Next Page IconTo Next Page
To Previous Page IconTo Previous Page
To Previous Page IconTo Previous Page
Loading...
24
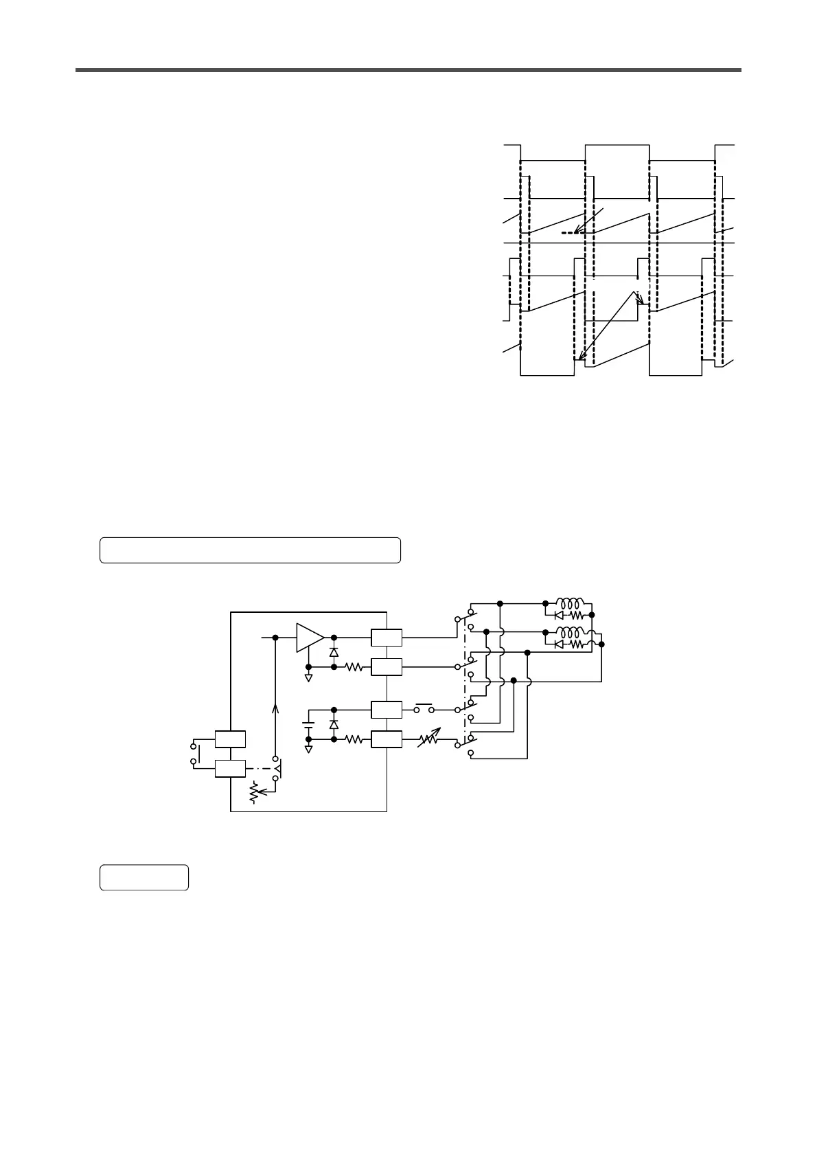
6.8 Powder winding, two-reel switching
In the two-reel operation, the contacts inter-
locking with reel change are connected to
MC2. When this contact input changes from
ON to OFF or OFF to ON, the control output
is preset to the new reel preset value. When
the preset timer times up, the automatic con-
trol starts here. Interlock this signal with the
cutter operation. Switch SW1 at the same
time as SW2 and SW3.
For the preparatory drive of the new reel, turn
on the auxiliary power supply in a few sec-
onds but not later than 10 seconds immedi-
ately before switching the reels.
In the two-reel winding operation, the me-
chanical loss cancel torque MLA and MLB
are changed over. When it is OFF, the me-
chanical loss cancel value set to the reel A
becomes valid. When it is ON, the mechani-
cal loss cancel value set to the reel B is valid.
This is effective when the mechanical loss of
the reel A differs greatly from that of reel B.
See page 35.
For setting the new reel preset value and preset time, refer to Section 6.7 "Powder unwinding, two-reels
switching" on the previous page.
A reel A reel
B reel
New reel preset
MC2 input
Reel exchange
P-N
control output
Auxiliary
power output
PA (control output +
auxiliary power output )
PB (control output +
auxiliary power output )
PA and PB is control output for powder to A/B shaft.
Preset timer
Old reel stop
1. Connection of switch-over 2-reel powder
0.1
MCC
MC2
S1
P
N
0.1
Reel exchange
SW1
New reel
preset
Reel exchange
SW2
SW3
SW4
SW5
Predrive
torque
adjustment
PA
DA, RA
PA , PB : Powder clutch/brake
(hysteresis clutch/brake)
DA , DB : Commutation diode
200V,5A
RA , RB : Protection resistance
10W,47
PB
DB, RB
S2
12V
2. Setting

Table of Contents

Related product manuals