EasyManua.ls Logo

Mitsubishi LE-40MTB-E - External Connection Diagram

Mitsubishi LE-40MTB-E
80 pages
Print Icon
To Next Page IconTo Next Page
To Next Page IconTo Next Page
To Previous Page IconTo Previous Page
To Previous Page IconTo Previous Page
Loading...
70
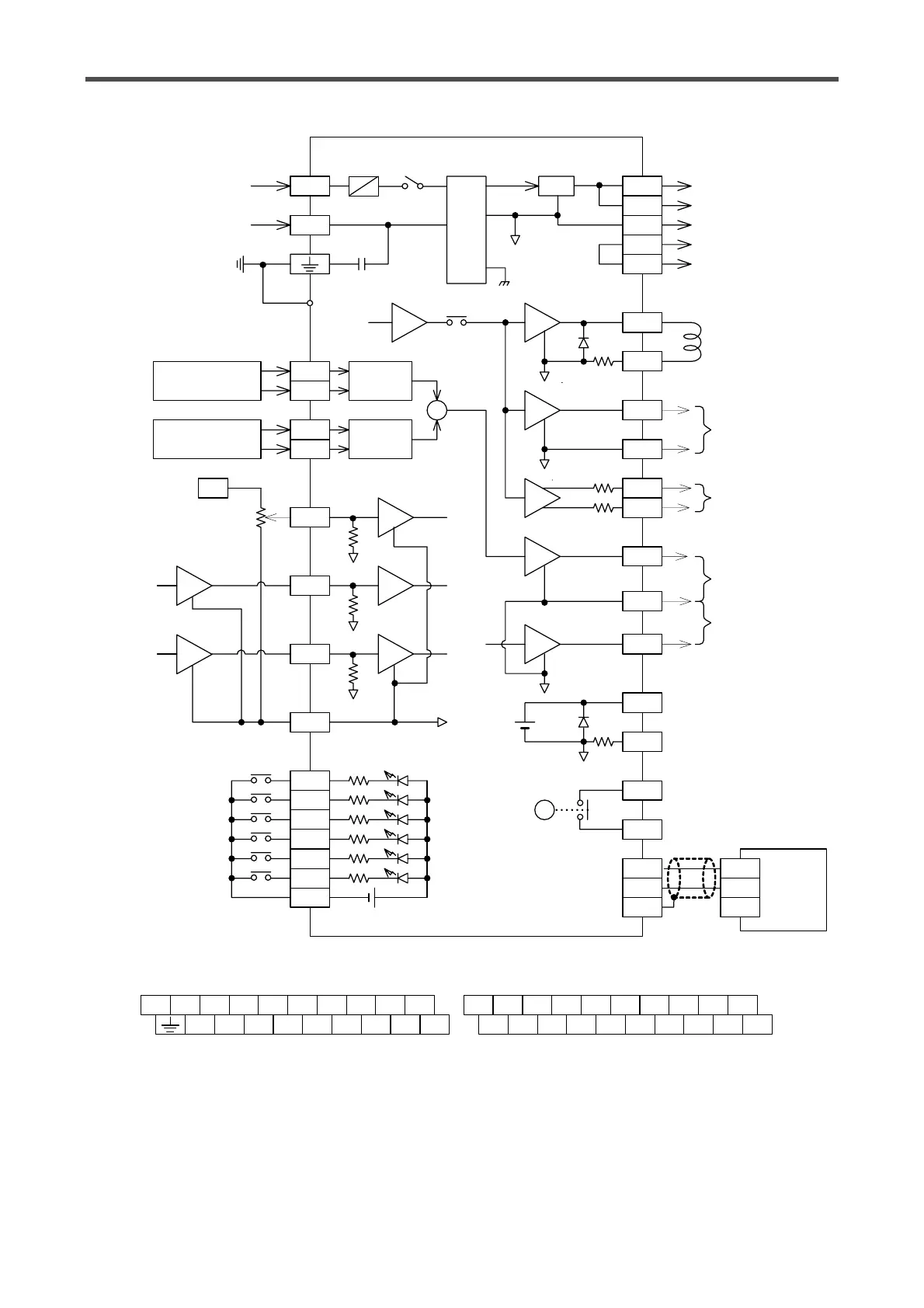
11.2 I / O interface
PSL
PSN
+5V
RED
BLK
S G
S G
5V
250V 8A
P
N
S A
S N
EAP
EAN
TMO
AOC
NRO
S 1
S 2
Z T
Z T
LSA
LSB
LFG
GRL
WHL
GRR
WHR
AI1
AI2
AI3
AIC
MCC
MC1
MC2
MC3
MC4
MC5
MC6
Zero/span
adjustment
+
RY
Power supply for
tension detector
Power supply for
trimmers
Shielded cable
DC24V 4A
Powder clutch/brake
Hysteresis
clutch/brake
Power amplifier
0~5V
Servo amplifire
0~±5V
E/P regulator
4~20mA
Tension
monitor output
0~5V
New rell
preset output
0~5V
DC12V 2A,Rating:10s
Auxiliary powe output
Zero tension
detection output
50/60 Hz
Power supply
FG on metal plate
The function to be assigned *1,*2
is specified by the parameter.
8V
Tensino detector
Left
Tension detector
Right
+5V
100K
100K
100 K
5V
10K
External
tension setting
*1
*1
*2
Stall memory reset
*2
Gain 1 input
Reel exchange
Operation/stop
1.6K Photo coupler
AC100~240V
+10%
-15%
0.1
0.1
12V
Zero/span
adjustment
Zero/span
adjustment
PSL PSN ZT P SI MCC MC2 MC4 MC6 +5V
ZT N S2 MC1 MC3 MC5 AIC AI1
AI2 GRL RED BLK GRR SA EAP AOC NRO LSA
AI3 WHL SG SG WHR SN EAN TMO LSB LFG
LSA
LSB
LFG
FX2N
-485BW
Class D grounding
( 100
or less )

Table of Contents

Related product manuals