EasyManua.ls Logo

Mitsubishi MELDAS MDS-C1

Mitsubishi MELDAS MDS-C1
330 pages
To Next Page IconTo Next Page
To Next Page IconTo Next Page
To Previous Page IconTo Previous Page
To Previous Page IconTo Previous Page
Loading...
2. Wiring and Connection
2 - 11
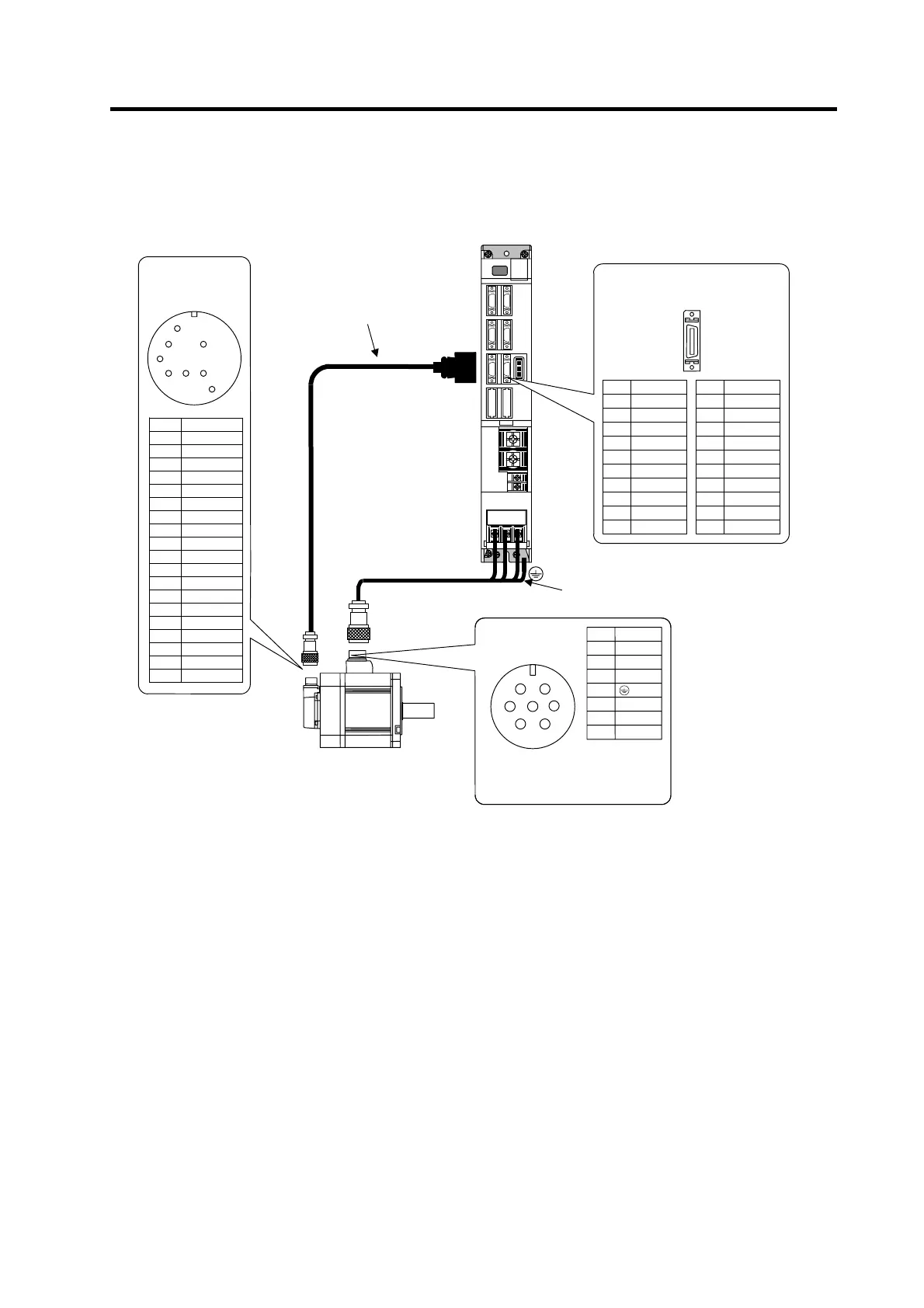
(3) Connecting the HC353R(B)/HC503R(B)
Pin Name
A
B
C
D
E BAT
F
G
H SD
J SD*
K RQ
L RQ*
M
N FG
P
R LG(GND)
S P5(+5V)
T
U
V
MS3102A22-14P
E
J
K
H
N
L
R
S
MDS-C1-V1
Name
LG
SD*
RQ*
P5(+5V)
P5
(
+5V
)
Pin
11
12
13
14
15
16
17
18
19
20
Name
LG
SD
RQ
BAT
P5
(
+5V
)
Pin
1
2
3
4
5
6
7
8
9
10
B1 and B2 are brake terminals.
(Only for motor with brakes)
These are 24VDC, and have no polarity.
CE05-2A24-10P
Name
U
V
W
Grounding
B1
B2
Pin
A
B
C
D
E
F
G
A
B
C
F
E
D
G
U V W
Detector connector
Pin No.
Detector connector : CN2
No.1
No.10
No.11
No.20
Power connecto
r
Option cable : CNV12
(Refer to Appendix 1 for details
on the cable treatment.)
Max. 30m
Power wire and grounding wire
(Refer to Specification manual for details
on selecting the wire.)
CN2

Table of Contents

Related product manuals