EasyManua.ls Logo

MOOV MC50JUST - System Features and Menu Navigation

Default Icon
Print Icon
To Next Page IconTo Next Page
To Next Page IconTo Next Page
To Previous Page IconTo Previous Page
To Previous Page IconTo Previous Page
Loading...
7
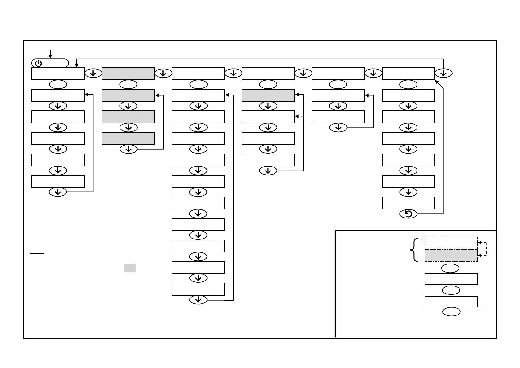
3.5. Features
Menu
Electrolysis
Menu
pH Regulation
Menu
Parameters
Menu
History
Menu
Communication
Menu
Informations
Electrolysis
Boost
pH Regulation
Mode ON/OFF
Parameters
Date XX/XX/XX
History
Last pH Calib.
Communication
Bluetooth
Soft Version
MASTER: XX.XX.XX
Electrolysis
Mode XXX
pH Regulation
Adjust
Parameters
Time XX:XX
History
Filtration
Communication
Modbus RS485
Soft Version
SLAVE: XX.XX.XX
Electrolysis
Inversion XX h
pH Regulation
Calibration
Parameters
Languages XX
History
Electrolysis
ID Code:
XXXXXXXX
Electrolysis
Salinity XX
Parameters
Sensors
History
Temperature
Serial Number
XXXX-XXXXXX-XXX
Electrolysis
Electrolyse Test
Parameters
Alarms
MAC address:
XXXXXXXXXXXX
Parameters
Temp. Adjust
MCU Temperature:
XX°F
Parameters
Salt Adjust
Default display in line
PROD. XXX %
PROD. XXX %
pH X.X
Salt Rate
XX.X ppm
Temperature
XX.X °F
Parameters
Display
Parameters
Restore Param.
Parameters
Code
OK
OK
OK
OK
OK
OK
MENU
KEY :
Model without a pH probe: white.
Model with a pH probe: white + grey.
OK
OK
OK

Table of Contents

Related product manuals