EasyManua.ls Logo

MOOV MC50JUST - Navegación por Los Menús

Default Icon
Print Icon
To Next Page IconTo Next Page
To Next Page IconTo Next Page
To Previous Page IconTo Previous Page
To Previous Page IconTo Previous Page
Loading...
7
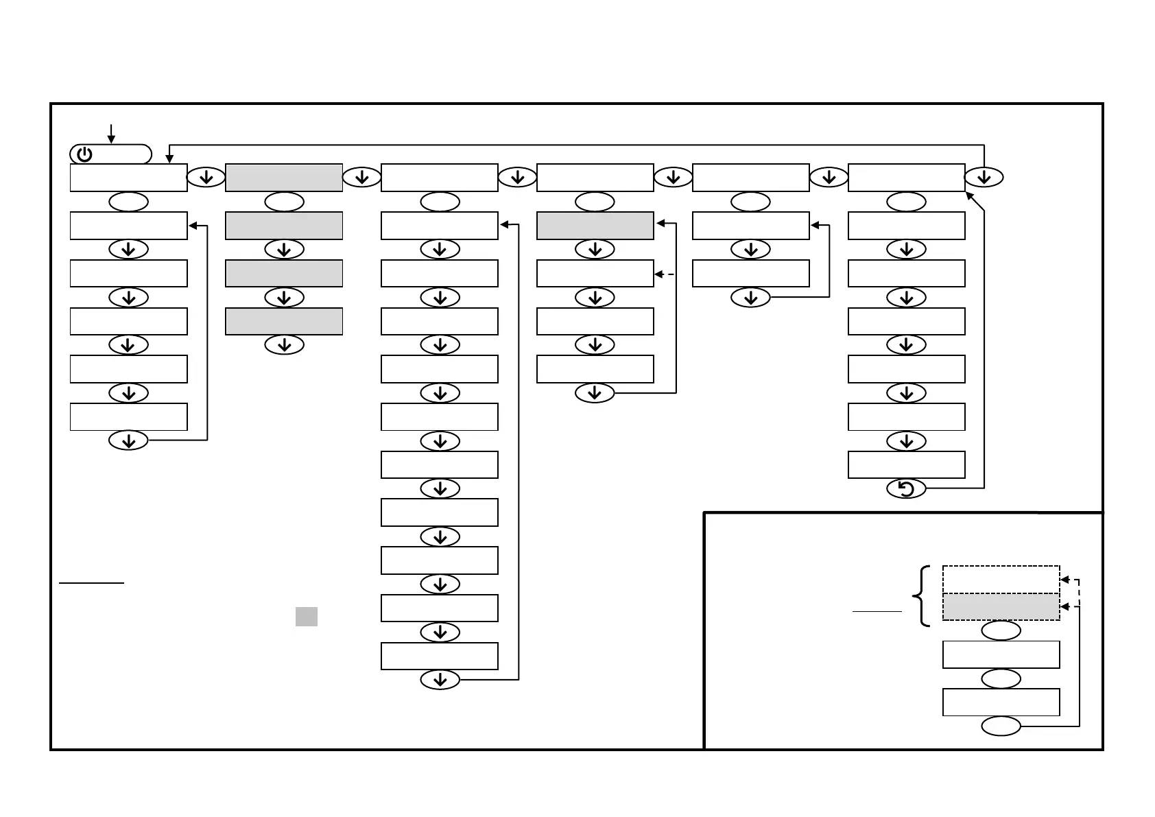
3.5. Navegación por los menús
Menu
Electrolisis
Menu
Regulacion pH
Menu
Parametros
Menu
Historial
Menu
Communicacion
Menu
Informacion
Electrolisis
Boost
Regulacion pH
Modo XXX
Parametros
Fecha XX/XX/XX
Historial
Ultima Calib. pH
Communicacion
Bluetooth
Version Programa
MASTER: XX.XX.XX
Electrolisis
Modo XXX
Regulacion pH
Ajuste
Parametros
Horas XX:XX
Historial
Filtracion
Communicacion
Modbus RS485
Version Programa
SLAVE: XX.XX.XX
Electrolisis
Inversion XX h
Regulacion pH
Calibracion
Parametros
Idiomas XX
Historial
Electolisis
Codigo ID:
XXXXXXXX
Electrolisis
Salinidad XX
Parametros
Sensores
Historial
Temperatura
Numero de Serie:
XXXX-XXXXXX-XXX
Electrolisis
Electrol. Prueba
Parametros
Alarmas
Address MAC:
XXXXXXXXXXXX
Parametros
Ajuste Temp.
Temperatura MCU:
XX°F
Parametros
Calibracion Sal
Visualización predeterminada
en linea
PROD. XXX %
PROD. XXX
pH X.X
Tasa de Sal
XX.X ppm
Temperatura
XX.X °F
Parametros
Visualizacion
Parametros
Reinicio Param.
Parametros
Codigo
OK
MENU
OK
OK
OK
OK
OK
LEYENDA :
Modelo sin la sonda de pH : blanco.
Modelo con la sonda de pH : blanco + gris.
OK
OK
OK

Table of Contents

Related product manuals