EasyManua.ls Logo

MSA SOLARIS - Viewing Optional Displays (FIGURE 2-6)

MSA SOLARIS
162 pages
Print Icon
To Next Page IconTo Next Page
To Next Page IconTo Next Page
To Previous Page IconTo Previous Page
To Previous Page IconTo Previous Page
Loading...
Viewing Optional Displays (FIGURE 2-6)
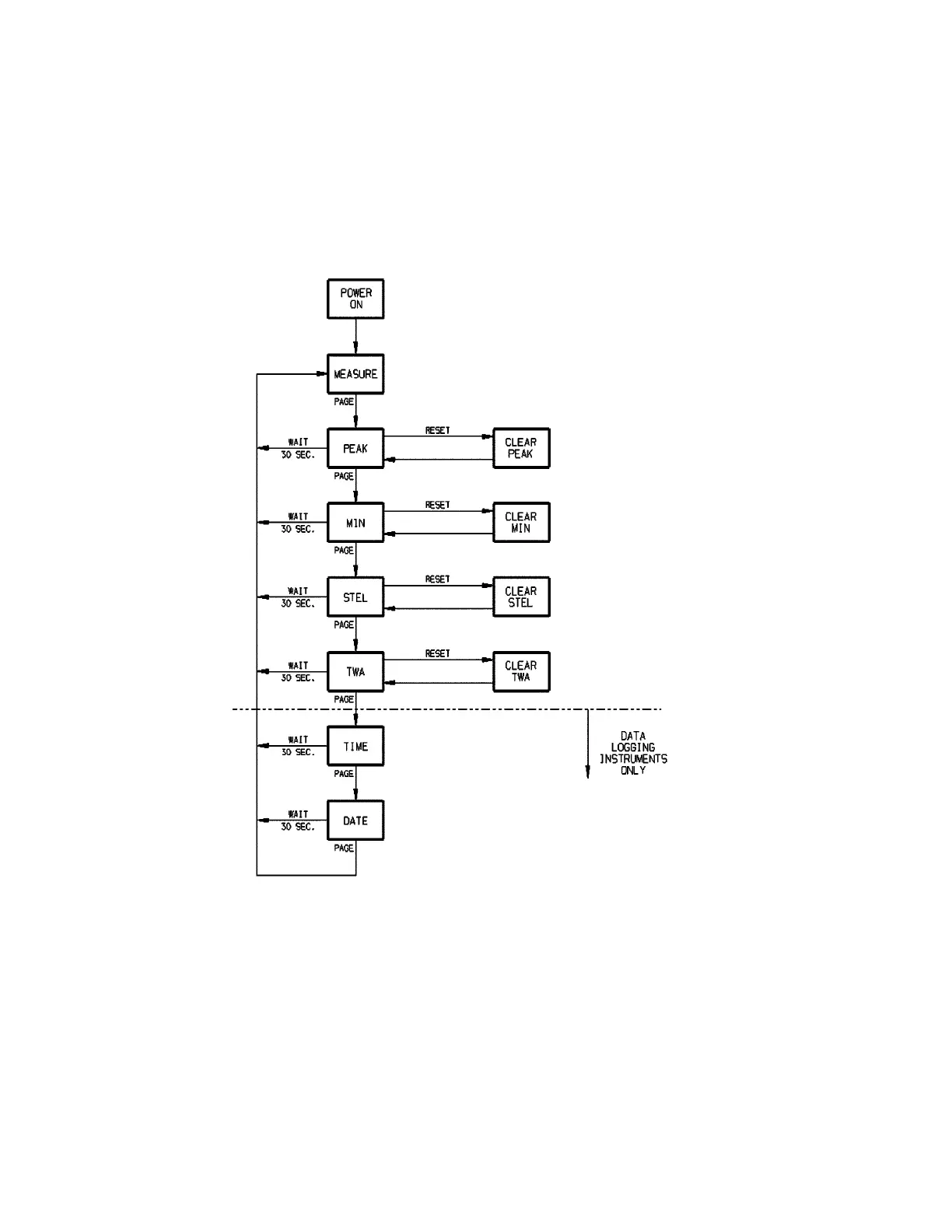
The diagram shown in FIGURE 2-6 describes the flow for optional
displays.
Press the PAGE button to move to:
Figure 2-6. Flow Diagram
2-12

Table of Contents

Related product manuals