EasyManua.ls Logo

MUTOH SC-550 - 2 System Block Diagram; Block Diagram SC-Series; St Version)

MUTOH SC-550
120 pages
Print Icon
To Next Page IconTo Next Page
To Next Page IconTo Next Page
To Previous Page IconTo Previous Page
To Previous Page IconTo Previous Page
Loading...
Maintenance Manual – SC Cutting Plotter
13 AP-74030, Rev / B
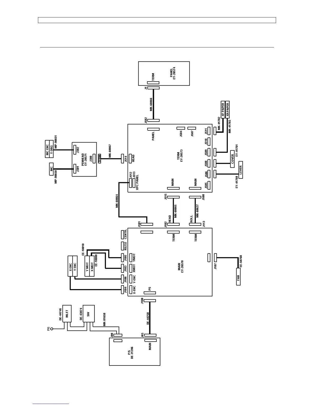
2. SYSTEM BLOCK DIAGRAM.
2.1. Block diagram SC-series (1
st
version).

Table of Contents

Related product manuals