EasyManua.ls Logo

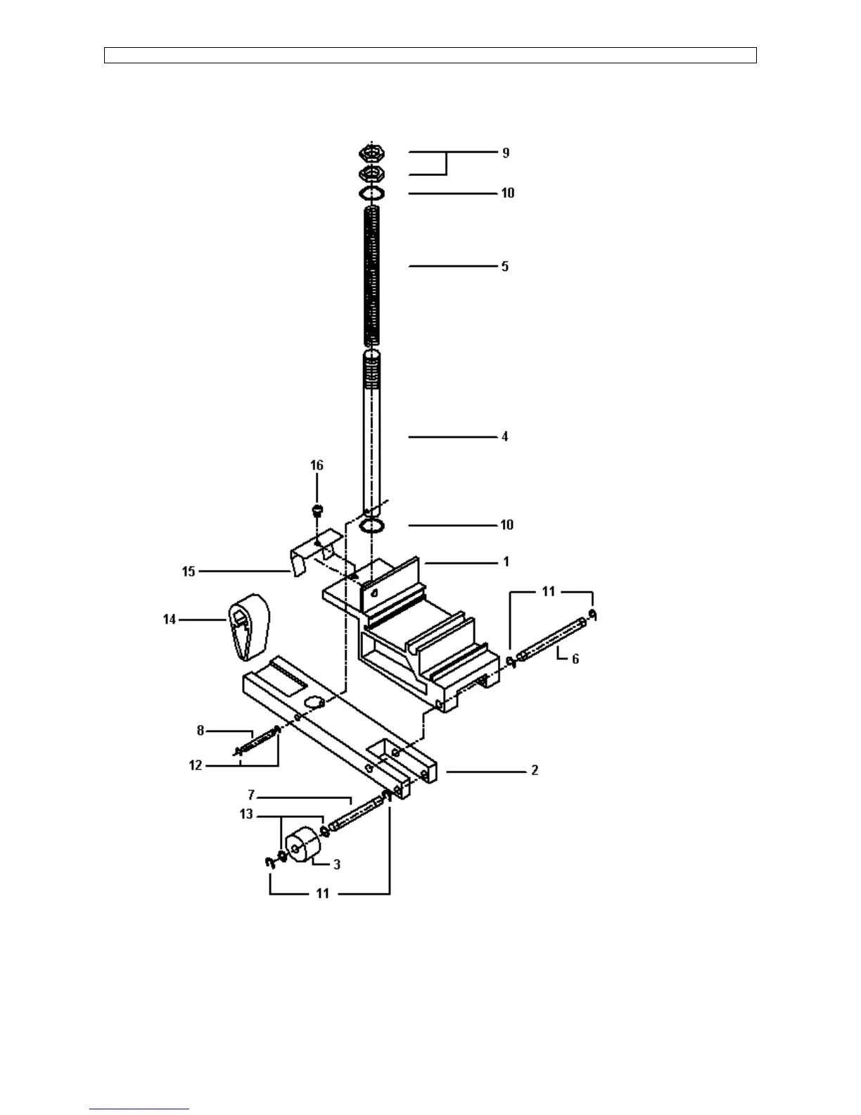
MUTOH SC-550 - Pressure Roller Assy SC-550

MUTOH SC-550
120 pages
Print Icon
To Next Page IconTo Next Page
To Next Page IconTo Next Page
To Previous Page IconTo Previous Page
To Previous Page IconTo Previous Page
Loading...
Maintenance Manual – SC Cutting Plotter
115 AP-74030, Rev / B
9.14. Pressure roller assy SC-550.

Table of Contents

Related product manuals