EasyManua.ls Logo

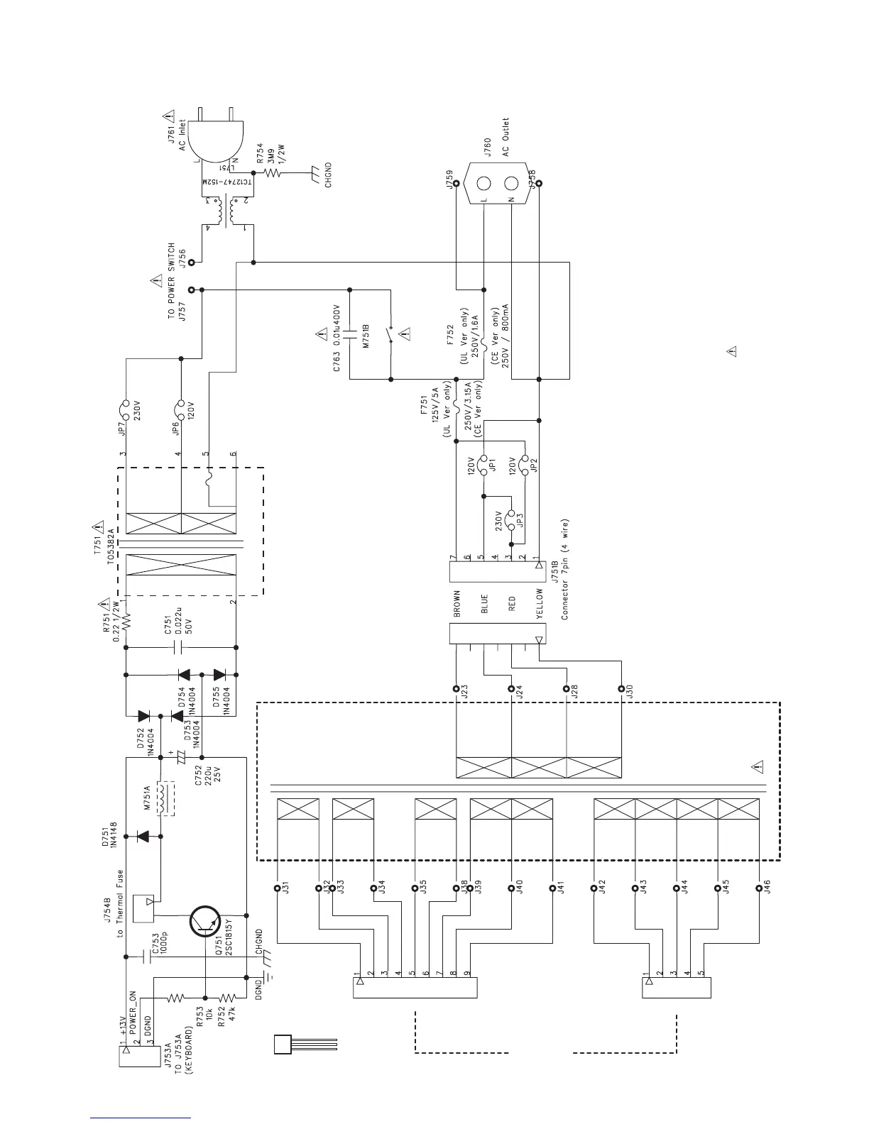
NAD T 752 - POWER SUPPLY (STAND BY)

NAD T 752
63 pages
Print Icon
To Next Page IconTo Next Page
To Next Page IconTo Next Page
To Previous Page IconTo Previous Page
To Previous Page IconTo Previous Page
Loading...
27
POWER SUPPLY (STAND BY)
TO POWER SUPPLY
(SECONDARY)
POWER TRANSFORMER
POWER STAND BY
E C B
2SA1815
10%
*AH
(UL only)
*AH
*C
*AH
*C
RESISTORS : F-FUSIBLE, UNLESS OTHERWISE SPECIFIED ARE CARBON FILM.
NOTE: 1. RESISTORS, UNLESS OTHERWISE SPECIFIED, ARE 1/6W, 5%.
2. COMPONENTS MARKED “ ARE SAFETY CRITIAL PARTS.

Table of Contents

Related product manuals