EasyManua.ls Logo

NAD T 752 - SURROUND AMPLIFIER

NAD T 752
63 pages
Print Icon
To Next Page IconTo Next Page
To Next Page IconTo Next Page
To Previous Page IconTo Previous Page
To Previous Page IconTo Previous Page
Loading...
32
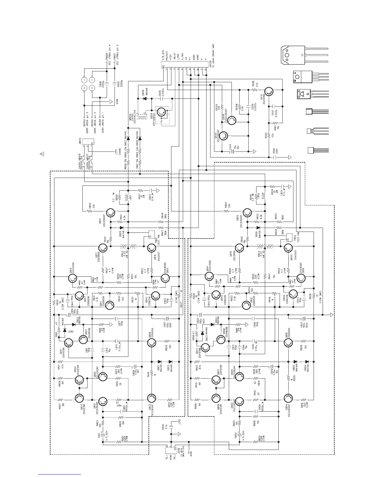
SURROUND AMPLIFIER
SURROUND
RIGHT
CHANNEL
SURROUND
LEFT
CHANNEL
SL SPK
SR SPK
E C B
2SC2362
E C B
2SA1015
2SA1815
B C E
2SA1606
2SC4159
B C E
2SA2031
2SC5669
E C B
2SD600
DTC123ESA
E C B
RESISTORS : CE-CERAMIC CASE, MO-METAL OXIDE, UNLESS OTHERWISE SPECIFIED ARE CARBON FILM.
NOTE: 1. RESISTORS, UNLESS OTHERWISE SPECIFIED, ARE 1/6W, 5%.
2. ALL CERAMIC CAPACITORS, UNLESS OTHERWISE SPECIFIED, ARE 50V, 10%.
3. COMPONENTS MARKED “
” ARE SAFETY CRITIAL PARTS.

Table of Contents

Related product manuals