EasyManua.ls Logo

NAD T 752 - Lc74763

NAD T 752
63 pages
Print Icon
To Next Page IconTo Next Page
To Next Page IconTo Next Page
To Previous Page IconTo Previous Page
To Previous Page IconTo Previous Page
Loading...
44
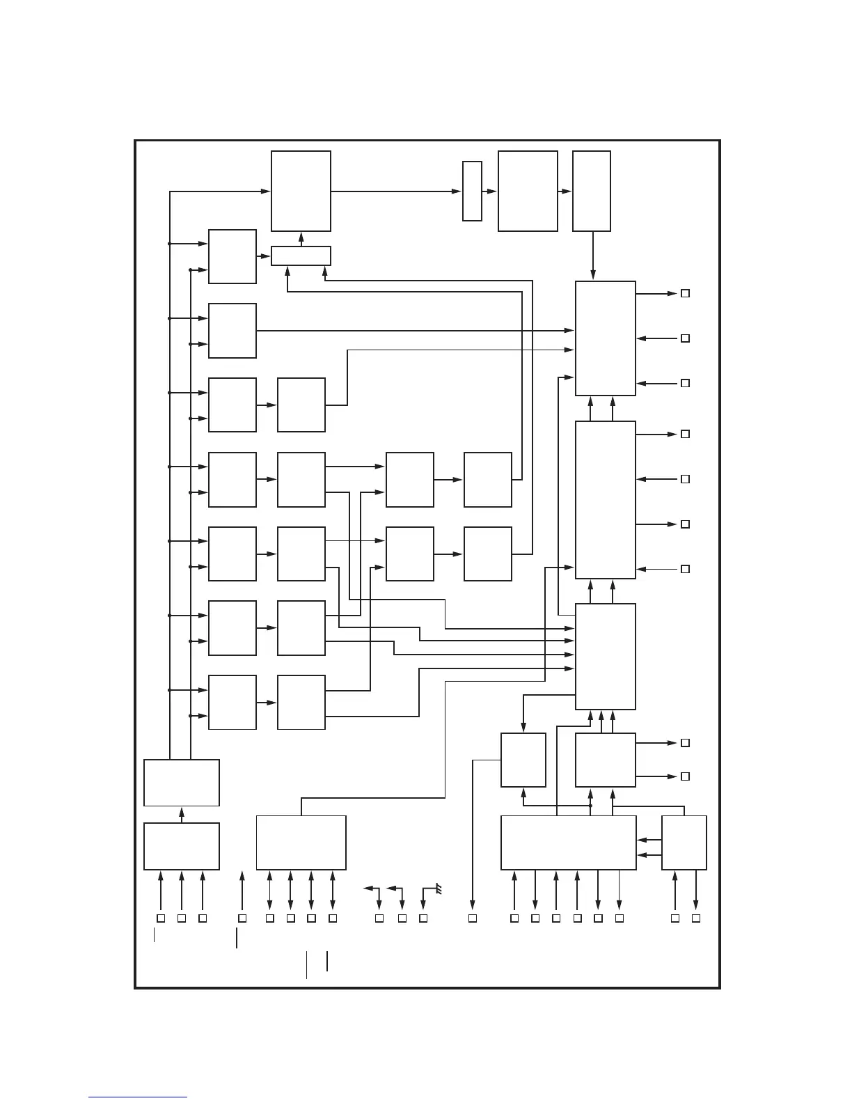
LC74763
S-VIDEO BOARD: U4101
Serial-
parallel
converter
Composite
synchro-
nization
signal
control
AFC
circuit
Sync
separator
Sync
detector
Composite
synchronizat-
ion signal
separator
control
Timing generator
character output control
Background control
Video output control
Synchronization
signal generator
Horizontal
character
size register
Horizontal
display
position
register
Vertical
display
position
register
Vertical
character
size register
Horizontal
size
counter
Horizontal
dot counter
Vertical
dot counter
Flashing/
reversal
control
register
Display
control
register
RAM write
address
counter
Display RAM
Font ROM
SHift register
Decoder
Decoder
Flashing/
reversal
control
circuit
Horizontal
display
position
detection
Vertical
display
position
detection
Character
control
counter
Line
control
counter
Vertical
size
counter
8-bit latch
and
commend
decoder
SECAM
525/625
NTSC/PAL
3.58/4.43
SYNCDET
VCO IN
VCO OUT
FC
AMP IN
AMP OUT
PD OUT
SYN IN
SEP C
HSYN OUT
VSYN OUT
Xtal IN1
Xtal OUT1
Xtal IN2
Xtal OUT2
CV CR CV IN CV OUT
VDD1
VDD2
VSS
CS
SIN
SCLK
RST

Table of Contents

Related product manuals