EasyManua.ls Logo

NAD T 752 - Video 6

NAD T 752
63 pages
Print Icon
To Next Page IconTo Next Page
To Next Page IconTo Next Page
To Previous Page IconTo Previous Page
To Previous Page IconTo Previous Page
Loading...
29
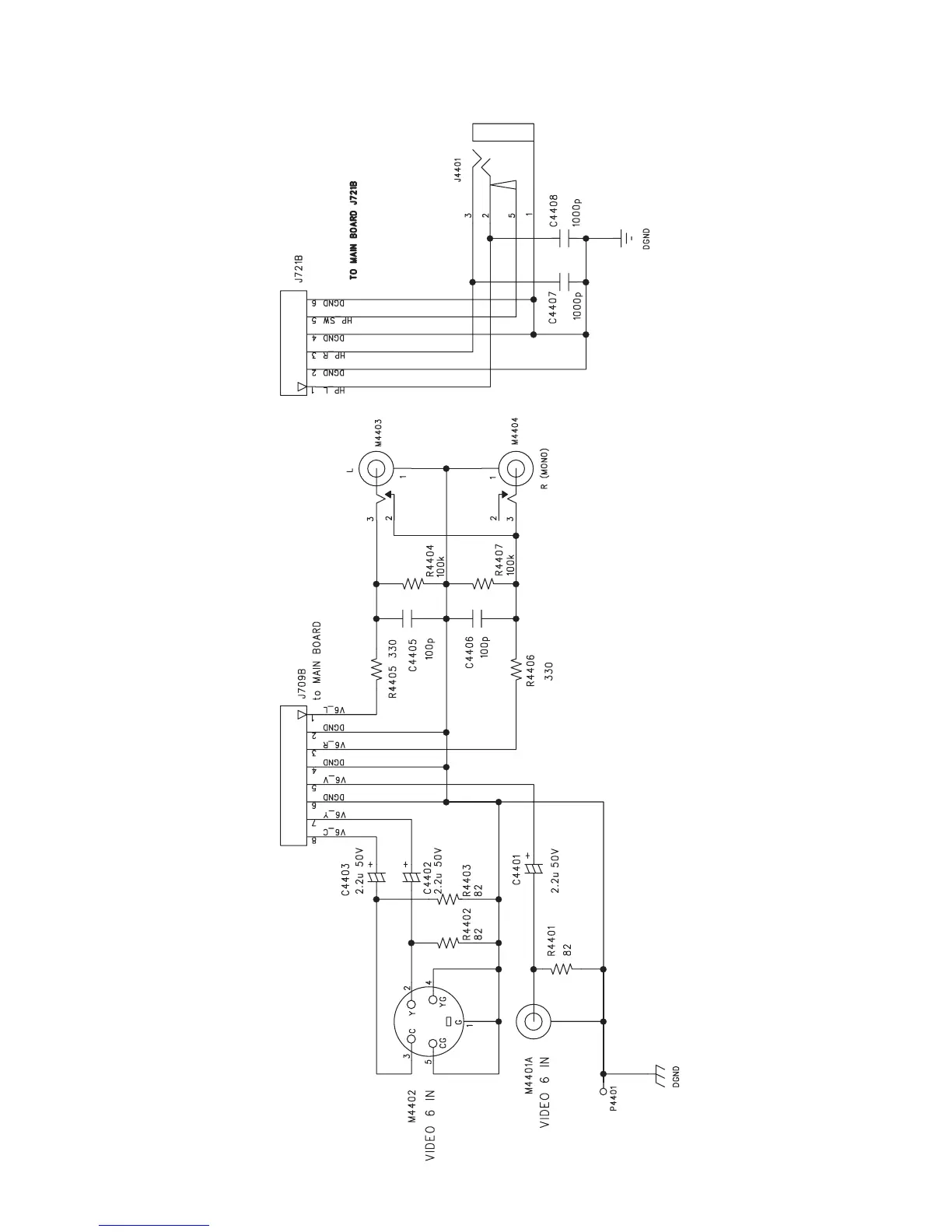
VIDEO 6
VIDEO 6
RESISTORS : UNLESS OTHERWISE SPECIFIED ARE CARBON FILM.
NOTE:
1. RESISTORS, UNLESS OTHERWISE SPECIFIED, ARE 1/6W, 5%.
2. ALL CERAMIC CAPACITORS, UNLESS OTHERWISE SPECIFIED, ARE 50V, 10%.

Table of Contents

Related product manuals