EasyManua.ls Logo

NAD T 752 - Ba7660 Fs; M6759

NAD T 752
63 pages
Print Icon
To Next Page IconTo Next Page
To Next Page IconTo Next Page
To Previous Page IconTo Previous Page
To Previous Page IconTo Previous Page
Loading...
42
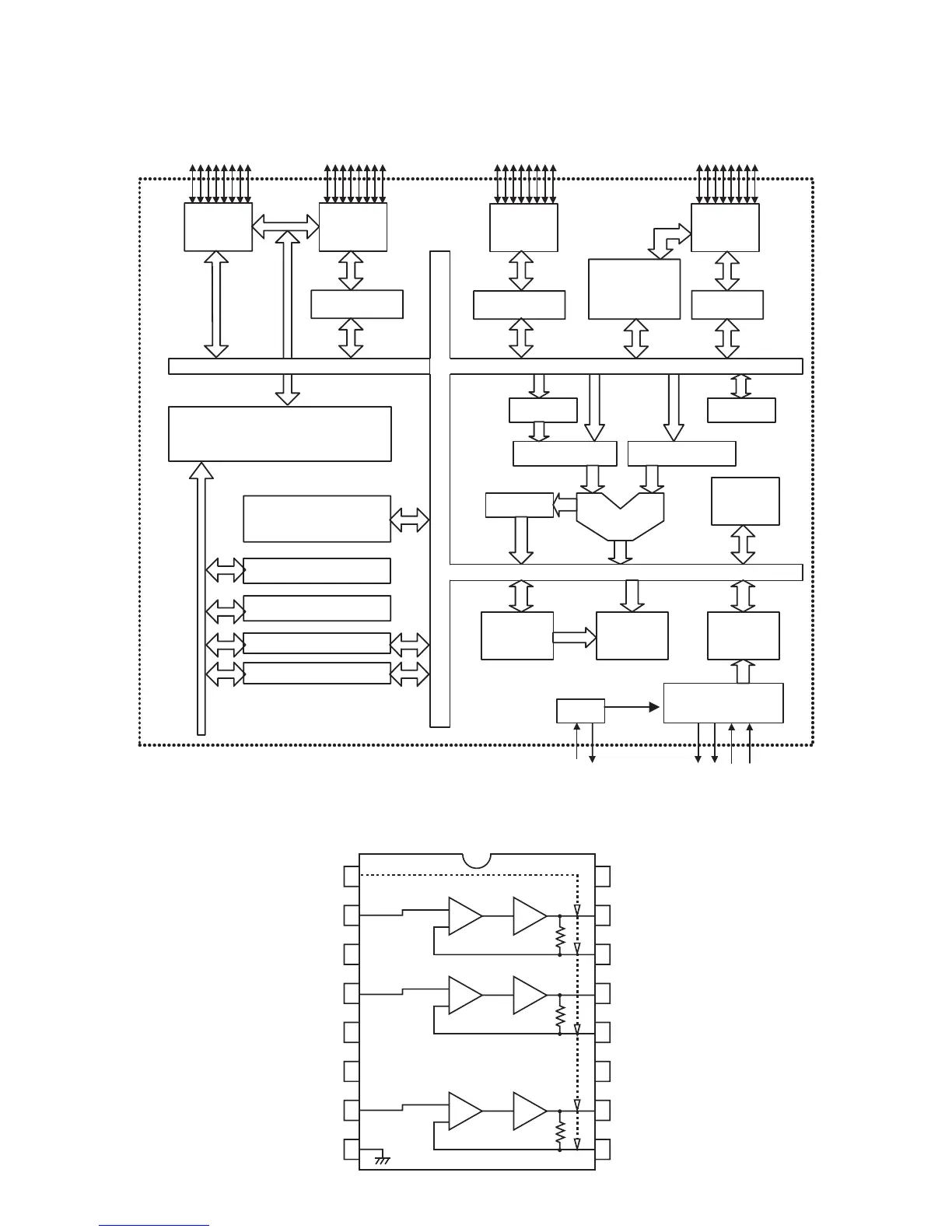
M6759
KEYBOARD: U201 & U202
Data Bus
Data Bus
Port 0
Drivers
P0.7:0
Port 2
Drivers
P2.7:0
Data Bus
Data Bus
Program Address
Register
Program Counter
Buffer
DPTR
Incrementer
Port 1
Drivers
P1.7:0
Port 3
Drivers
P3.7:0
Port Latch
Port Latch
Port Latch
Serial Port
Timer
Interrupt Logic
ACC
ALU REG1 ALU REG2
PSW
ALU
B Register
Stack
Pointer
Clocks and
Control
OSC
Instruction
Register
RAM Addr.
Register
512 Bytes
RAM
XTAL1
XTAL2
PSEN
ALE
EA
RST
64K bytes
MTP Memory
BA7660FS
COMPONENT VIDEO BOARD: U4301
MUTE
INA
GND
INB
GND
N.C.
INC
GND
1
2
3
4
5
6
7
8
16
15
14
13
12
11
10
9
OUTA1
V
CC
OUTA2
OUTB1
OUTB2
N.C.
OUTC1
OUTC2
75W6dB
75W6dB
6dB
75W

Table of Contents

Related product manuals