EasyManua.ls Logo

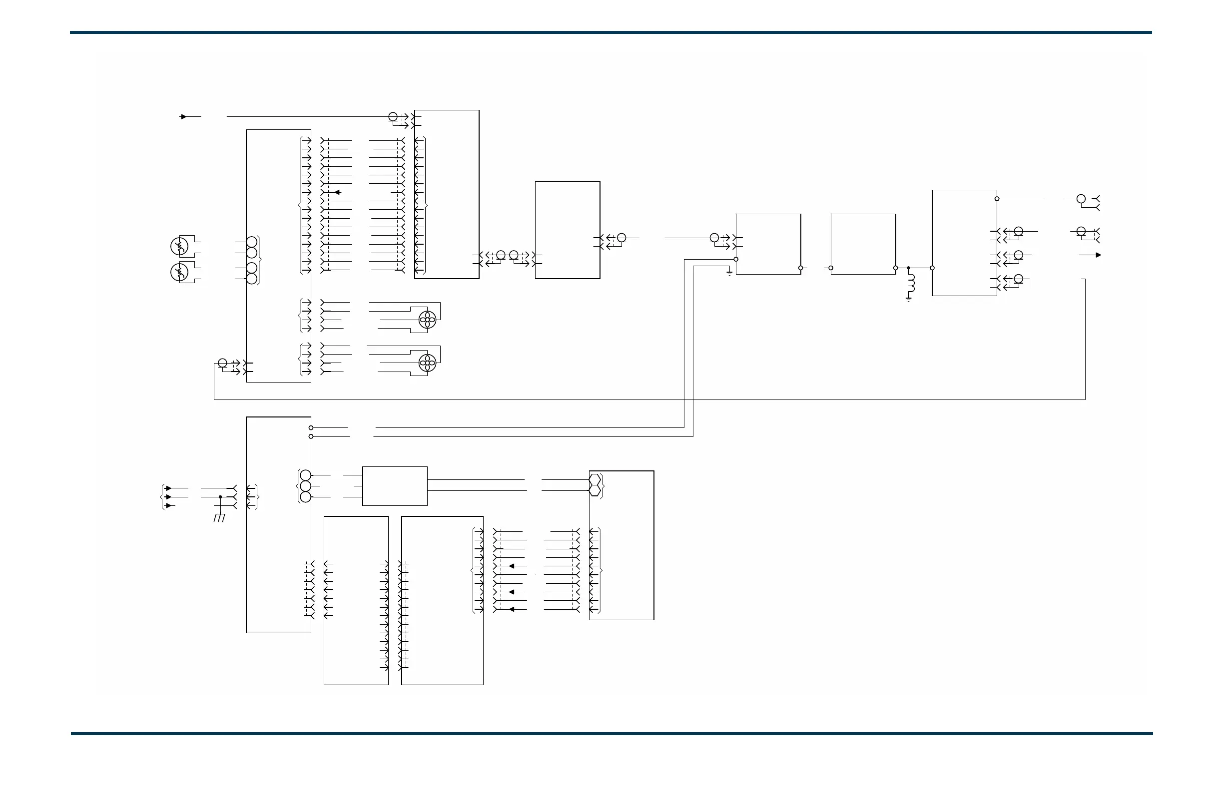
Nautel VX150 - Figure SD-2: VX150;VX300;VX600 System Schematic (Sheet 2 of 2)

Nautel VX150
182 pages
Print Icon
To Next Page IconTo Next Page
To Next Page IconTo Next Page
To Previous Page IconTo Previous Page
To Previous Page IconTo Previous Page
Loading...
VERSION 2.0 2023-04-20 SD-2
Figure SD-2: VX150/VX300/VX600 System Schematic (Sheet 2 of 2)
2235-8300-SCH02.SchDoc
RF DRIVE
PART OF
SYSTEM
INTERFACE
A3
PWB
IPA
A6
PWB
J1
J2
J9
RF OUT
E1
REFLD PWR SAMPLE
TO SHEET 1
RF + BIAS
FWD PWR SAMPLE
E2
POWER AMP
A7
PWB
J1
PA LOW PASS
A9
PWB
E1
FILTER
A
DIRECTIONAL
A11
PWB
COUPLER
J3
J2
A
RF OUT
J1
RF MONITOR
J1
Iss. B
TB1
FROM SHEET 1
J6
J5
PART OF
SYSTEM
INTERFACE
A3
PWB
J1
+12V
+12V
GND
I2C SCL
RS485(-)
I2C SDA
GND
UNIT ID
D3
MARGIN
SHELF ADDRESS
D1
C4
C1
RS485(-)
LOGIC GND
A3
UNIT ADDRESS
A1
GND
P3
VAC L1
P1
# MODULE PRESENT -
# PWR FAIL WARNING -
VOUT (-)
VOUT (+)
RS485(+)
PAV (+)
# PS ON -
D2
C5
RS485(+)
B2
A2
VAC L2/N
P2
VOUT (-)
VOUT (+)
# OUTPUT ENABLE -
PROTOCOL
A4
A5
P4
P5
P7
P6
1
2
3
FROM AC
POWER SOURCE
185-265VAC, 47-63 Hz
LINE
GND
LINE/NEUTRAL
J3
POWER SUPPLY
INTERFACE
A4
PWB
J1
TB1
LINE
GND
LINE/NEUTRAL
POWER SUPPLY
U2
+12V
GND
POWER
U3
+12V
J2 J10
PAV (-)
TB2
+12V
GND
1
2
2
3
1
PART OF
E1
E3
SYSTEM
INTERFACE
A3
PWB
PART OF
SUPPLY
POWER SUPPLY
INTERFACE
A4
PWB
PART OF
C3 RACK ID
1
2
3
4
L1
RF OUT
HEATSINK (-)
HEATSINK (+)
RT1
RT2
INLET AIR (-)
INLET AIR (+)
8
6
4
3
1
7
5
2
9
10
8
6
4
3
1
7
5
2
9
10
W7
W8
W13
W10
W12
W11
W5
W8
W13
W5
W11
W10
IPA V
IPA V
GND
GND
GND
GND
GND
GND
GND
GND
GND
IPA V
IPA V
GND
IPA VOLTS SAMPLE
IPA BIAS
J7 J3
W2 W2
16
13
14
11
8
9
6
3
4
1
15
12
10
7
5
2
16
13
14
11
8
9
6
3
4
1
15
12
10
7
5
2
J2
J1
FAN VOLTS (-)
PWM
TACH
FAN VOLTS (+)
4
1
2
3
B2
B1
FAN VOLTS (-)
PWM
TACH
FAN VOLTS (+)
4
1
2
3
FAN 1
FAN 2

Table of Contents

Other manuals for Nautel VX150

Related product manuals