EasyManua.ls Logo

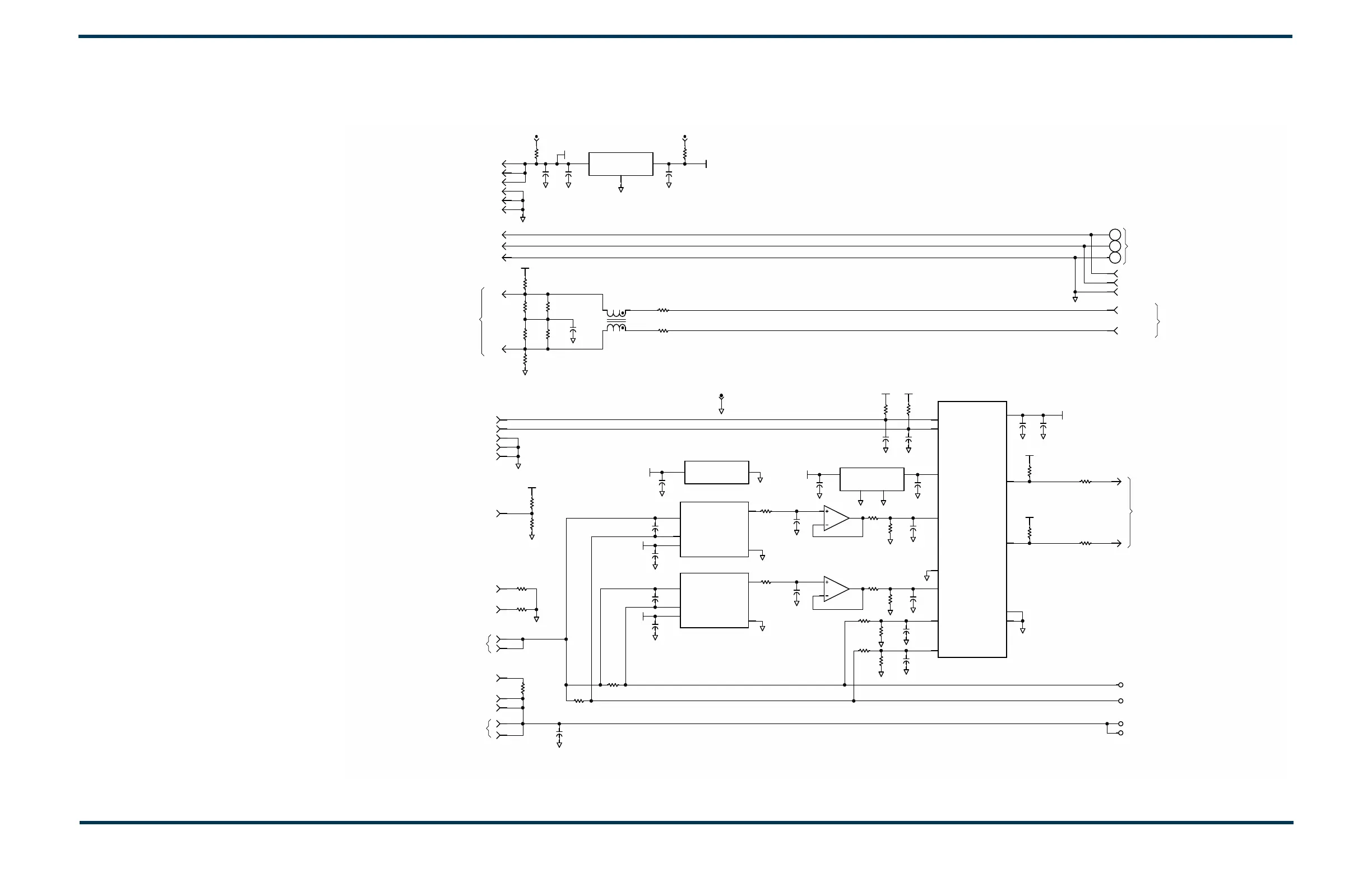
Nautel VX150 - Figure SD-12: NAPI188 Power Supply Interface PWB (VX1;VX1.5;VX2)

Nautel VX150
182 pages
Print Icon
To Next Page IconTo Next Page
To Next Page IconTo Next Page
To Previous Page IconTo Previous Page
To Previous Page IconTo Previous Page
Loading...
VERSION 2.0 2023-04-20 SD-12
Figure SD-12: NAPI188 Power Supply Interface PWB (VX1/VX1.5/VX2)
UUA78M33CDCY
OUT
3
GND
2
IN
1
U1
A1
J1A
A4
J1D
A5
J1E
C1
J1M
C4
J1P
C5
J1Q
D2
J1T
P1
J1Y
P2
J1Z
P3
J1AA
P4
J1AB
P5
J1AC
P6
J1AD
P7
J1AE
0.1
25V
C7
4750
R13
475
R3
121
R5
121
R7
475
R10
0.1
25V
C3
L1
5W
0.002
R28
5W
0.002
R22
TB1
1
2
3
E1
E2
+3.3V
RS+
1
VCC
2
GND
4
OUT
5
RS-
8
MAX4080SASA
U4I
0.1
25V
C19
0.1
25V
C22
+12V
10.0K
R20
0.1
25V
C12
0.1
25V
C17
1
2
3
U5A
7
6
5
U5B
GND
11
VDD
4
TLV2374ID
U5E
RS+
1
VCC
2
GND
4
OUT
5
RS-
8
MAX4080SASA
U6I
0.1
25V
C23
0.1
25V
C24
+12V
10.0K
R27
0.1
25V
C21
1000
R29
1500
R25
0.1
25V
C18
1000
R30
1500
R26
10.0K
R24
10.0K
R23
+3.3V
0.1
25V
C10
4.7
10V
C6
2210
R16
100
R9
100
R14
+3.3V
2210
R8
+3.3V
+3.3V
+12V
0.1
25V
C20
+3.3V
+3.3V
TO SYSTEM
INTERFACE
#MODULE PRESENT-
#POWER FAIL WARNING-
PROTOCOL
#PS ON-
UNIT ADDRESS
#OUTPUT ENABLE-
MARGIN
PAV (+)
PAV (-)
AC TO 12V SUPPLY
I2C TO SYSTEM INTERFACE
PAV 1 (+)
PAV 2 (+)
+12V
235-4050-SCH01.SchDoc
VOUT
6
GND2
2
GND1
1
VIN
4
LT1790BIS6-2.5
U3
16V
1.0
C14
25V
0.1
C15
+3.3V
AIN0
5
AIN1
6
AIN3
8
AIN4
9
AIN5
10
AIN6
11
AIN7
12
SCL
13
SDA
14
GND
15
VDD
16
MAX11615EEE
U2Q
REF
1
AIN2
7
LINE
LINE/N
GND
PAV (-)
PAV (-)
0.47
25V
C2
25V
0.1
C1
+12V
GND
3
J3C
1
J3A
2
J3B
RS-485
121
R4
121
R6
D1
J1S
SHELF ADDRESS
A3
J1C
LOGIC GROUND
16V
1.0
C5
2740
R11
10.0K
R12
+3.3V
0.1
25V
C13
0.1
25V
C16
25V
0.1
C11
2210
R19
56.2K
R18
25V
0.1
C9
2210
R17
56.2K
R15
1
J2A
2
J2B
3
J2C
4
J2D
5
J2E
6
J2F
7
J2G
8
J2H
9
J2I
10
J2J
(+)
(-)
ALL RESISTORS ARE RATED 1/10W UNLESS OTHERWISE NOTED
TP2
GND
10.0K
R2
10.0K
R1
TP1
3.3V
TP3
12V
E3
E4
B3
J1I
B5
J1K
0.0
R32
0.0
R34
RACK ID
UNIT ID
0.0
R36
0.0
R37
B6
J1L
D6
J1X
RS485 (+)
RS485 (-)
TO POWER SUPPLY

Table of Contents

Other manuals for Nautel VX150

Related product manuals