EasyManua.ls Logo

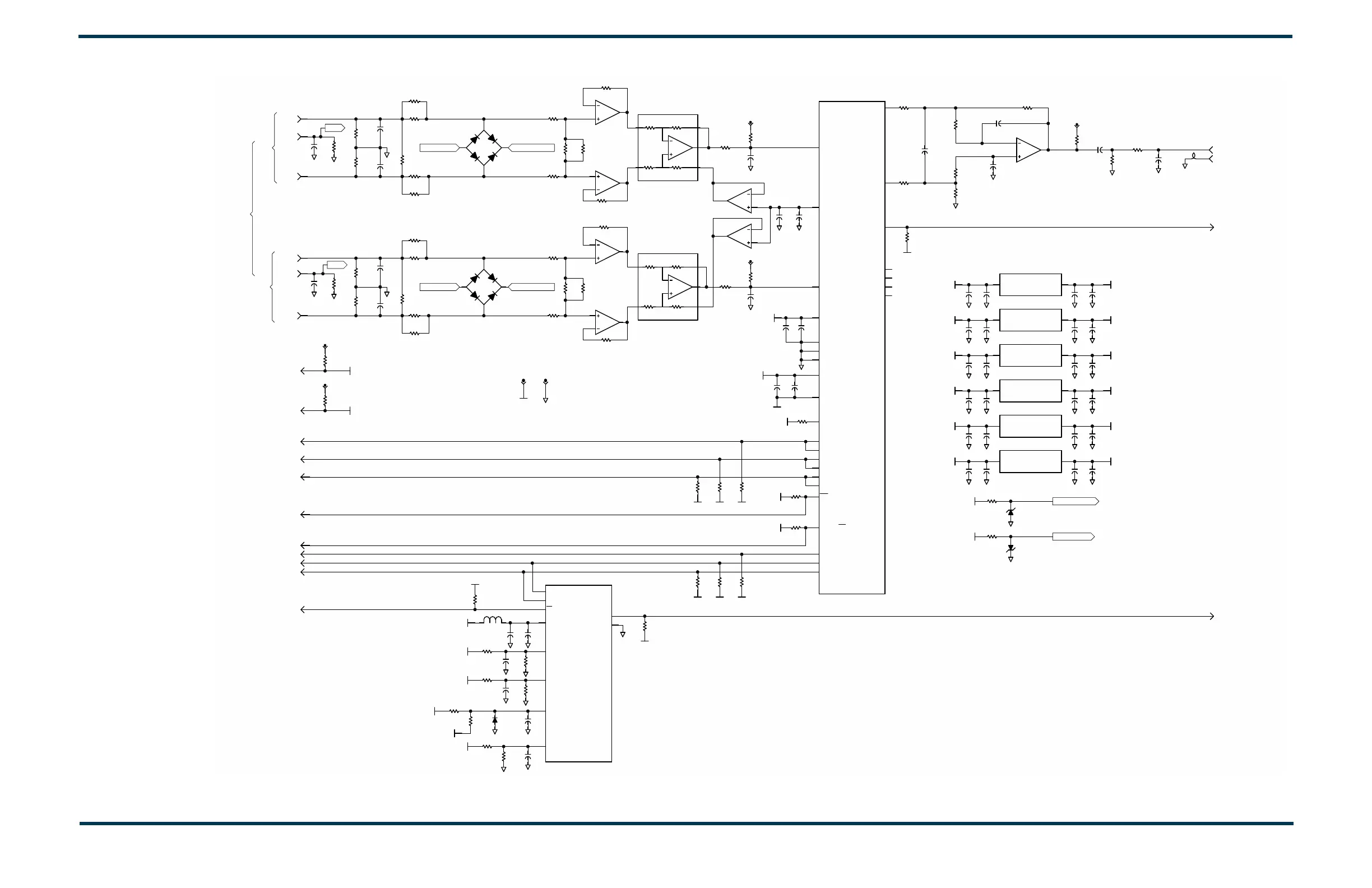
Nautel VX150 - Figure SD-7: NAPI189 Analog Audio PWB (Sheet 1 of 2)

Nautel VX150
182 pages
Print Icon
To Next Page IconTo Next Page
To Next Page IconTo Next Page
To Previous Page IconTo Previous Page
To Previous Page IconTo Previous Page
Loading...
VERSION 2.0 2023-04-20 SD-7
Figure SD-7: NAPI189 Analog Audio PWB (Sheet 1 of 2)
339.2K
R13
39.2K
R6
J4:1
J4:2
J4:3
0.001
C6
0.001
C5
681
1/4W
R11
1000
R15
1000
R14
1000
R7
1000
R8
AC2
AC1
V- V+
U2
V_CLAMP_ADO+
1000
R16
1000
R9
3740
R17
3740
R10
1
2
3
U1:1
1
2
3
5
6
AD8274ARMZ
U5:1
100
R37
0.001
C29
1
2
3
U4:1
39.2K
R59
39.2K
R43
J3:1
J3:2
J3:3
0.001
C45
0.001
C23
681
1/4W
R52
1000
R60
1000
R61
1000
R44
1000
R45
AC2
AC1
V- V+
U8
V_CLAMP_ADO- V_CLAMP_ADO+
1000
R62
1000
R46
3740
R63
3740
R47
1
2
3
U9:1
1
2
3
5
6
AD8274ARMZ
U10:1
100
R38
0.001
C28
MC/SCL/FMT
1
MD/SDA/DEMP
2
DOUT
3
LRCK1
4
BCK1
5
SCKI1
6
VDD
7
DGND
8
SCKI2
9
BCK2
10
LRCK2
11
DIN
12
ZEROR
13
ZEROL
14
RST
15
SGND
16
VOUT R-
17
VOUT R+
18
VOUTL-
19
VOUTL+
20
VCOM
21
AGND2
22
AGND1
23
VCC
24
VINL
25
VINR
26
MS/ADR/IFMD
27
MODE
28
10
C33
+5V-A
10
C40
+3.3V
0.0
R34
+3.3V
10
C70
J2
10.0K
R26
10.0K
R50
10.0K
R42
10.0K
R51
10.0K
R58
10.0K
R66
+3.3V
10.0K
R25
10.0K
R41
(+)
SHIELD
(-)
RIGHT
(+)
SHIELD
(-)
LEFT
BALANCED
ANALOG AUDIO
PCM3060PW
U6:29
V_CLAMP_ADO-
10.0K
R75
GND2
GND2GND2GND2
GND2GND2
+3.3V
10.0K
R35
GND2
0.1
C39
0.1
C34
CS
1
VA
2
GND
3
IN4
4
IN3
5
IN2
6
IN1
7
DIN
8
DOUT
9
SCLK
10
ADC104S021
U3:11
10.0K
R19
GND2
10.0K
R12
+3.3V
2.2
C11
0.1
C10
3.3μH
L1
+3.3V
10.0K
R23
56.2K
R24
+12V
15.0K
R29
56.2K
R28
+8V
56.2K
R49
10.0K
R27
+3.3V
-8V
15.0K
R21
39.2K
R20
+5V-A
10.0K
R57
10.0K
R56
10.0K
R80
5
6
7
U4:2
BAT54HT1
CR3
PILOT SAMPLE
OUT
3060 DOUT
AUDIO CLK
AUDIO LRCLK
PCM SYSCLK
3060 DIN
# AUDIO RESET -
AUDIO SPI PCM 3060 CS N
A
UDIO SPI CLK
AUDIO SPI MOSI
AUDIO SPI S021 CS N
AUDIO SPI MISO
GND2
+12V+12V
+5V-D+5V
GND2
GND
TP1
GND
TP14
0.1
C17
0.1
C20
0.1
C18
0.1
C16
235-3020-SCH01
Iss. A
100
R18
100
R3
100
R69
100
R48
10.0K
R98
10.0K
R74
100pF
50V
C49
470pF
50V
C42
10.0K
R73
100pF
50V
C48
19
J5:19
15
J5:15
17
J5:17
13
J5:13
9
J5:9
11
J5:11
25
J5:25
21
J5:21
23
J5:23
27
J5:27
29
J5:29
22
J5:22
10
J5:10
10.0K
R39
TP4
10.0K
R33
TP5
10.0K
R89
PILOT SAMPLE
TP9
10.0K
R4
+12V
TP2
+5V-D
TP3
10.0K
R5
5
6
7
U1:2
5
6
7
U9:2
1/16W
100
R97
100pF
50V
C80
0.001
50V
C1
1/16W
1M
R1
0.001
50V
C22
1/16W
1M
R30
SHD R
SHD L
L2
V-
4
V+
8
ADA4075-2ARZ
U9:3
+VS
7
-VS
4
AD8274ARMZ
U5:2
V-
4
V+
8
ADA4075-2ARZ
U1:3
V-
4
V+
8
ADA4075-2ARZ
U4:3
+VS
7
-VS
4
AD8274ARMZ
U10:2
1000
R32
+8V V_CLAMP_ADO+
1000
R31
-8V V_CLAMP_ADO-
0.1
C3
1.0
C4
+8V
0.1
C31
1.0
C24
+8V
0.1
C26
1.0
C25
+8V
0.1
C19
1.0
C21
+8V
0.1
C32
1.0
C27
+8V
0.1
C7
1.0
C12
-8V
0.1
C51
1.0
C50
-8V
0.1
C15
1.0
C9
-8V
0.1
C8
1.0
C14
-8V
0.1
C38
1.0
C41
-8V
V-
4
V+
8
ADA4075-2ARZ
U13:3
0.1
C62
1.0
C63
+8V
0.1
C82
1.0
C81
-8V
5.6V
CR2
5.6V
CR1
0.1
50V
C131
10
25V
C132
5
6
7
U13:2

Table of Contents

Other manuals for Nautel VX150

Related product manuals