EasyManua.ls Logo

Nextiva V3320RD - Hardware Overview

Default Icon
49 pages
Print Icon
To Next Page IconTo Next Page
To Next Page IconTo Next Page
To Previous Page IconTo Previous Page
To Previous Page IconTo Previous Page
Loading...
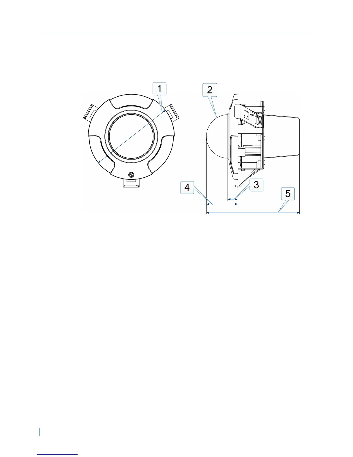
Hardware Overview
Hardware Overview
11 © 2013 Verint Video Systems Inc.

Other manuals for Nextiva V3320RD