EasyManua.ls Logo

Nidec Control Techniques M701 - Size 9 D and 10 D Inverter; Size 9 E and 10 E Drives

Nidec Control Techniques M701
92 pages
Print Icon
To Next Page IconTo Next Page
To Next Page IconTo Next Page
To Previous Page IconTo Previous Page
To Previous Page IconTo Previous Page
Loading...
Safety information Introduction Product information System configuration
Mechanical
Installation
Electrical Installation
Unidrive M Modular Installation Guide 9
Issue Number: 2
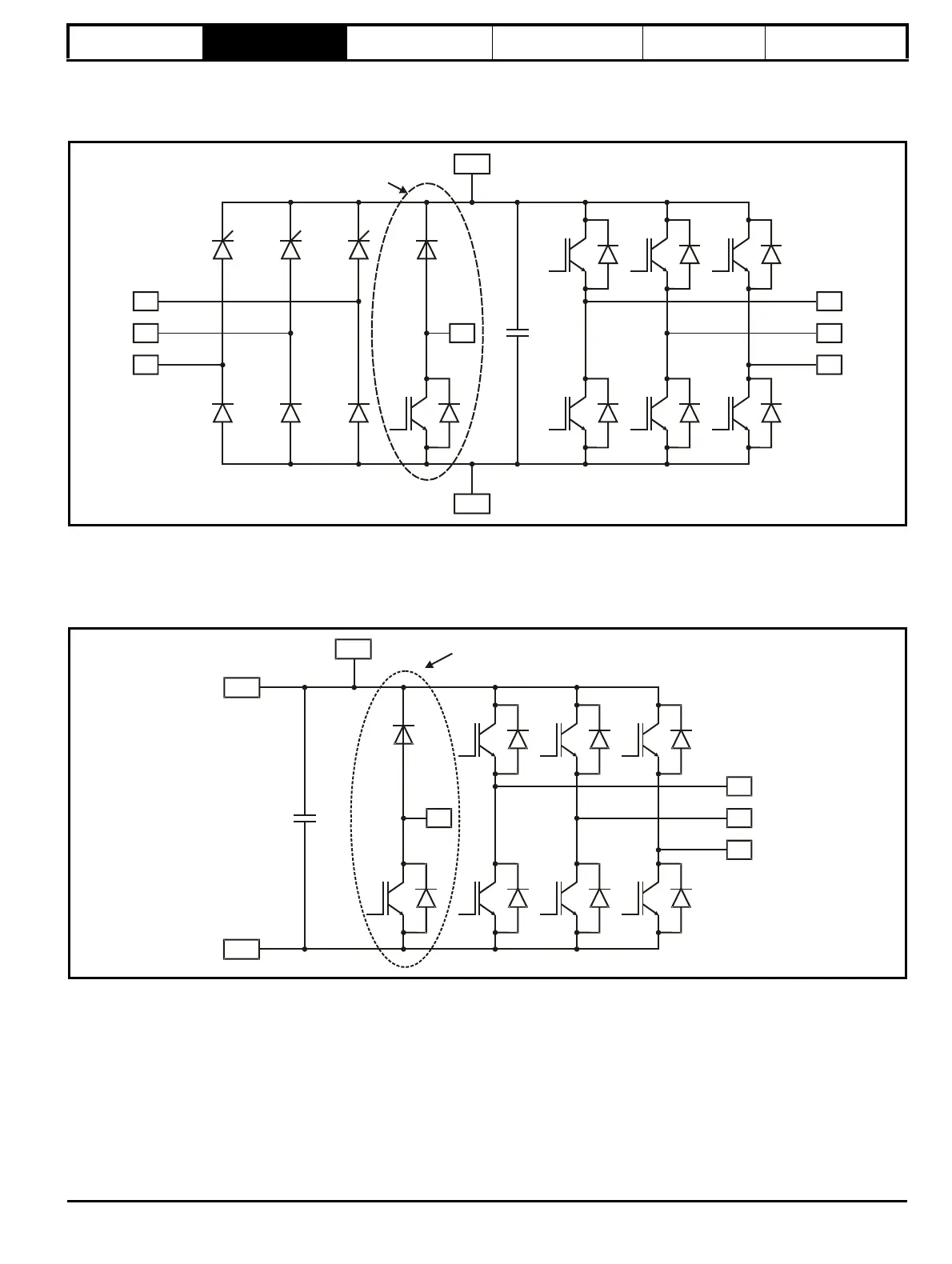
2.3 Size 9E and 10E drives
The size 9E and 10E is a complete drive with internal rectifier (AC in to AC out). It can provide a maximum continuous output current of 361 A (400 V
drive).
Figure 2-3 Size 9E and Inverter schematic
2.4 Size 9D and 10D Inverter
The size 9D and 10D is an inverter stage only (DC in to AC out). If a rectifier is required, then an AC input line reactor must also be installed. It can
provide a maximum continuous output current of 361 A (400 V drive). DC connections can be used for regen and bus-parallel applications. The size
9D and 10D is available with or without a braking IGBT installed.
Figure 2-4 Size 9D and 10D Inverter schematic
L1
L2
L3
BR
U
V
W
+DC
-DC
Optional
BR
U
V
W
+DC
-DC
+DC
Optional

Related product manuals