EasyManua.ls Logo

Nidec NE200 - Page 50

Nidec NE200
244 pages
Print Icon
To Next Page IconTo Next Page
To Next Page IconTo Next Page
To Previous Page IconTo Previous Page
To Previous Page IconTo Previous Page
Loading...
NE200/300 Series Drive User Manual
Chapter 3 Wiring of Drive 41
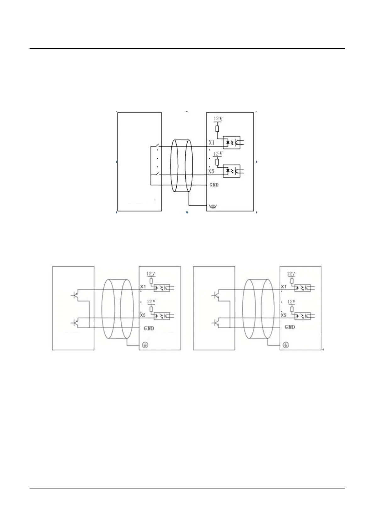
3.7.1.1 NE200 Control Circuit Connection
External controller Dry contacts wiring mode is as below. (for X1-X5
multifunction input)
Fig.3-14 Control circuit wiring instruction
External controller PNP/NPN with common emitter wiring mode is as
below. (for X1-X5 multifunction input)
Fig.3-15 PNP/NPN common emitter wiring mode
Y1 multi-functional output terminal adopt external power supply wiring
mode.
Inside of Drive
Inside of
Drive
Inside of
Drive
User
Controller
User
Controller
User Controller
PNP Type
NPN Type

Table of Contents

Related product manuals