EasyManua.ls Logo

Nidec NE200 - Page 58

Nidec NE200
244 pages
Print Icon
To Next Page IconTo Next Page
To Next Page IconTo Next Page
To Previous Page IconTo Previous Page
To Previous Page IconTo Previous Page
Loading...
NE200/300 Series Drive User Manual
Chapter 3 Wiring of Drive 49
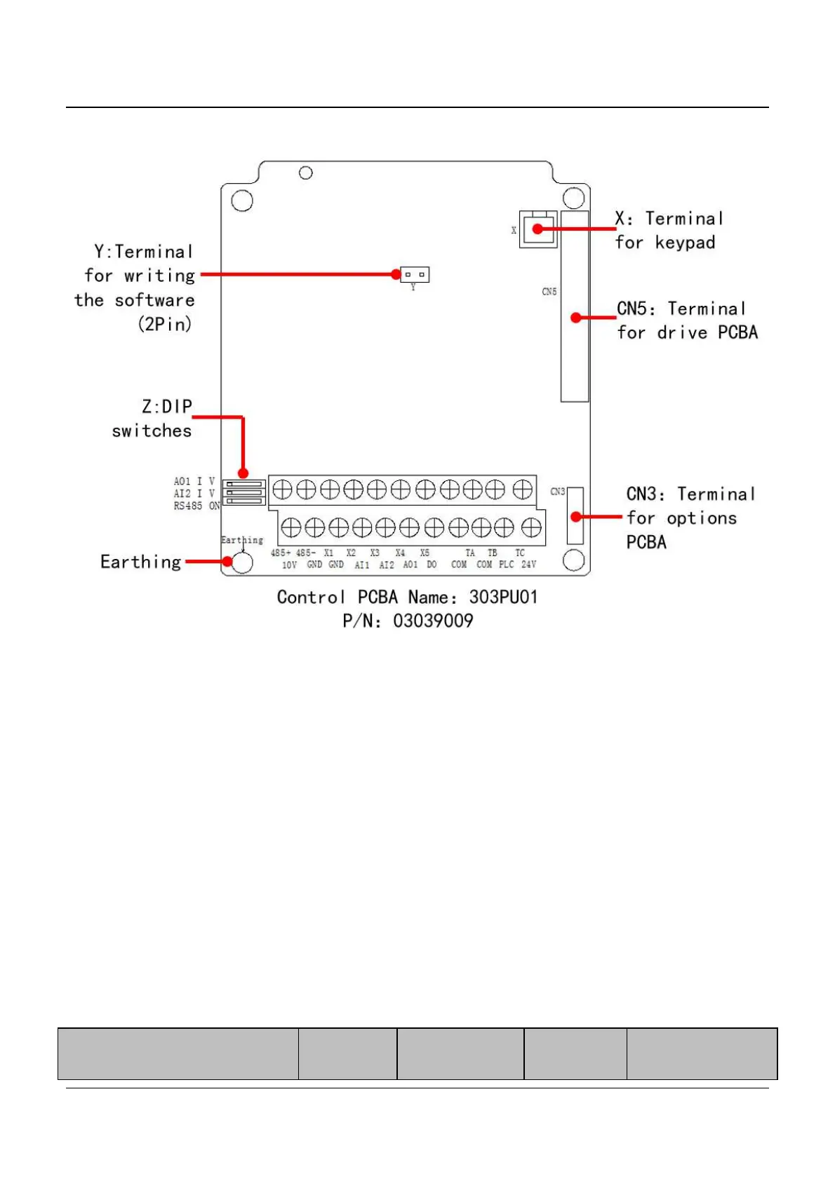
3.8.2 NE300 Control board schematic drawing
Fig.3-28 Control board schematic drawing
Note: X, Y and Z indicates the terminal, there are no the printing symbols.
There are no printing symbols on 303PU01.
X: Terminal for keypad
Y: Terminal for writing the software. (2Pin terminal
Z: DIP switches
CN3: Terminals 1 for options PCBA
CN5: Terminal for drive PCBA
Earthing: Earthing point of control PCBA
3.8.2.1 NE300 Control circuit periphery accessories selection
Terminal codes
Terminal
screw
Tightening
torque(N·m)
Wire
Spec.mm
2
Type of Wire

Table of Contents

Related product manuals