EasyManua.ls Logo

Noble UH30-E - Schematics; Electrical Wiring Diagrams

Noble UH30-E
66 pages
Print Icon
To Next Page IconTo Next Page
To Next Page IconTo Next Page
To Previous Page IconTo Previous Page
To Previous Page IconTo Previous Page
Loading...
07610-004-45-09-D
58
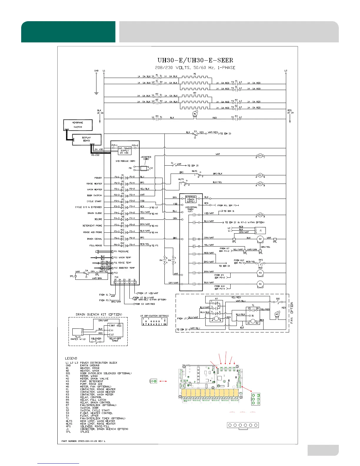
SCHEMATICS
Programming
header
Temperature
Sensorinputs
T4
T2
T1
ACsignals
I1
I2
I3
I4
I5
Analoginput
24VDCOUT/RS‐232
RelayAssignments
K1 Power
K2 Boosterheater
K3 Washheater
K4 Variesbymodel
K5 Variesbymodel
K6 Variesbymodel
K7 Variesbymodel
K8 Variesbymodel
K9 Variesbymodel
K10 Variesbymodel
K11 Variesbymodel
K12 Variesbymodel
ACpowerin
{
K
1
K2
L1 L2/N
InputAssignments
I1 Wash
I2 Cycle
I3 Float
I4 Rinse
I5 Door/Chemicals
BLK(DCRTN)
RED(+24VDC)
WHT
BLK
DCRTN
VDCOUT
CORRESPONDINGCONNECTOR
TODISPLAYPCBPN05945‐004‐36‐33
B
L
K
B
L
K
R
E
D
W
H
T
B
L
K
G
R
N
LOGICINPUT
VDCOUT
T3
GRN
BLK
K
2
K
3
K
4
K
5
K
6
K
7
K
8
K
9
K
10
K
11
K
12
Interconnectcableis
Belden9745060U500
3twistedpairs
ConnectionDiagramforIOModule
DCRTN
1
2
3
4
5
5
6
612 3
4
PAIR1
PAIR2 PAIR3
Connectorsshownintop
view(wire‐insertionend)
K1 K4K3 K6K5 K8K7 K10K9 K12K11
P1 P2 P3 P4 P5 P6
P7
P9
P8
P10P11P12P13
P14
P15
208/230 V, 50/60 HZ, 1-PHASE
SCHEMATIC

Related product manuals