EasyManua.ls Logo

Numatic NX1K - Machine Overview

Numatic NX1K
32 pages
Print Icon
To Next Page IconTo Next Page
To Next Page IconTo Next Page
To Previous Page IconTo Previous Page
To Previous Page IconTo Previous Page
Loading...
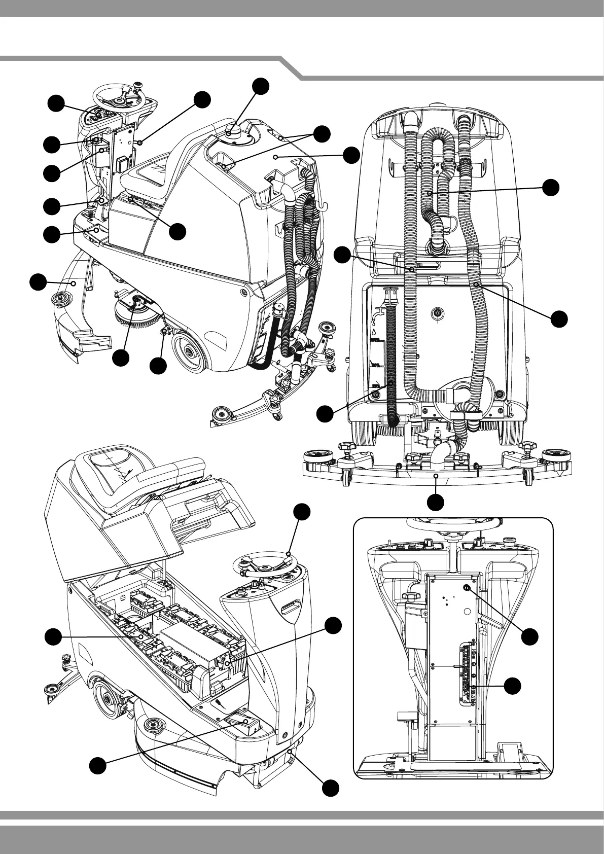
3
Machine Overview
13
14
24
6
5
4
2
1
3
12
17
10
9
8
7
11
21
23
22
25
15
16
18
19
20

Related product manuals