EasyManua.ls Logo

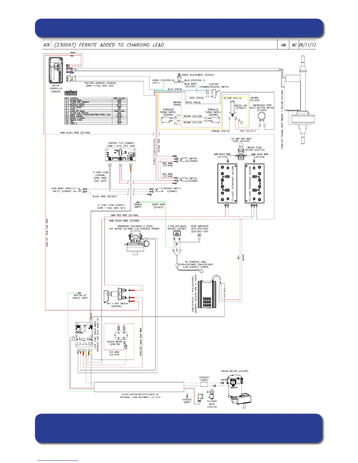
Numatic TTB 4055 - Wiring Diagram

Numatic TTB 4055
24 pages
Print Icon
To Next Page IconTo Next Page
To Next Page IconTo Next Page
To Previous Page IconTo Previous Page
To Previous Page IconTo Previous Page
Loading...
20
TTB- 4055/100T
DRW-11389 (A06) 06:11:2012
Wiring Diagram

Related product manuals