EasyManua.ls Logo

OEM BM/2/AS - Chapitre.......................................................3; Schema Eletrique

OEM BM/2/AS
Print Icon
To Next Page IconTo Next Page
To Next Page IconTo Next Page
To Previous Page IconTo Previous Page
To Previous Page IconTo Previous Page
Loading...
BM/2/AS
F - 29
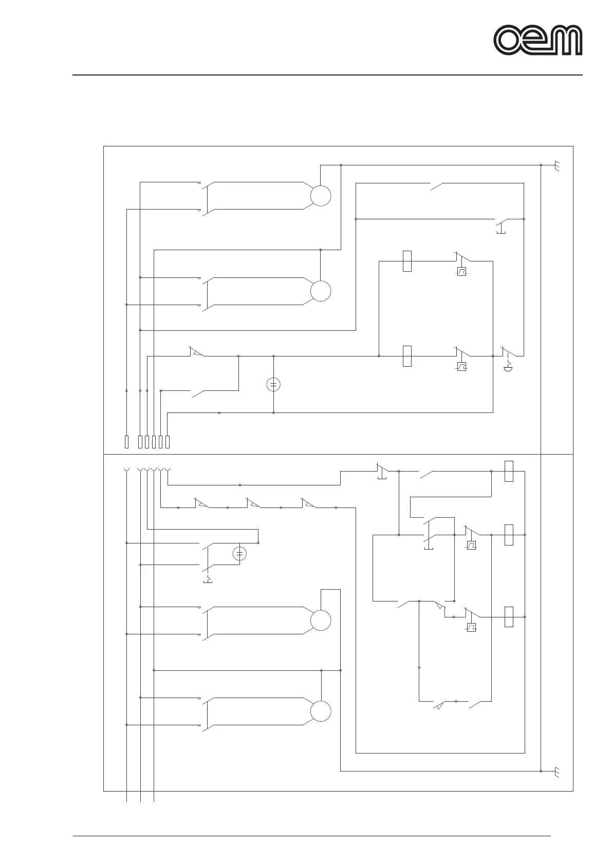
Schema eletrique
~
1
M
~
1
M
~
1
M
~
1
M
- KM1
- M1
U
W
1 5
2 6
0.37 KW
PE
B K 1
B K 2
B K 6
B K 3
- KM2
- M2
U
W
1 5
2 6
0.09 KW
PE
B K 1
B K 2
B K 6
B K 3
L1
N
PE
1
N
PE
- BM/2
- X1
G N Y E
- XP
B K 1
B K 3
B K 5
G N Y E
B K 6
B K 4
- X3
- Q1
- HL1
R D 3
B U 1
1
3
- SQ3
- SQ2
- SQ1
1
2
1
3
4
- X3
9
- X3
5
7
8
6
R D 4
G N Y E
G N Y E
- SQ6
- KM2
1
2
11
- X3
13
14
- X3
10
- FR1 - FR2
B U 6
R D 1
R D 7
- KA1
- SQ5
- X3
8
1
12
2
13
12
95
3
96
- KM1 - KM2 - KA1
A1
A2
A1
A2
A1
A2
R D 5
R D 8
B U 7 B U 8
G N Y E
95
96
- SQ5
R D 6
R D 2
3
4
3
4
- SB3
1
2
R D 1
- KA1
R D 3
R D 9
R D 1 0
9
5
- SB1
1
2
- FR3
- KM3
95
96
A1
A2
- FR4
- KM4
B U 9
R D 9 6
R D 1
A1
A2
95
96
- SB2
R D 4
R D 3
3
4
13
14
- KM4
R D 5
R D 2
G N Y E
B U 8
- HL2
B U 1 4R D 7
- X2
U
W
1 5
2 6
PE
B K 1
B K 2
B K 6
B K 3
U
W
1 5
2 6
PE
B K 1
B K 2
B K 6
B K 3
- X2
- KM3
- M3
0.09 KW
- KM4
- M4
0.37 KW
B K 1
B K 3
B K 5
G N Y E
B K 6
B K 4
B U 5
13
14
1
2
- KM3
- SQ4
B U 6
B U 1 0
R D 3
Schema Elettrico V 230~1
- AS
- XS
- X3
- X3
- X3
SCHEMAS ELETRIQUE
SchemaeletriqueV230~1

Table of Contents