EasyManua.ls Logo

Opal-RT OP4200 - Typical Applications

Opal-RT OP4200
38 pages
Print Icon
To Next Page IconTo Next Page
To Next Page IconTo Next Page
To Previous Page IconTo Previous Page
To Previous Page IconTo Previous Page
Loading...
28 OPAL-RT Technologies OP4200 User Manual
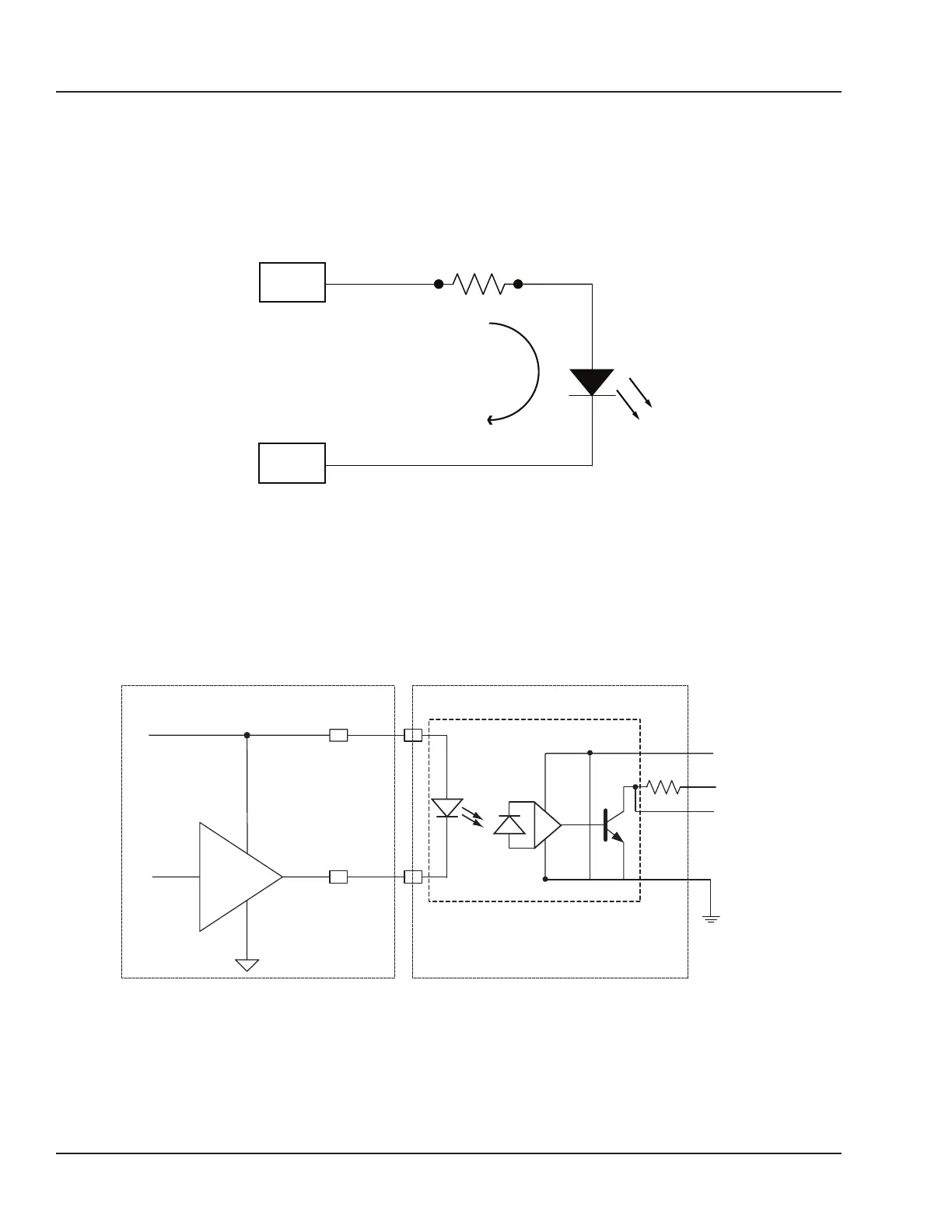
OP4250-1 32 DIGITAL INPUTS
When current flows from Din + to Din -, the output of opto-coupler A is low and the Din_FPGA signal is
low.
When no current flows, the opto-coupler output A is high and the Din_FPGA signal is high.
The signal conditioning module inputs have both anode and cathode sides available to the user (on the
I/O connector).
MODE 1: COMMON ANODE
R
VUser
Din
I
Max. 10 mA
Figure 19: Both Din + and Din - are available to the user
TYPICAL APPLICATIONS
The diagrams below illustrate typical application examples.
TC4049/4050
Vcc
OPAL-RT Din
INTERFACE BETWEEN CMOS DRIVE AND OPAL-RT Din
+5V
User
+2.5V/+3.3V
FPGA
Figure 20: Typical digital input circuit

Related product manuals