EasyManua.ls Logo

Panasonic 140 - Electrical Wiring Diagrams; Power Circuit Diagrams

Panasonic 140
84 pages
Print Icon
To Next Page IconTo Next Page
To Next Page IconTo Next Page
To Previous Page IconTo Previous Page
To Previous Page IconTo Previous Page
Loading...
66
Appendix Heat Pump Chiller 140-210
BK
BN
VIOLET
ORANGE
RED
GNYE
OG
RD
GREEN/YELLOW
VT
WH
WHITE
GY
GREY
BLACK
BU
BROWN
BLUE
RD
BN
BK
GY
KA1
L3L2L1
IMPERATIVE:
RESPECT THE
CORRECT PHASE
CONNECTIONS
L3L2
L1
P-E
L3
BN
BK
BN
L1
G
RD
RD
L2
3N400V +
BK
N
GY
BN
BK
BN
BK
BK
RD
BN
BK
C1.1
1
BU
RD
BN
BK
X
L3
L2
L1
KOF1-L
KOF1-H
KOF1-H
KOF1-L
KOF1-H
KOF1-L
KOF1
RD
BN
C1.2
GY
BN
WH
RD
VT
WH
RD
K2
K1
FT2
FT1
35
7
2468
POL687/DO1
POL687/DO2
SE 4596
BN
BK
RD
BU
BU
N
N
FTWP1
BN
BK
RD
1
2
3
4
5
6
FTOF1-HFTOF1-L
OFB
BK
1
2
3
4
5
6
4
5
6
BN
BK
RD
KOF1
KOF1-H
4
5
6
KOF1-L
OFA
LOW SPEED
HIGH SPEED
SE 4597
BK
BN
RD
BK
BN
RD
BK
BN
RD
SOFT
STARTER
OPTION
SE 4611
FTWP2
BK
BN
RD
2
1
3
KWP1
PE
55
UVW
L3
L2L1
BK
53
GY
12
FDWP1
RD
18
BK
BN
WP1
1
1
1
2
1
3
KWP2
PE
55
UVW
L3
L2L1
BK
53
GY
12
FDWP2
RD
18
BK
BN
WP2
1
1
1
POL96.M
POL96.X5
SE 4598C
POL96.M
POL96.X5
SE 4598C
RD
WH
RD
WH
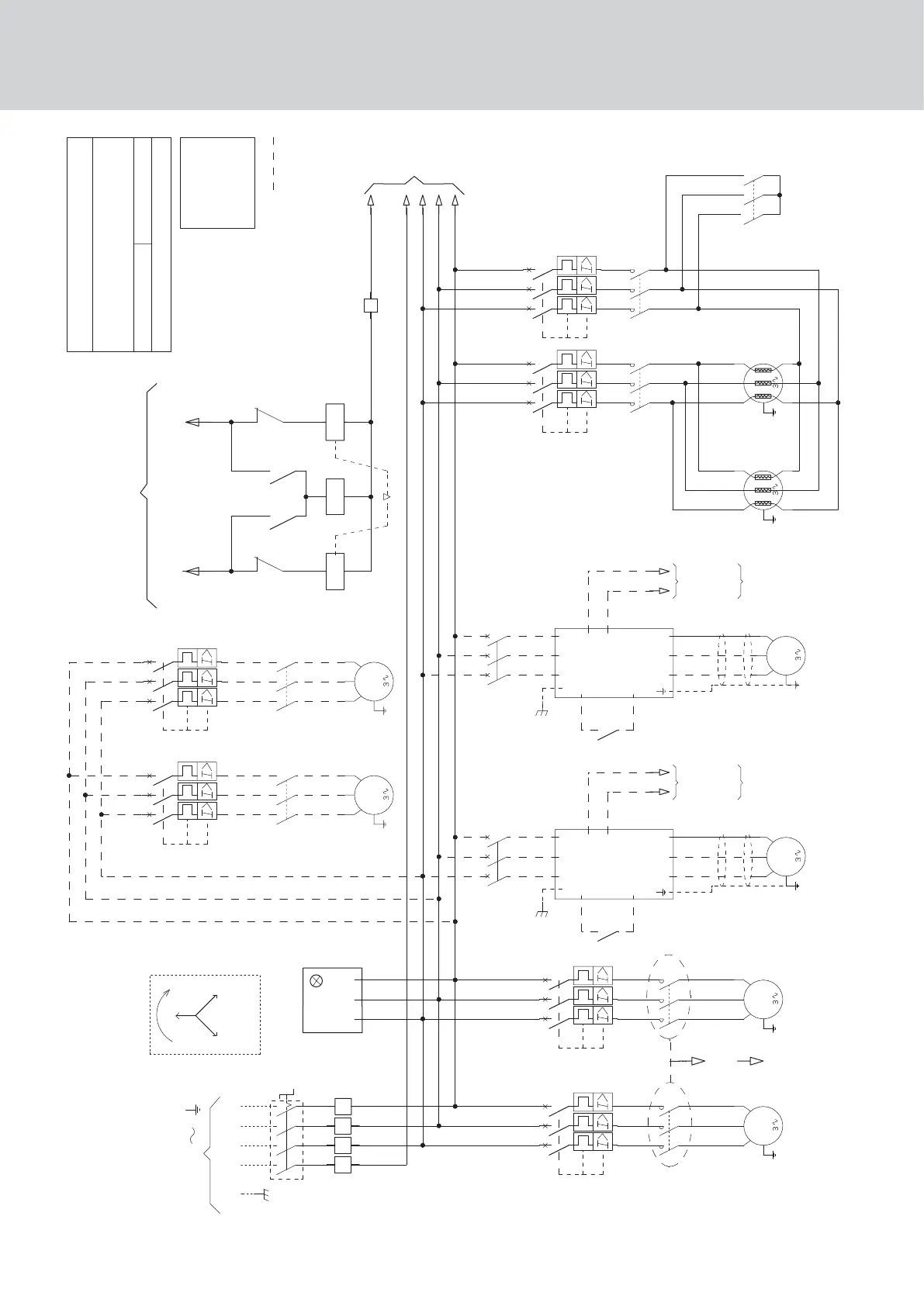
POWER WIRING DIAGRAM
SE 4595 C
140/150/170/190/210
N821
3991480
CIRCUIT 1
1
2
3
FTWP1
KWP1
WP1
BK
BN
RD
1
2
KWP2
3
WP2
BK
BN
RD
BK
BN
RD
FTWP2
BK
BN
RD
BK
BN
RD
Q
T1T2T3
2
1
4
3
6
5
1
2
3
4
5
6
T1T2T3
2
1
4
3
6
5
1
2
3
4
5
6
14
11
U
V
W
3
2
1
6
5
4
2
1
4
3
6
5
1
2
3
4
5
6
U1
W1
V1
14
11
2
1
4
3
6
5
1
2
3
4
5
6
U1W1V1
U
V
W
3
2
1
6
5
4
A1
A2
21
22
53
54
U1
U2
V1
V2
W1
W2
A1
A2
53
54
21
22
A1
A2
U1
U2
V1
V2
W1
W2
1
2
3
4
5
6
1
2
3
4
5
6
1
2
3
4
5
6
1
2
3
4
5
6
1
2
3
4
5
6
OPTIONAL
Power - Circuit 1

Table of Contents