EasyManua.ls Logo

Panasonic 140 - Power - Circuit 2 - Without Neutral

Panasonic 140
84 pages
Print Icon
To Next Page IconTo Next Page
To Next Page IconTo Next Page
To Previous Page IconTo Previous Page
To Previous Page IconTo Previous Page
Loading...
75
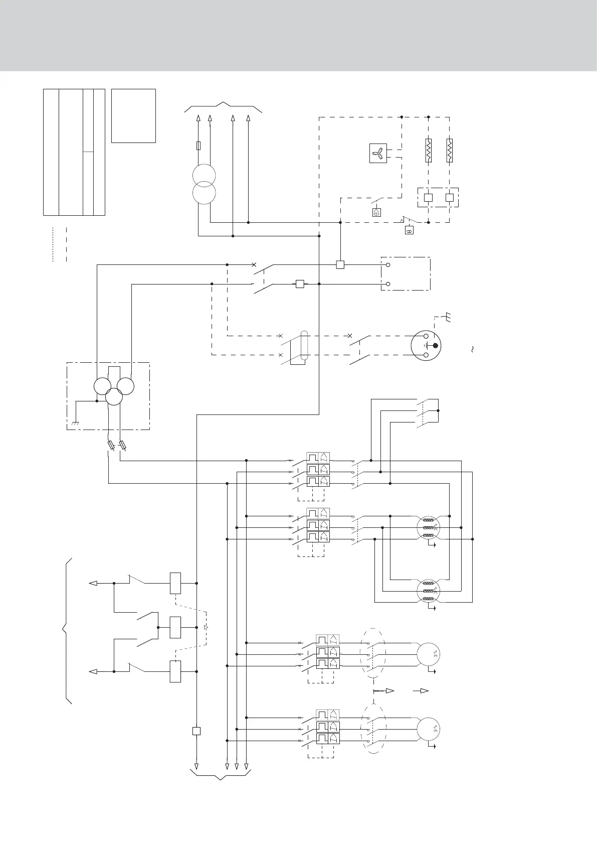
Appendix Heat Pump Chiller 140-210
BK
BN
BU
GNYE
GY
OG
RD
VT
WH
BLACK
BROWN
BLUE
GREEN/YELLOW
GREY
ORANGE
RED
VIOLET
WHITE
230V socket
option 3G MODEM
(2A
BK
BN
GY
BK
BN
BK
BK
BN
BN
RD
RD
GY
FT3
FT4
K3
K4
BN
RD
WH
VT
RD
WH
BN
GY
C2.2
C2.1
FTC
BK
BN
RD
BK
BN
RD
KOF2
KOF2-L
KOF2-H
KOF2-L
KOF2-H
KOF2-H
KOF2-L
BU
BK
BN
RD
N
L
L
BU
BU
BU
N
BN
BK
RD
1
2
3
4
5
6
FTOF2-HFTOF2-L
OFD
BK
1
2
3
4
5
6
4
5
6
BN
BK
RD
KOF2
KOF2-H
4
5
6
KOF2-L
OFC
POL96/DO1
POL96/DO2
LOW SPEED
HIGH SPEED
BN
BU
C1.1
C2.1
T1
T2
MODEL
170/190/210
POWER WIRING DIAGRAM
SE 4648 A
140/150/170/190/210
N821
3991510
3x400VAC CIRCUIT 2
SE 4647
SE 4649 / SE 4650
SE 4650
BK
BN
RD
BK
BN
RD
SOFT
STARTER
OPTION
SE 4611
FF11
T2
4A Am
BK
RD
BK
GY
GN/YE
BU
L
BU
BU
T1
FFT
BU
L
230V
24V
BN
1
2
RD
TBC
RBC1
RBC2
6
6
WH
WH
GY
GY
30
31
RD
BKBK
L
EBF
TEBF
BU
FTT
BU
BK
BU
2A
PC
GN/YE
30 mA
max)
QD
RD
BK
>
T1T2T3
1
2
3
4
5
6
2
1
4
3
6
5
A1
A2
21
22
T1T2T3
1
2
3
4
5
6
2
1
4
3
6
5
53
54
A1
A2
53
54
A1
A2
21
22
1
2
3
4
5
6
1
3
5
2
4
6
1
2
3
4
5
6
1
2
3
4
5
6
1
2
3
4
5
6
VA
V
0400V
11501150
1000
400
230
N
N
N
N
U1
V1
W1
U2 V2
W2
U1
U2
V1
V2
W1
W2
WIRING BY INSTALLER
OPTIONAL
Power - Circuit 2 - without neutral

Table of Contents