EasyManua.ls Logo

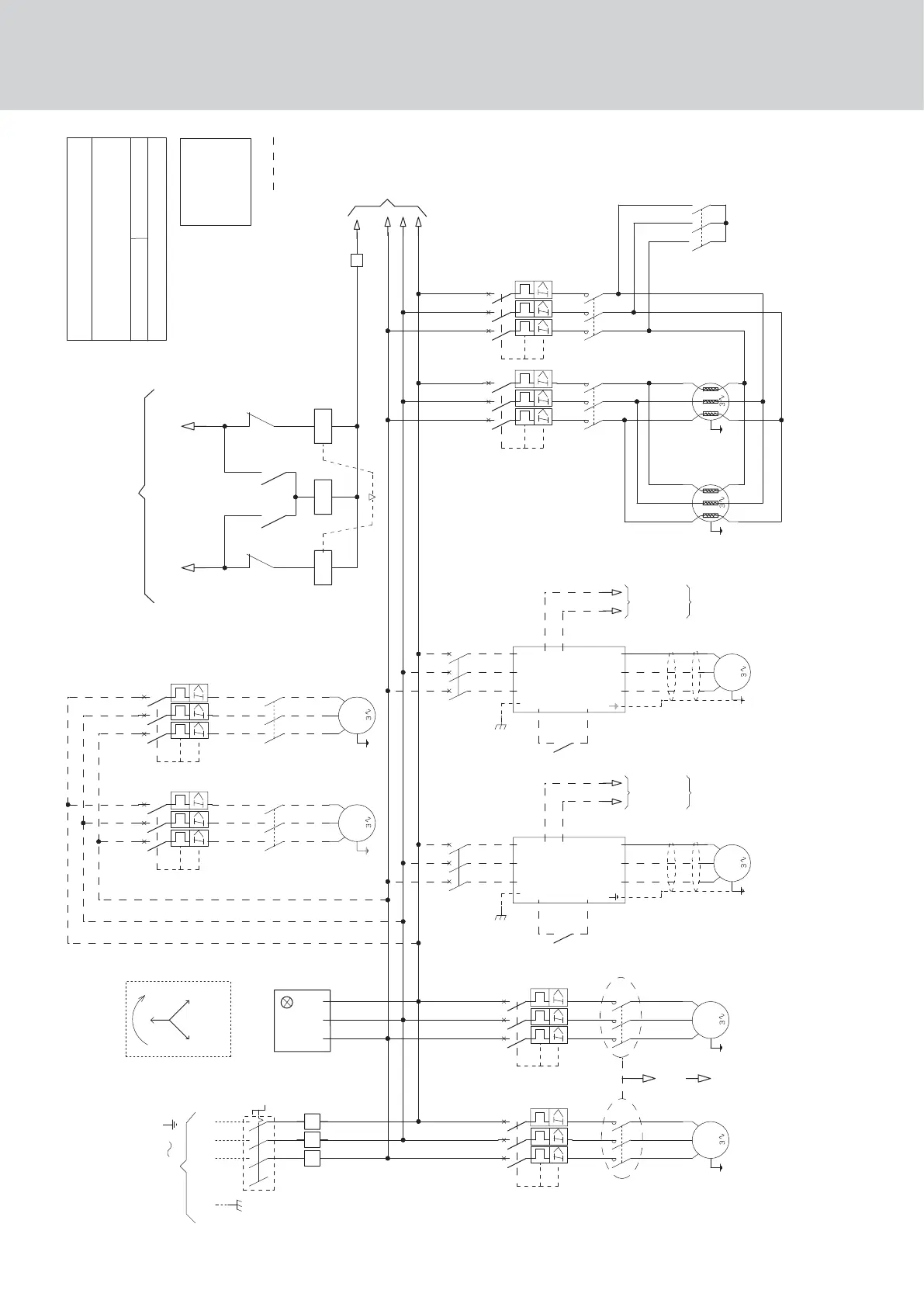
Panasonic 140 - Power - Circuit 1 - Without Neutral

Panasonic 140
84 pages
Print Icon
To Next Page IconTo Next Page
To Next Page IconTo Next Page
To Previous Page IconTo Previous Page
To Previous Page IconTo Previous Page
Loading...
74
Appendix Heat Pump Chiller 140-210
BK
BN
BU
GNYE
GY
OG
RD
VT
WH
BLACK
BROWN
BLUE
GREEN/YELLOW
GREY
ORANGE
RED
VIOLET
WHITE
BK
BN
GY
BK
BN
POWER WIRING DIAGRAM
3X400V +
SE 4647 A
140/150/170/190/210
BK
BK
BN
BN
RD
RD
N821
G
L1L2L3
P-E
L1
L2L3
IMPERATIVE:
RESPECT THE
CORRECT PHASE
CONNECTIONS
L1L2L3
KA1
GY
BK
BN
RD
3991509
FT1
FT2
K1
K2
RD
WH
VT
RD
WH
BN
GY
C1.2
C1.1
BK
BN
RD
BK
BN
RD
KOF1KOF1-L
KOF1-H
KOF1-L
KOF1-H
KOF1-H
KOF1-L
L1
L2
L3
X
BK
BN
RD
135
7
2468
POL687/DO1
POL687/DO2
SE 4648
BN
BK
RD
BU
N
BN
BK
RD
1
2
3
4
5
6
FTOF1-HFTOF1-L
OFB
BK
1
2
3
4
5
6
4
5
6
BN
BK
RD
KOF1
KOF1-H
4
5
6
KOF1-L
OFA
LOW SPEED
HIGH SPEED
3x400VAC CIRCUIT 1
SE 4649
BK
BN
RD
BK
BN
RD
SOFT
STARTER
OPTION
SE 4611
RD
SE 4650
3
POL96.X5
WH
POL96.M
SE 4650
18
BK
U
V
FTWP1
BN
FTWP2
1
RD
FTWP2
RD
BN
BK
RD
BN
BK
WP2
3
KWP2
2
1
RD
BN
BK
WP1
KWP1
FTWP1
2
BK
U
L1
FDWP2
53
12
3
BK
VW
BN
L2
L3
55
12
L2
53
BN
RD
BK
BN
2
PE
KWP1
W
L1
BK
BN
BK
L3
BN
RD
FDWP1
GY
RD
BK
BK
1
WP1
1
1
1
2
PE
KWP2
RD
18
1
11
WP2
55
3
1
POL96.X5
POL96.M
RD
WH
GY
RD
Q
T1T2T3
1
2
3
4
5
6
2
1
4
3
6
5
T1T2T3
1
2
3
4
5
6
2
1
4
3
6
5
14
11
3
2
1
6
5
4
U
V
W
1
2
3
4
5
6
2
1
4
3
6
5
U1
W1
V1
14
11
U1W1V1
2
1
4
3
6
5
1
2
3
4
5
6
3
2
1
6
5
4
U
V
W
A1
A2
21
22
U1
U2
V1
V2
W1
W2
53
54
A1
A2
53
54
A1
A2
21
22
U1
U2
V1
V2
W1
W2
1
2
3
4
5
6
1
2
3
4
5
6
1
2
3
4
5
6
1
2
3
4
5
6
1
2
3
4
5
6
OPTIONAL
Power - Circuit 1 - without neutral

Table of Contents