EasyManua.ls Logo

Panasonic DMR-ES10P

Panasonic DMR-ES10P
66 pages
To Next Page IconTo Next Page
To Next Page IconTo Next Page
To Previous Page IconTo Previous Page
To Previous Page IconTo Previous Page
Loading...
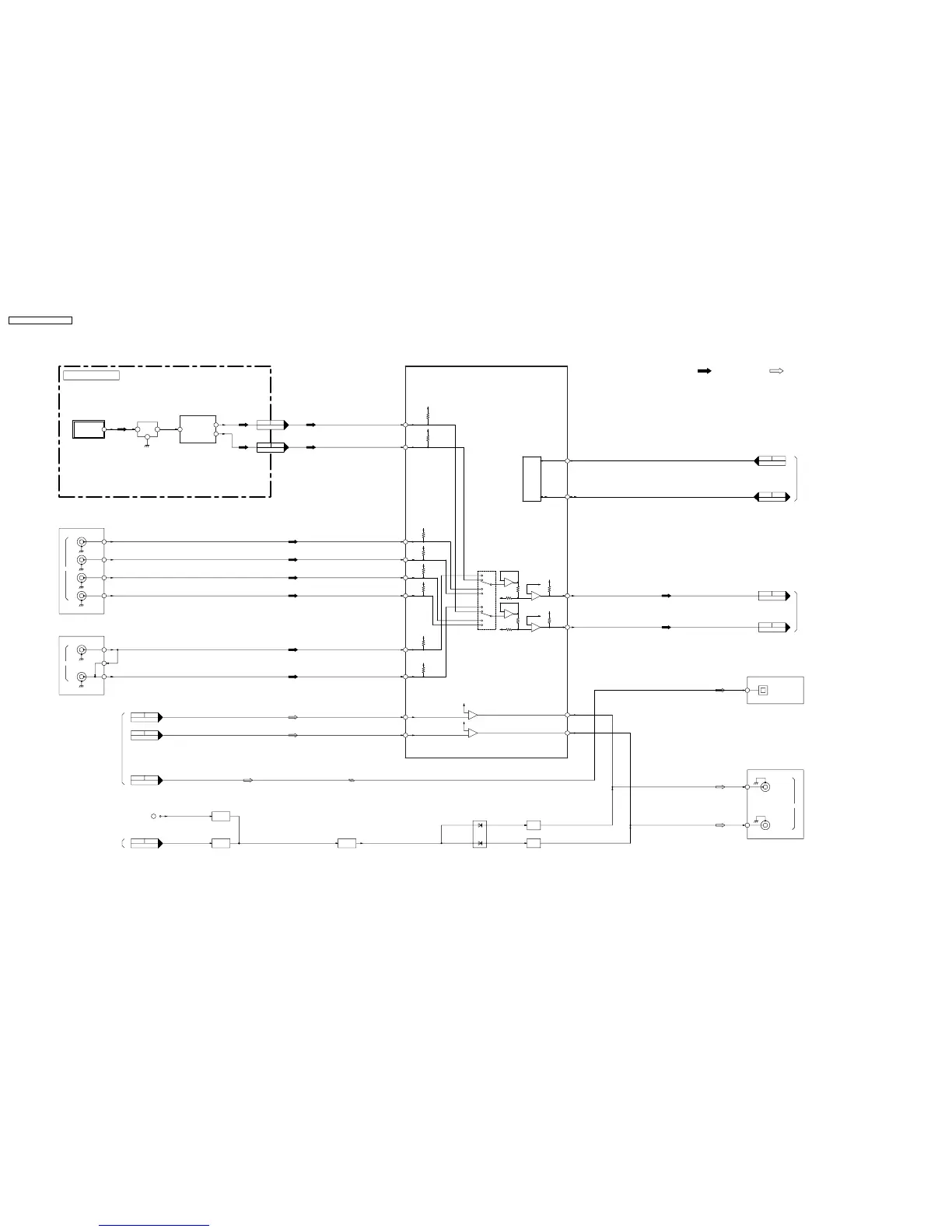
17.3. Analog Audio Block Diagram
TUNER PACK P.C.B.
PS7801 PP7404
PP7404PS7801
2
1
IC7801
(AUDIO MULTIPLEX DECODER)
30
29
21
LOUT
ROUT
INPUT15
U/V TUNER
TU7801
SIF OUT
DMR-ES10P/PC
Analog Audio Block Diagram
27
24
OUTR
RFOUT
-
+
-
+
26
DAL
DAR
25
SECTION
DIGITAL BLOCK
TO
SECTION
AUDIO NET
DIGITAL P.C.B.
FROM
0.5dB 0.5dB
SELECTOR
INPUT
-6.1dB
-6.1dB
+
-
+
-
2
LOGIC
BUS
I C
+
-
+
-
:PB SIGNAL:REC SIGNAL
IEC OUT
IC7505-
IC4001
EXT12
10
EXT11
9
LS
OUTL
A/V OUT JACK
JK3902
SECTION
AUDIO NET
DIGITAL P.C.B.
TO/FROM
AADC R
AADC L
P9001
31
P7401
P9001
29
P7401
28
29
IIC DATA
IIC CLOCK
P9001
1
P7401
P9001
2
P7401
OPTICAL
23
DIGITAL AUDIO OUT
JK3903
SECTION
DIGITAL BLOCK
FROM
36
P9001 P7401 IECOUT
MIX R OUT2
MIX L OUT2
20
17
LINE
OUT2-R
OUT2-L
39
P9001 P7401 MIXLOUT DM
41
P9001 P7401 MIXROUT DM
63
XTMUTE
D4001
Q4003
MUTE
MUTE
Q4002
(5V)
MUTE
QR4001,4004
MUTE
Q4001QR4002,4003
MUTE
15
P9001 P7401 XDMUTE
(AUDIO PROCESSOR)
SDA
SCL
FRONT2
FRONT1
EXT32
EXT22
EXT31
EXT21
31
32
14
12
13
11
21
20
2AUDIO
L
R
L2 IN R
FRONT A/V IN JACK
JK3904
5
3
L2 IN L
L3 IN R
L1 IN R
L3 IN L
L1 IN L
20
19
17
16
A/V IN JACK
JK3901
IN R
JSB
IN R
LINE
IN L
JSB
IN L
LINE
AUDIO
TUNER R
TUNER L
1
FL7801
3
2
DMR-ES10P / DMR-ES10PC
38

Table of Contents

Related product manuals