EasyManua.ls Logo

Panasonic DMR-ES10P

Panasonic DMR-ES10P
66 pages
To Next Page IconTo Next Page
To Next Page IconTo Next Page
To Previous Page IconTo Previous Page
To Previous Page IconTo Previous Page
Loading...
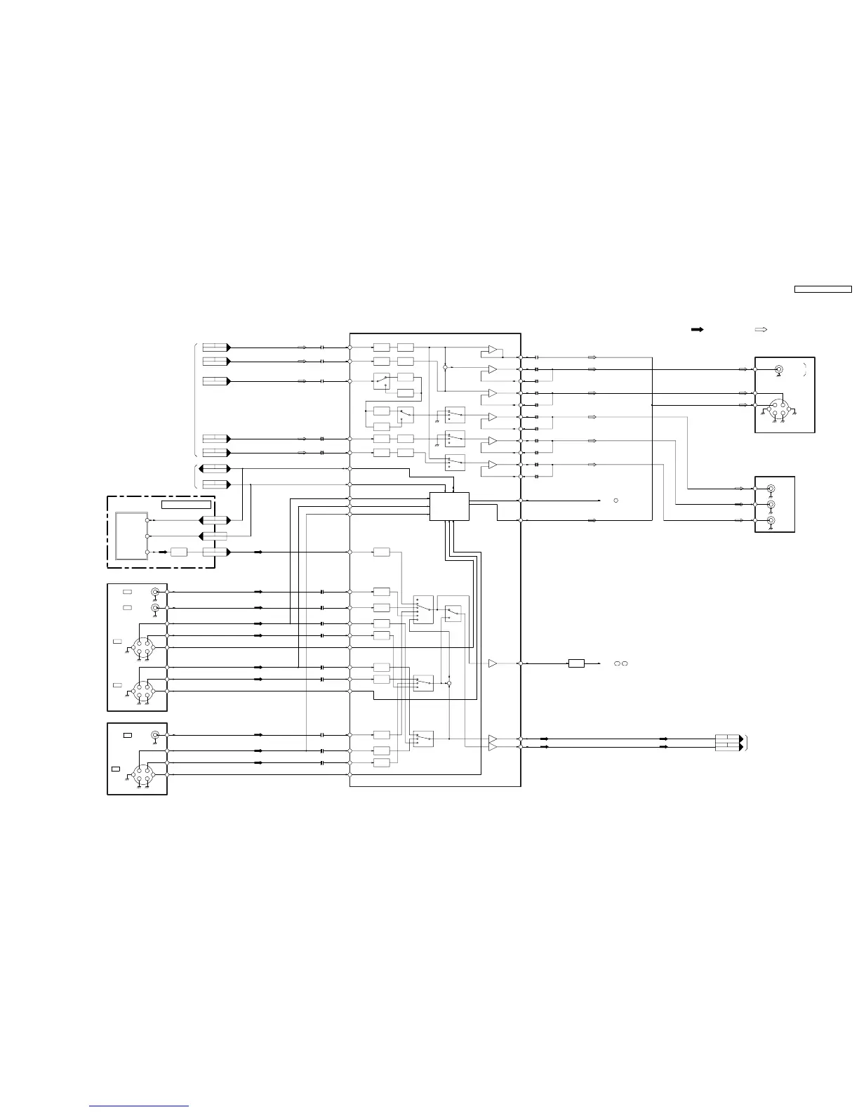
17.2. Analog Video Block Diagram
Q7801
TUNER PACK P.C.B.
9
PS7801 PP7404
10
PS7801 PP7404
4
PP7404PS7801
BUFFER
SDA 12
11SCL
18
U/V TUNER
TU7801
VIDEO OUT
DMR-ES10P/PC
Analog Video Block Diagram
Pr/R/C SAG
Pr/R/C OUT
Pb/B SAG
Pb/B OUT
Py/G SAG
Py/G OUT
Y75 SAG
Y75 OUT
V75 SAG
V75 OUT
C75 OUT
V
Y
SW1
DVD R/Pr IN
DVD B/Pb IN
DVD G/Py IN
DVD Y IN
DVD C IN
2
I C-BUS CONTROL
SW A
SW2 Py/G SW
6M LPF
12M LPF
Pb/B SW
BIAS 6M LPF
BIAS 6M LPF Pr/R/C SW
CLAMP
BIAS
DRV MIX
BIAS 6M LPF
+
6M LPFCLAMP
75
75
75
75
75
75
0dB
0dB
0/6dB
MIX A
C-SW A
Y-SW A
+
MIX A
V-SW A
BIAS
BIAS
BIAS
CLAMP
CLAMP
CLAMP
CLAMP
CLAMP
CLAMP
CLAMP
:PB SIGNAL:REC SIGNAL
113109
IC7505- ,
IIC CLOCK
IIC DATA
SCL
SDA
TU V IN
L2
L2
23
S1/S2 DET1
S1/S2 DET3
16
S1/S2 DET2
9
L1
L3
L1
L3
55
63
59
47
51
SECTION
AUDIO NET
DIGITAL
FROM/TO
2
1
P7401
P7401P9001
P9001
58
57
34
32
L123 SWIDE
BLOCK SECTION
TO DIGITAL
Y/V OUT A
COUT A
65
69
83
P9001P7401V YIN DM
87
P9001P7401CPNCIN DM
RPC R OUT
BPC B OUT
GPC Y OUT
CPN Y OUT
CPS V OUT
CPN C OUT
BUFFER
Q7503
VIDEO A
SLICER
67
C/S DET1
CPN 1Y IN
CPN 1C IN
C/S DET3
CPN 3Y IN
CPN 3C IN
LINE 1V IN
LINE 3V IN
(480P/480I)
VIDEO OUT
COMPONENT
JK3903
99IC7505-8
DET OUT A
S1/S2 OUT
31
(RED)
PR/CR
(BLUE)
PB/CB
Y(GREEN)
18
19
20
LINE OUT
VIDEO2
JACK
A/V OUT
JK3902
4
3
14
OUT 2
S1/S2
C
Y
C/S DET2
Y2 IN
C2 IN
VIDEO2 IN
C/S DET1
Y1 IN
C1 IN
C/S DET3
Y3 IN
C3 IN
VIDEO1 IN
VIDEO3 IN
TUNER
Y
C
C
Y
Y
C
C/S DET2
CPN 2Y IN
CPN 2C IN
LINE 2V IN
6
7
10
5VIDEO IN 7
12
IN
S-VIDEO
13
11
FRONT A/V IN JACK
JK3904
20
21
24
13
14
17
19
12
10
IN
S-VIDEO
11
9
6
3
4
IN
S-VIDEO
13VIDEO IN
VIDEO IN 14
JACK
A/V IN
JK3901
3
BLOCK SECTION
FROM DIGITAL
P7401P9001
P9001 P7401
P7401P9001
P7401P9001
P7401P9001
RPR CROUT DM
BPB CBOUT DM
GPY YOUT DM
YOUT DM
COUT DM
35
43
51
33
47
36
37
39
27
26
29
28
30
(VIDEO PROCESSOR)
IC3001
41
SYNC IN
DMR-ES10P / DMR-ES10PC
37

Table of Contents

Related product manuals